Каталог запасных частей к технике: МТЗ МЛ-131. Облицовка

zoom-in zoom-out enlarge shrink circle-right circle-left file-text2 info cart arraw right arraw left zoom out zoom in arraw maximize arraw minimize
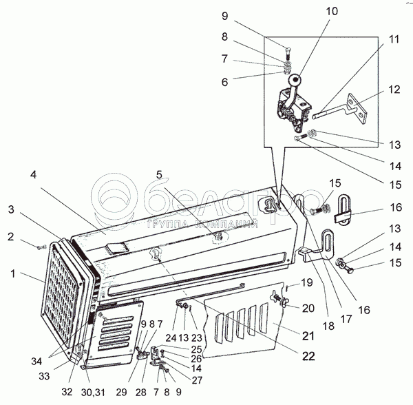
1
2
3
4
5
6
7
7
7
8
8
8
9
9
9
10
11
12
13
13
13
14
14
14
15
15
15
16
16
17
18
19
20
21
21
22
23
24
25
25
26
27
27
28
29
30
31
32
33
34
34
34
90-8402025-01
Боковина
В узле: 1
90-8402025-01 Боковина МТЗ капота, правая Под заказ 5 163.11 р.
22
90-8400070
Тяга
В узле: 1
90-8400070 Тяга Под заказ 563.87 р.
1
МЛ131-8401010
Ограждение
В узле: 1
2
M8-6gx16.58.019
Винт
В узле: 6
3
МШ31-8401015
Рамка
В узле: 1
4
МЛ131-8402020
Капот
В узле: 1
5
70-3801629
Зажим
В узле: 1
6
М6х6Н.6.019
Гайка
В узле: 2
7
С6.01.019
Шайба
В узле: 10
8
4598166045
Шайба 6Т
В узле: 10
9
M6-6gx16.88.35.019
Болт
В узле: 10
10
90-8402410
Замок левый
В узле: 1
11
354-8402018
Втулка
В узле: 1
12
МЛ131-8402015-Б
Кронштейн
В узле: 1
13
С8.01.019
Шайба
В узле: 5
14
4598166046
Шайба 8Т
В узле: 6
15
M8-6gx16.88.35.019
Болт
В узле: 6
16
МЛ131-8400011-Б
Кронштейн
В узле: 1
17
МЛ131-8400011-Б-01
Кронштейн
В узле: 1
18
500А-8507096
Заглушка
В узле: 2
19
2x16.019
Шплинт
В узле: 4
20
МЛ131-8402140
Зажим
В узле: 4
21
МЛ131-8402110-Б
Боковина
В узле: 1
21
МЛ131-8402105-Б
Боковина
В узле: 1
23
ГОСТ397-79
Шплинт 3.2x18.019
В узле: 1
24
549А-1305044
Кольцо
В узле: 1
25
90-8401050
Кронштейн правый
В узле: 1
25
90-8401050-01
Кронштейн левый
В узле: 1
26
M8-6gx30.88.35.019
Болт
В узле: 4
27
90-8401031-01
Кронштейн правый
В узле: 1
27
90-8401031
Кронштейн левый
В узле: 1
28
90-8460056
Втулка
В узле: 2
29
90-8402075
Фиксатор
В узле: 2
30
M10-6gx35.88.35.019
Болт
В узле: 4
31
4598166067
Шайба 10ОТ
В узле: 4
32
С10.01.019
Шайба
В узле: 4
33
МЛ131-8400012-Б
Кронштейн
В узле: 1
34
90-8402025
Боковина
В узле: 1
Содержащиеся в справочниках-каталогах запасные части и детали не предлагаются к продаже, а носят исключительно информационный характер

Ваша заявка была отправлена. В ближайшее время наши специалисты с Вами свяжутся по указанному Вами телефону.

Представьтесь
Поле обязательно для заполнения
Ваш телефон
Введите правильный номер телефона
E-mail
Введите правильный e-mail
Тема
Тема
применяемость финансирование доставка цена, наличие другое сервис и гарантия
Время для звонка
08:00
08:00 09:00 10:00 11:00 12:00 13:00 14:00 15:00 16:00 17:00 18:00 19:00
19:00
08:00 09:00 10:00 11:00 12:00 13:00 14:00 15:00 16:00 17:00 18:00 19:00

Мы постараемся перезвонить в указанное время

Если вы не хотите ждать, то звоните нашим вежливым консультантам:

8 800 100-2-700
Подтвердите, что вы не робот
Подтвердите, что вы не робот
Спасибо!

Ваше сообщение успешно отправлено!

ЗакрытьПовторить попытку