Каталог запасных частей к технике: МТЗ МЛ-131. Пневмопривод

zoom-in zoom-out enlarge shrink circle-right circle-left file-text2 info cart arraw right arraw left zoom out zoom in arraw maximize arraw minimize
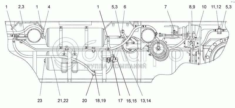
1
1
1
2
3
3
3
4
5
5
6
7
8
9
10
11
12
13
14
15
16
17
18
19
20
21
22
23
7
50-3502203
Вилка
В узле: 1
50-3502203 Вилка соединительная МТЗ Под заказ 291.90 р.
18
85-3513110
Клапан в сборе
В узле: 4
85-3513110 Клапан слива конденсата МТЗ тормозной системы, Беларусь <10 шт. 315.39 р.
1
70-3513015
Угольник
В узле: 9
70-3513015 Угольник МТЗ аппаратуры тормозной Под заказ 507.48 р.
20
Н50-4202146
Кольцо
В узле: 4
Н50-4202146 Кольцо МТЗ <10 шт. 56.71 р.
2
М8-6Н.6.019
Гайка
В узле: 8
3
4598166046
Шайба 8Т
В узле: 58
4
ХС-21
Хомут
В узле: 58
5
M8-6gx16.88.35.019
Болт
В узле: 27
6
КЭМ.27
Клапан
В узле: 1
8
M6-6gx12.88.35.019
Болт
В узле: 1
9
4598166045
Шайба 6Т
В узле: 9
10
52.98.710-14
Хомутик
В узле: 1
11
Ал.12x18x1,5МНЗ138-62
Прокладка
В узле: 9
12
ММ125-Д
Выключатель пневматический сигнала торможения
В узле: 2
13
354-3500303-Б-05
Шланг
В узле: 3
14
354-3500309-Б-04
Оболочка
В узле: 3
15
354-3500303-Б-02
Шланг
В узле: 12
16
354-3500309-Б-02
Оболочка
В узле: 12
17
МЛ131-3500040
Распределитель
В узле: 2
19
В50-3522023
Прокладка
В узле: 10
21
354-3500303-Б-06
Шланг
В узле: 3
22
354-3500309-Б-05
Оболочка
В узле: 6
23
354-3500003-Б
Болт зажимной
В узле: 6
Содержащиеся в справочниках-каталогах запасные части и детали не предлагаются к продаже, а носят исключительно информационный характер

Ваша заявка была отправлена. В ближайшее время наши специалисты с Вами свяжутся по указанному Вами телефону.

Представьтесь
Поле обязательно для заполнения
Ваш телефон
Введите правильный номер телефона
E-mail
Введите правильный e-mail
Тема
Тема
применяемость финансирование доставка цена, наличие другое сервис и гарантия
Время для звонка
08:00
08:00 09:00 10:00 11:00 12:00 13:00 14:00 15:00 16:00 17:00 18:00 19:00
19:00
08:00 09:00 10:00 11:00 12:00 13:00 14:00 15:00 16:00 17:00 18:00 19:00

Мы постараемся перезвонить в указанное время

Если вы не хотите ждать, то звоните нашим вежливым консультантам:

8 800 100-2-700
Подтвердите, что вы не робот
Подтвердите, что вы не робот
Спасибо!

Ваше сообщение успешно отправлено!

ЗакрытьПовторить попытку