Каталог запасных частей к технике: МТЗ МЛ-131. Рама передняя

zoom-in zoom-out enlarge shrink circle-right circle-left file-text2 info cart arraw right arraw left zoom out zoom in arraw maximize arraw minimize
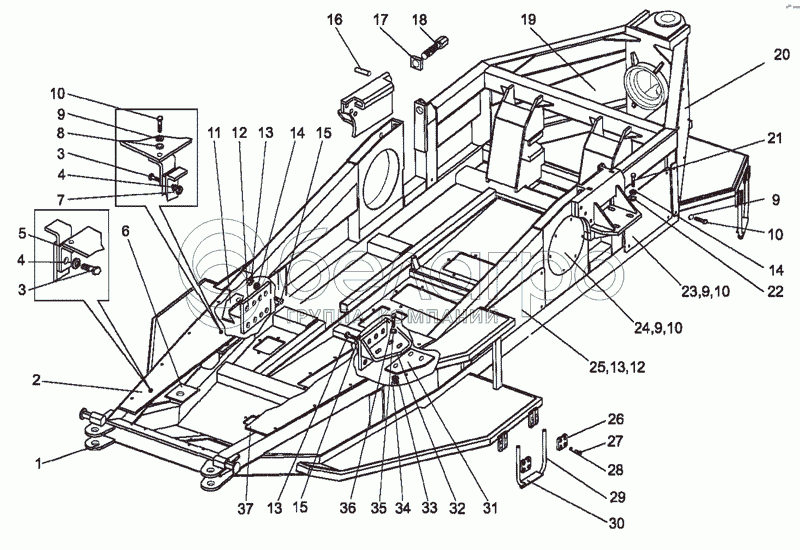
МЛ131-2701100-01
1
2
3
3
4
4
5
6
7
8
9
9
9
9
10
10
10
10
11
12
12
13
13
13
14
14
15
15
16
17
18
19
20
21
22
23
24
25
26
27
28
29
30
31
32
33
34
35
36
37
МЛ131-2701100-01
Полурама передняя
В узле: 1
1
МЛ131-2701105-Б
Полурама передняя сварная
В узле: 1
2
МЛ131-2701252
Полик
В узле: 1
3
M16-6gx45.88.35.019
Болт
В узле: 8
4
4598166070
Шайба 16ОТ
В узле: 24
5
МЛ131-2701253
Уголок
В узле: 4
6
МЛ131-2701254
Прокладка
В узле: 4
7
M16-6Н.5.019
Гайка
В узле: 2
8
С8.01.019
Шайба
В узле: 15
9
4598166046
Шайба 8Т
В узле: 45
10
M8-6gx14.88.35.019
Болт
В узле: 45
11
354-2701104-01
Прокладка
В узле: 4
12
354-2701110-А-01
Опора
В узле: 1
13
M16-6Н.6.019
Гайка
В узле: 12
14
4598166070
Шайба 16ОТ
В узле: 24
15
M16-6gx40.88.35.019
Болт
В узле: 16
16
354-2701119
Втулка
В узле: 4
17
354-2701133
Шайба
В узле: 2
18
354-2701101-Б
Болт
В узле: 2
19
МЛ131-2701179-01
Крышка
В узле: 1
20
МЛ131-2701179
Крышка
В узле: 1
21
M16-6gx45.88.35.019
Болт
В узле: 4
22
354-2400003
Шайба
В узле: 4
23
354-2701277
Крышка
В узле: 2
24
354-2701278
Крышка
В узле: 2
25
МЛ131-2701176
Крышка
В узле: 2
26
354-2701114
Крышка
В узле: 6
27
M12-6gx30.88.35.019
Болт
В узле: 24
28
4598166068
Шайба 12ОТ
В узле: 24
29
МЛ131-2701118
Канат 18,0-Г-В-С-Н-1568
В узле: 3
30
354-2701115
Подножка
В узле: 3
31
354-2701104
Прокладка
В узле: 4
32
354-2701110-А
Опора
В узле: 1
33
4598166072
Шайба 20ОТ
В узле: 8
34
М20-6Н.6.019
Гайка
В узле: 8
35
354-2400003-01
Шайба
В узле: 12
36
M20-gx60.88.35.019
Болт
В узле: 6
37
МЛ131-2701251
Полик
В узле: 1
Содержащиеся в справочниках-каталогах запасные части и детали не предлагаются к продаже, а носят исключительно информационный характер

Ваша заявка была отправлена. В ближайшее время наши специалисты с Вами свяжутся по указанному Вами телефону.

Представьтесь
Поле обязательно для заполнения
Ваш телефон
Введите правильный номер телефона
E-mail
Введите правильный e-mail
Тема
Тема
применяемость финансирование доставка цена, наличие другое сервис и гарантия
Время для звонка
08:00
08:00 09:00 10:00 11:00 12:00 13:00 14:00 15:00 16:00 17:00 18:00 19:00
19:00
08:00 09:00 10:00 11:00 12:00 13:00 14:00 15:00 16:00 17:00 18:00 19:00

Мы постараемся перезвонить в указанное время

Если вы не хотите ждать, то звоните нашим вежливым консультантам:

8 800 100-2-700
Подтвердите, что вы не робот
Подтвердите, что вы не робот
Спасибо!

Ваше сообщение успешно отправлено!

ЗакрытьПовторить попытку