Каталог запасных частей к технике: МТЗ МЛ-131. Рама задняя с шарниром

zoom-in zoom-out enlarge shrink circle-right circle-left file-text2 info cart arraw right arraw left zoom out zoom in arraw maximize arraw minimize
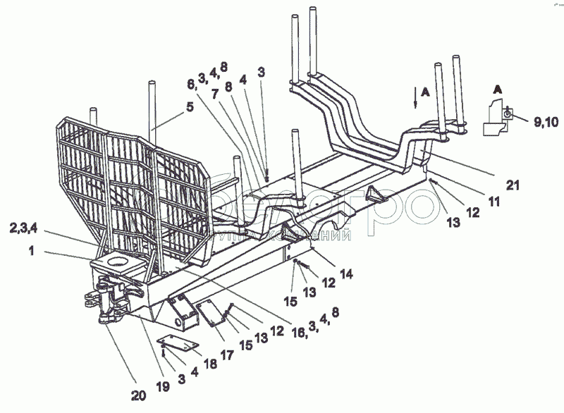
МЛ131-2704010
1
2
3
3
3
3
3
4
4
4
4
4
5
6
7
8
8
8
9
10
11
12
12
12
13
13
13
14
15
15
16
17
18
19
20
21
10
А61.07.001
Шплинт
В узле: 2
А61.07.001 Шплинт МТЗ, Под заказ 10.80 р.
9
50-4605079-Б
Шкворень
В узле: 2
50-4605079-Б Шкворень МТЗ вилки поперечины, (А) Под заказ 248.14 р.
50-4605079-Б Шкворень МТЗ вилки поперечины, ВЗТЗЧ Под заказ 514.17 р.
50-4605079-Б Шкворень МТЗ вилки поперечины, РЗТ <10 шт. 535.08 р.
МЛ131-2704010
Рама задняя с шарниром
В узле: 1
1
МЛ131-2705250
Рама задняя
В узле: 1
2
МЛ131-2705130
Стойка
В узле: 4
3
M10-6gx20.88.35.019
Болт
В узле: 48
4
4598166027
Шайба 10Т
В узле: 48
5
МЛ131-2705465
Коник
В узле: 8
6
МЛ131-2705120
Крышка
В узле: 2
7
МЛ131-2705104-Б
Крышка задняя
В узле: 1
8
С10.01.019
Шайба
В узле: 34
11
МЛ131-2705103
Кронштейн
В узле: 1
12
M8-6gx16.88.35.019
Болт
В узле: 14
13
4598166046
Шайба 8Т
В узле: 14
14
МЛ131-2705140
Поддон задний
В узле: 1
15
С8.01.019
Шайба
В узле: 12
16
МЛ131-2705101
Крышка передняя
В узле: 1
17
МЛ131-2705102
Крышка кармана
В узле: 1
18
МЛ131-2705110
Крышка нижняя
В узле: 1
19
МЛ131-2705060
Поддон передний
В узле: 1
20
МЛ131-2704085
Труба балансира
В узле: 1
21
МЛ131-2705455
Опора
В узле: 4
Содержащиеся в справочниках-каталогах запасные части и детали не предлагаются к продаже, а носят исключительно информационный характер

Ваша заявка была отправлена. В ближайшее время наши специалисты с Вами свяжутся по указанному Вами телефону.

Представьтесь
Поле обязательно для заполнения
Ваш телефон
Введите правильный номер телефона
E-mail
Введите правильный e-mail
Тема
Тема
применяемость финансирование доставка цена, наличие другое сервис и гарантия
Время для звонка
08:00
08:00 09:00 10:00 11:00 12:00 13:00 14:00 15:00 16:00 17:00 18:00 19:00
19:00
08:00 09:00 10:00 11:00 12:00 13:00 14:00 15:00 16:00 17:00 18:00 19:00

Мы постараемся перезвонить в указанное время

Если вы не хотите ждать, то звоните нашим вежливым консультантам:

8 800 100-2-700
Подтвердите, что вы не робот
Подтвердите, что вы не робот
Спасибо!

Ваше сообщение успешно отправлено!

ЗакрытьПовторить попытку