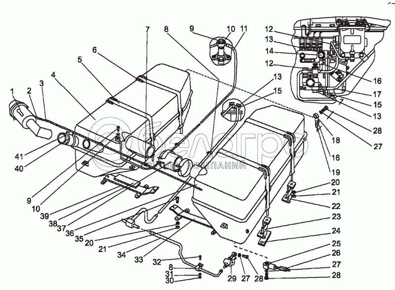
Каталог запасных частей к технике: МТЗ МЛ-131. Система топливная

zoom-in zoom-out enlarge shrink circle-right circle-left file-text2 info cart arraw right arraw left zoom out zoom in arraw maximize arraw minimize
МЛ131-1101010
1
2
3
4
5
6
7
8
8
9
9
10
10
11
12
12
13
13
13
14
15
15
16
16
17
18
19
20
20
21
21
22
23
24
25
26
27
27
27
28
28
28
29
30
31
32
33
34
35
36
37
38
39
40
41
15
Д18-055-А
Шайба
В узле: 6
Д18-055-А Кольцо уплотнительное МТЗ, ЗИЛ медное, d=14х19х1, ММЗ <10 шт. 54.66 р.
Д18-055-А кольцо медн.(диам. внутр. 14х19х1 мм) (А) >10 шт. 3.17 р.
37
70-1101035-Б
Рукав
В узле: 1
70-1101035-Б Рукав соединительный МТЗ, РФ >10 шт. 312.02 р.
70-1101035-Б Рукав соединительный МТЗ, (У) Под заказ 360.07 р.
9
36-1104787
Болт
В узле: 2
36-1104787 Болт МТЗ М10х1.0х22 обратки форсунки, САЗ* >10 шт. 55.36 р.
36-1104787 Болт МТЗ М10х1.0х22 обратки форсунки, (А) Под заказ 5.43 р.
10
36-1104788
Прокладка
В узле: 4
36-1104788 Шайба 10.0х16.0х1.5 Д-240, Д-245 уплотнительная медная, (А) Под заказ 4.43 р.
МЛ131-1101010
Система топливная
В узле: 1
1
МЛ127-1101050
Горловина заливная
В узле: 1
2
МЛ127-1101101
Рукав 14x23-16
В узле: 1
3
354-3500309-6-04
Оболочка
В узле: 1
4
МЛ131-1101020
Бак топливный
В узле: 1
5
354-110060
Хомут
В узле: 4
6
ПР36-01
Прокладка
В узле: 8
7
5298710-14
Хомутик
В узле: 2
8
70-1115012-01
Хомутик
В узле: 6
11
85-1101240
Трубка
В узле: 1
12
354-1101100
Топливопровод
В узле: 2
13
Д18-051
Болт
В узле: 2
14
Д18-0503АМ
Угольник поворотный
В узле: 1
16
ТУРБ903.201.040-2004
Хомут «НОРМА» TORRO 16-25/9-C6W
В узле: 2
17
354-1101100-01
Топливопровод
В узле: 1
18
Ш353М-1101003
Угольник
В узле: 1
19
Ш353М-1101004-01
Шланг
В узле: 1
20
4598166067
Шайба 10ОТ
В узле: 12
21
ОСТ37.001.115-75
Шайба 8Т
В узле: 16
22
354-1101003
Проушина
В узле: 4
23
ПР-43-01
Уплотнитель
В узле: 4
24
МЛ131-1101040
Фиксатор
В узле: 4
25
МЛ127-1101086
Угольник
В узле: 4
26
354-1101150
Клапан сливной
В узле: 2
27
Ал16х22х1,5МН3138-62
Прокладка
В узле: 10
28
354-1101005
Болт зажимной
В узле: 5
29
ТУРБ03973223.008-2000
Кран
В узле: 2
30
ГОСТ5915-70
Гайка М6-6Н.6.019
В узле: 4
31
С8.01.019
Шайба
В узле: 10
32
TM8-6gx16.88.35.019
Болт
В узле: 6
33
354-1101020-Б
Кронштейн
В узле: 2
34
354-1101050-Б
Топливопровод
В узле: 1
35
M10-6gx35.88.35.019
Болт
В узле: 8
36
МЛ131-1101130
Бак топливный
В узле: 1
38
80-1101012-Б
Прокладка
В узле: 8
39
354-1101040-Б
Кронштейн
В узле: 2
40
TORRO50-70/9-C6W
Хомут «НОРМА»
В узле: 4
41
МЛ131-1101101
Рукав
В узле: 1
Содержащиеся в справочниках-каталогах запасные части и детали не предлагаются к продаже, а носят исключительно информационный характер

Ваша заявка была отправлена. В ближайшее время наши специалисты с Вами свяжутся по указанному Вами телефону.

Представьтесь
Поле обязательно для заполнения
Ваш телефон
Введите правильный номер телефона
E-mail
Введите правильный e-mail
Тема
Тема
применяемость финансирование доставка цена, наличие другое сервис и гарантия
Время для звонка
08:00
08:00 09:00 10:00 11:00 12:00 13:00 14:00 15:00 16:00 17:00 18:00 19:00
19:00
08:00 09:00 10:00 11:00 12:00 13:00 14:00 15:00 16:00 17:00 18:00 19:00

Мы постараемся перезвонить в указанное время

Если вы не хотите ждать, то звоните нашим вежливым консультантам:

8 800 100-2-700
Подтвердите, что вы не робот
Подтвердите, что вы не робот
Спасибо!

Ваше сообщение успешно отправлено!

ЗакрытьПовторить попытку