Каталог запасных частей к технике: МТЗ МЛ-131. Стеклоомыватель

zoom-in zoom-out enlarge shrink circle-right circle-left file-text2 info cart arraw right arraw left zoom out zoom in arraw maximize arraw minimize
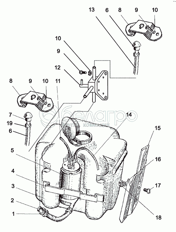
1
2
3
4
5
6
6
7
8
8
9
9
9
10
10
10
11
12
13
14
15
16
17
18
19
19
50-3407063
Хомутик
В узле: 3
50-3407063 Хомут МТЗ , БЗТДиА >10 шт. 50.75 р.
1
70-3723042-01
Втулка
В узле: 5
2
354-5208002
Трубка
В узле: 1
3
АДЮИ062841.001
Бачок в сборе
В узле: 1
4
АДЮИ7454670-001
Пружина
В узле: 1
5
АДЮИ062821-001
Насос стеклоомывателя
В узле: 1
6
354-5208002-01
Трубка
В узле: 1
7
АДЮИ306.549-001
Жиклер
В узле: 2
8
80-5208011-А
Фланец
В узле: 2
9
BM6x16.6g.58.019
Винт
В узле: 6
10
6916245
Шайба 6Т
В узле: 6
11
80-3724300-А
Жгут
В узле: 1
12
МЛ127-5208030
Кран
В узле: 1
13
354-5208002-02
Трубка
В узле: 1
14
80В-3724310-05Т
Провод
В узле: 1
15
АДЮИ734331.001
Кронштейн
В узле: 1
16
4598166045
Шайба 6Т
В узле: 2
17
BM4x8.6g.58.019
Винт
В узле: 2
18
М4-6Н.6.019
Гайка
В узле: 2
Содержащиеся в справочниках-каталогах запасные части и детали не предлагаются к продаже, а носят исключительно информационный характер

Ваша заявка была отправлена. В ближайшее время наши специалисты с Вами свяжутся по указанному Вами телефону.

Представьтесь
Поле обязательно для заполнения
Ваш телефон
Введите правильный номер телефона
E-mail
Введите правильный e-mail
Тема
Тема
применяемость финансирование доставка цена, наличие другое сервис и гарантия
Время для звонка
08:00
08:00 09:00 10:00 11:00 12:00 13:00 14:00 15:00 16:00 17:00 18:00 19:00
19:00
08:00 09:00 10:00 11:00 12:00 13:00 14:00 15:00 16:00 17:00 18:00 19:00

Мы постараемся перезвонить в указанное время

Если вы не хотите ждать, то звоните нашим вежливым консультантам:

8 800 100-2-700
Подтвердите, что вы не робот
Подтвердите, что вы не робот
Спасибо!

Ваше сообщение успешно отправлено!

ЗакрытьПовторить попытку