Каталог запасных частей к технике: МТЗ МЛ-131. Установка датчика

zoom-in zoom-out enlarge shrink circle-right circle-left file-text2 info cart arraw right arraw left zoom out zoom in arraw maximize arraw minimize
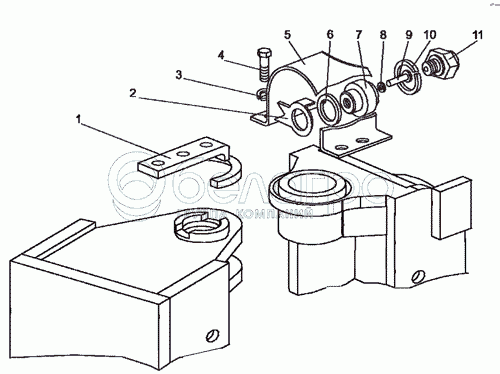
МЛ131-8700020-Б
1
2
3
4
5
6
7
8
9
10
11
МЛ131-8700020-Б
Установка датчика
В узле: 1
1
МЛ131-8700040
Кулачок
В узле: 1
2
МЛ131-8700026
Шайба
В узле: 1
3
4598166046
Шайба 8Т
В узле: 4
4
M8-6gx14.88.35.019
Болт
В узле: 4
5
МЛ131-8700023-В
Кожух
В узле: 1
6
50-1702048
Прокладка
В узле: 10
7
МЛ131-8700030-Б
Переходник
В узле: 1
8
005-008-19-2-2
Кольцо
В узле: 4
9
354-8700027
Толкатель
В узле: 1
10
4598166070
Шайба 16ОТ
В узле: 1
11
ВК12-31
Выключатель
В узле: 1
Содержащиеся в справочниках-каталогах запасные части и детали не предлагаются к продаже, а носят исключительно информационный характер

Ваша заявка была отправлена. В ближайшее время наши специалисты с Вами свяжутся по указанному Вами телефону.

Представьтесь
Поле обязательно для заполнения
Ваш телефон
Введите правильный номер телефона
E-mail
Введите правильный e-mail
Тема
Тема
применяемость финансирование доставка цена, наличие другое сервис и гарантия
Время для звонка
08:00
08:00 09:00 10:00 11:00 12:00 13:00 14:00 15:00 16:00 17:00 18:00 19:00
19:00
08:00 09:00 10:00 11:00 12:00 13:00 14:00 15:00 16:00 17:00 18:00 19:00

Мы постараемся перезвонить в указанное время

Если вы не хотите ждать, то звоните нашим вежливым консультантам:

8 800 100-2-700
Подтвердите, что вы не робот
Подтвердите, что вы не робот
Спасибо!

Ваше сообщение успешно отправлено!

ЗакрытьПовторить попытку