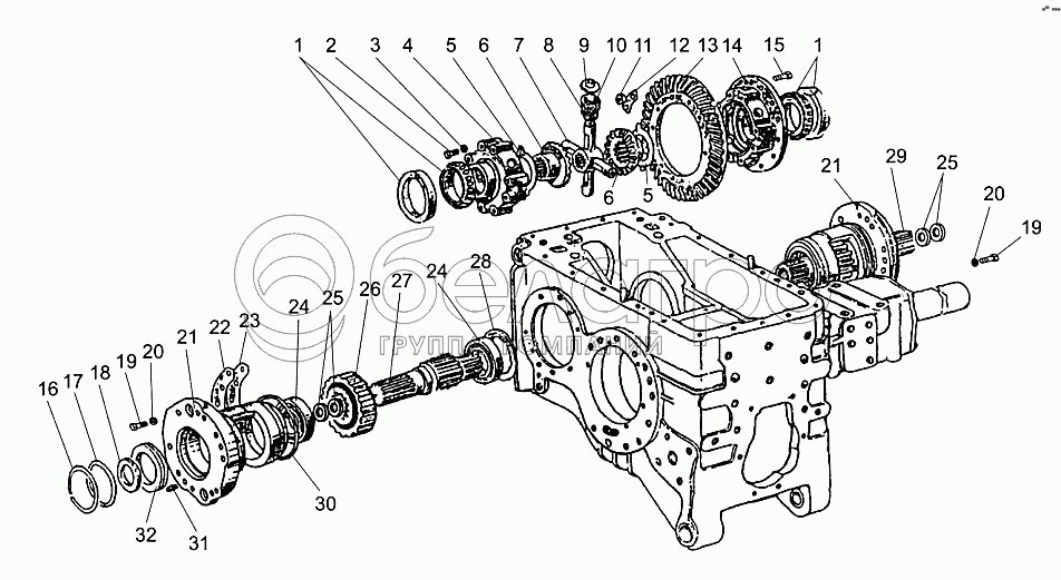
Каталог запасных частей к технике: МТЗ МЛПТ-344. Дифференциал. Стаканы
1
1
2
3
4
5
5
6
6
7
8
9
10
11
12
13
14
15
16
17
18
19
19
20
20
21
21
22
23
24
24
25
25
26
27
28
29
30
31
32
|
15
50-1702092
Болт призонный М12х42
В узле: 12
|
|||||||||||||||||||||||||||||||||||||||||||||||||||||||||||||||||||||||||||||||||||||||
| 50-1702092 Болт МТЗ, САЗ* |
|
Под заказ | 67.77 р. | ||||||||||||||||||||||||||||||||||||||||||||||||||||||||||||||||||||||||||||||||||||
|
12
50-2403023
Пластина стопорная
В узле: 6
|
|||||||||||||||||||||||||||||||||||||||||||||||||||||||||||||||||||||||||||||||||||||||
| 50-2403023 Пластина стопорная МТЗ |
|
Под заказ | 50.75 р. | ||||||||||||||||||||||||||||||||||||||||||||||||||||||||||||||||||||||||||||||||||||
|
19
1221-2407505
Болт
В узле: 24
|
|||||||||||||||||||||||||||||||||||||||||||||||||||||||||||||||||||||||||||||||||||||||
| 1221-2407505 Болт МТЗ |
|
Под заказ | 607.94 р. | ||||||||||||||||||||||||||||||||||||||||||||||||||||||||||||||||||||||||||||||||||||
|
30
205-210-36-1-4
Кольцо
В узле: 2
|
|||||||||||||||||||||||||||||||||||||||||||||||||||||||||||||||||||||||||||||||||||||||
| 205-210-36-1-4 Кольцо уплотнительное, Беларусь |
|
Под заказ | 144.57 р. | ||||||||||||||||||||||||||||||||||||||||||||||||||||||||||||||||||||||||||||||||||||
|
28
1221-2407043
Кольцо
В узле: 2
|
|||||||||||||||||||||||||||||||||||||||||||||||||||||||||||||||||||||||||||||||||||||||
| 1221-2407043 Кольцо дифференциала МТЗ моста заднего |
|
<10 шт. | 633.30 р. | ||||||||||||||||||||||||||||||||||||||||||||||||||||||||||||||||||||||||||||||||||||
|
31
50-1601352
Штифт
В узле: 4
|
|||||||||||||||||||||||||||||||||||||||||||||||||||||||||||||||||||||||||||||||||||||||
| 50-1601352 Штифт установочный МТЗ (d=14мм, l=40мм), САЗ |
|
Под заказ | 44.47 р. | ||||||||||||||||||||||||||||||||||||||||||||||||||||||||||||||||||||||||||||||||||||
|
5
1220-2403049
Шайба опорная
В узле: 2
|
|||||||||||||||||||||||||||||||||||||||||||||||||||||||||||||||||||||||||||||||||||||||
| 1220-2403049 Шайба МТЗ дифференциала моста заднего |
|
Под заказ | 865.33 р. | ||||||||||||||||||||||||||||||||||||||||||||||||||||||||||||||||||||||||||||||||||||
|
6
1522-2403048
Шестерня полуосевая
В узле: 2
|
|||||||||||||||||||||||||||||||||||||||||||||||||||||||||||||||||||||||||||||||||||||||
| 1522-2403048 Шестерня МТЗ полуосевая, z=24, МЗШ |
|
<10 шт. | 3 736.99 р. | ||||||||||||||||||||||||||||||||||||||||||||||||||||||||||||||||||||||||||||||||||||
|
26
1221-2407052
Шестерня
В узле: 2
|
|||||||||||||||||||||||||||||||||||||||||||||||||||||||||||||||||||||||||||||||||||||||
| 1221-2407052 Шестерня корпуса МТЗ моста заднего z=27, МЗШ |
|
<10 шт. | 6 433.15 р. | ||||||||||||||||||||||||||||||||||||||||||||||||||||||||||||||||||||||||||||||||||||
|
22
1221-2407056
Прокладка (0,5 mm)
В узле: ---
|
|||||||||||||||||||||||||||||||||||||||||||||||||||||||||||||||||||||||||||||||||||||||
| 1221-2407056 Прокладка МТЗ регулировочная дифференциала заднего моста (0,5мм) |
|
Под заказ | 55.25 р. | ||||||||||||||||||||||||||||||||||||||||||||||||||||||||||||||||||||||||||||||||||||
|
29
1221-2407053-01
Вал
В узле: 1
|
|||||||||||||||||||||||||||||||||||||||||||||||||||||||||||||||||||||||||||||||||||||||
| 1221-2407053-01 Вал МТЗ моста заднего, правый |
|
<10 шт. | 7 211.88 р. | ||||||||||||||||||||||||||||||||||||||||||||||||||||||||||||||||||||||||||||||||||||
|
1221-2407060
Стакан левый
В узле: ---
|
|||||||||||||||||||||||||||||||||||||||||||||||||||||||||||||||||||||||||||||||||||||||
| 1221-2407060 стакан |
|
<10 шт. | 37 091.50 р. | ||||||||||||||||||||||||||||||||||||||||||||||||||||||||||||||||||||||||||||||||||||
|
1221-2407060-01
Стакан правый
В узле: ---
|
|||||||||||||||||||||||||||||||||||||||||||||||||||||||||||||||||||||||||||||||||||||||
| 1221-2407060-01 стакан правый |
|
<10 шт. | 34 730.17 р. | ||||||||||||||||||||||||||||||||||||||||||||||||||||||||||||||||||||||||||||||||||||
|
27
1221-2407053
Вал
В узле: 1
|
|||||||||||||||||||||||||||||||||||||||||||||||||||||||||||||||||||||||||||||||||||||||
| 1221-2407053 Вал МТЗ моста заднего, левый |
|
Под заказ | 7 871.89 р. | ||||||||||||||||||||||||||||||||||||||||||||||||||||||||||||||||||||||||||||||||||||
Содержащиеся в справочниках-каталогах запасные части и детали не предлагаются к продаже, а носят исключительно информационный характер