Каталог запасных частей к технике: МТЗ МЛПТ-344. Электрооборудование двигателя

zoom-in zoom-out enlarge shrink circle-right circle-left file-text2 info cart arraw right arraw left zoom out zoom in arraw maximize arraw minimize
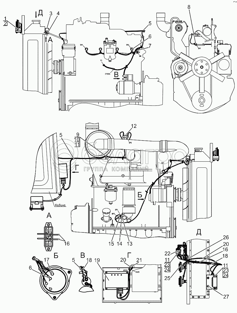
1
2
3
4
5
5
5
6
6
7
8
8
9
10
11
11
11
12
13
14
14
15
16
16
17
18
18
19
20
20
21
22
23
23
24
24
25
26
27
3
БП-3
Блок предохранителей
В узле: 1
БП-3 Блок МТЗ предохранительный, (А) >10 шт. 216.05 р.
БП-3 Блок МТЗ предохранительный, Беларусь Под заказ 299.86 р.
14
ДАДМ-03
Датчик
В узле: ---
ДАДМ-03 Датчик МТЗ аварийного давления масла(АДЮИ.407529.001-03), Беларусь Под заказ 488.57 р.
ДАДМ-03 Датчик МТЗ аварийного давления масла, (А) >10 шт. 53.04 р.
8
ДАТЖ
Датчик аварийной температуры
В узле: ---
ДАТЖ Датчик температуры аварийный жидкости, (А) Под заказ 171.16 р.
ДАТЖ Датчик температуры аварийный жидкости (АДЮИ.407529.004), Беларусь Под заказ 668.35 р.
7
ДУТЖ-02М
Датчик указателя температуры
В узле: 1
ДУТЖ-02М Датчик МТЗ указателя температуры (штыревая колодка), (А) Под заказ 165.71 р.
ДУТЖ-02М Датчик МТЗ, МАЗ указателя температуры (штыревая колодка), Беларусь Под заказ 850.49 р.
22
11.3722
Блок предохранителей
В узле: ---
11.3722 Блок предохранителей МТЗ, МАЗ, РФ <10 шт. 444.68 р.
13
80-3829002
Штуцер
В узле: 1
80-3829002 Штуцер МТЗ, БЗТДиА Под заказ 212.32 р.
12
ДСФ-65
Датчик засоренности воздуха
В узле: 1
ДСФ-65 Датчик сигнализатора МАЗ, АМКОДОР засоренности фильтра воздушного, Беларусь Под заказ 611.03 р.
344-3700020
Электрооборудование
В узле: ---
1
M8-6gx16.88.35.019
Болт
В узле: 2
2
4598166046
Шайба 8Т
В узле: 2
4
354М1-3723013
Кронштейн
В узле: 1
5
80-3723045
Манжета
В узле: 15
6
М2-14.13.238
Чехол
В узле: 5
8
ТМ111-02
Датчик
В узле: ---
9
52.98.710-12
Хомутик
В узле: 1
10
М6-6gх12.88.35.019
Болт ГОСТ 7796-70
В узле: 1
11
4598166045
Шайба 6Т
В узле: 5
14
ММ111Д-3810600-01
Датчик аварийного давления
В узле: ---
15
ДД-6М
Датчик давления
В узле: ---
16
344-3724610
Жгут 61
В узле: 1
17
ТМ-59-6000-38
Наконечник резиновый
В узле: 1
18
344-3724240
Жгут 24
В узле: 1
19
344-3831500
Блок аппаратуры
В узле: 1
20
344-3724010
Жгут 1
В узле: 1
21
344-3724020
Жгут 2
В узле: 1
23
В.М6-6gх16.58.019
Винт
В узле: 2
24
М6-6Н.6.019
Гайка
В узле: 2
25
20.3721-01
Прибор звуковой сигнализации
В узле: 2
26
353-3703012
Втулка
В узле: 1
27
М8-6Н.6.019
Гайка
В узле: 2
Содержащиеся в справочниках-каталогах запасные части и детали не предлагаются к продаже, а носят исключительно информационный характер

Ваша заявка была отправлена. В ближайшее время наши специалисты с Вами свяжутся по указанному Вами телефону.

Представьтесь
Поле обязательно для заполнения
Ваш телефон
Введите правильный номер телефона
E-mail
Введите правильный e-mail
Тема
Тема
применяемость финансирование доставка цена, наличие другое сервис и гарантия
Время для звонка
08:00
08:00 09:00 10:00 11:00 12:00 13:00 14:00 15:00 16:00 17:00 18:00 19:00
19:00
08:00 09:00 10:00 11:00 12:00 13:00 14:00 15:00 16:00 17:00 18:00 19:00

Мы постараемся перезвонить в указанное время

Если вы не хотите ждать, то звоните нашим вежливым консультантам:

8 800 100-2-700
Подтвердите, что вы не робот
Подтвердите, что вы не робот
Спасибо!

Ваше сообщение успешно отправлено!

ЗакрытьПовторить попытку