Каталог запасных частей к технике: МТЗ МЛПТ-344. Облицовка. Установка боковин

zoom-in zoom-out enlarge shrink circle-right circle-left file-text2 info cart arraw right arraw left zoom out zoom in arraw maximize arraw minimize
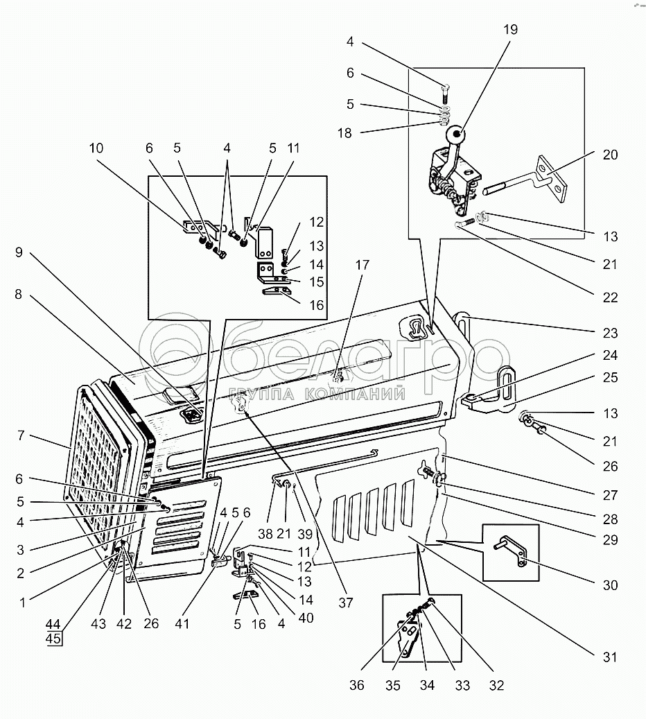
1
2
3
4
4
4
4
4
5
5
5
5
5
5
6
6
6
6
7
8
9
10
11
11
12
12
13
13
13
13
14
14
15
16
16
17
18
19
20
21
21
21
22
23
24
25
26
26
27
28
29
30
31
32
33
34
35
36
37
38
39
40
41
42
43
44
45
19
80-8402410
Замок
В узле: 1
80-8402410 Замок капота МТЗ, Беларусь >10 шт. 455.63 р.
37
90-8400070
Тяга
В узле: 1
90-8400070 Тяга Под заказ 563.87 р.
344-8402100-Б
Установка боковин
В узле: 1
344-8400010-Б
Облицовка
В узле: ---
1
М10-6gх20.88.35.019
Болт
В узле: 4
2
МЛ127-8402025
Боковина
В узле: 1
3
МЛ127-8402025-01
Боковина
В узле: 1
4
М6-6gх16.88.35.019
Болт
В узле: 16
5
4598166045
Шайба 6Т
В узле: 16
6
С.6.01.019
Шайба
В узле: 16
7
МЛ131-8401005
Ограждение
В узле: 1
8
344-8402020-Б
Капот
В узле: 1
9
90-8400012-Б
Кронштейн
В узле: 1
10
90-8401050
Кронштейн правый
В узле: 1
11
90-8402075
Фиксатор
В узле: 2
12
М8-6gх30.88.35.019
Болт
В узле: 4
13
4598166046
Шайба 8Т
В узле: 4
14
354-8402102
Шайба
В узле: 4
15
90-8401031
Кронштейн левый
В узле: 1
16
МЛ127-8402102
Пластина
В узле: 2
17
90-8400021
Зажим
В узле: 1
18
М6-6Н.6.019
Гайка
В узле: 2
20
344-8402015
Кронштейн
В узле: 1
21
С.8.01.019
Шайба
В узле: 11
22
М8-6gх16.88.35.019
Болт
В узле: 2
23
344-8400013-Б
Кронштейн
В узле: 1
24
500А-8507096
Заглушка
В узле: 2
25
344-8400013-Б-01
Кронштейн
В узле: 1
26
М8-6gх20.88.35.019
Болт
В узле: 8
27
2x16.019
Шплинт
В узле: 4
28
МЛ131-8402140
Зажим
В узле: 1
29
344-8402110-Б
Боковина
В узле: 1
30
344-8402120-Б
Опора
В узле: 1
31
344-8402105-Б
Боковина
В узле: 1
32
М12-6gх65.88.35.019
Болт
В узле: 1
33
С.12.01.019
Шайба
В узле: 1
34
4598166068
Шайба 12ОТ
В узле: 1
35
344-8402115-Б
Опора
В узле: 1
36
М12-6Н.6.019
Гайка
В узле: 1
38
549А-1305044
Кольцо
В узле: 1
39
3,2x25.019
Шплинт
В узле: 1
40
90-8401050-01
Кронштейн левый
В узле: 1
41
90-8401031-01
Кронштейн правый
В узле: 1
42
С.10.01.019
Шайба
В узле: 4
43
4598166067
Шайба 10ОТ
В узле: 4
44
344-2701133
Платик
В узле: 1
45
344-2701133-01
Платик
В узле: 1
Содержащиеся в справочниках-каталогах запасные части и детали не предлагаются к продаже, а носят исключительно информационный характер

Ваша заявка была отправлена. В ближайшее время наши специалисты с Вами свяжутся по указанному Вами телефону.

Представьтесь
Поле обязательно для заполнения
Ваш телефон
Введите правильный номер телефона
E-mail
Введите правильный e-mail
Тема
Тема
применяемость финансирование доставка цена, наличие другое сервис и гарантия
Время для звонка
08:00
08:00 09:00 10:00 11:00 12:00 13:00 14:00 15:00 16:00 17:00 18:00 19:00
19:00
08:00 09:00 10:00 11:00 12:00 13:00 14:00 15:00 16:00 17:00 18:00 19:00

Мы постараемся перезвонить в указанное время

Если вы не хотите ждать, то звоните нашим вежливым консультантам:

8 800 100-2-700
Подтвердите, что вы не робот
Подтвердите, что вы не робот
Спасибо!

Ваше сообщение успешно отправлено!

ЗакрытьПовторить попытку