Каталог запасных частей к технике: МТЗ МЛПТ-344. Регулятор давления

zoom-in zoom-out enlarge shrink circle-right circle-left file-text2 info cart arraw right arraw left zoom out zoom in arraw maximize arraw minimize
1
2
3
4
5
6
6
7
8
9
10
11
12
13
14
15
16
16
17
18
18
18
19
20
21
21
22
23
24
25
26
27
28
29
30
31
32
33
34
35
36
37
38
39
40
41
42
43
44
45
46
47
48
49
50
51
52
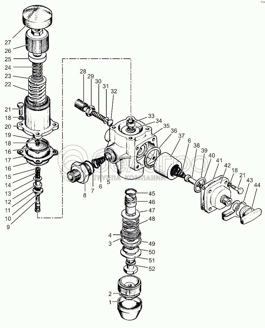
80-3512010
Регулятор давления
В узле: ---
80-3512010 Регулятор давления тормозов МТЗ (А29.51.000) (А) Под заказ 2 307.53 р.
80-3512010 Регулятор давления тормозов МТЗ (А29.51.000) Под заказ 7 103.39 р.
30
80-3512116
Пружина
В узле: 1
80-3512116 пружина Под заказ 42.72 р.
80-3512020
Клапан в сборе
В узле: 1
80-3512030
Диафрагма в сборе
В узле: 1
1
80-3512101
Насадка
В узле: 1
2
80-3512102
Крышка
В узле: 1
3
036-040-25-2-2
Кольцо
В узле: 1
4
80-3512113
Прокладка
В узле: 1
5
80-3512110
Клапан
В узле: 1
6
80-3512131
Пружина
В узле: 2
7
024-028-25-1-4
Кольцо
В узле: 1
8
80-3512111
Штуцер
В узле: 1
9
80-3512038
Золотник
В узле: 1
10
007-010-19-2-4
Кольцо
В узле: 1
11
80-3512037
Клапан
В узле: 1
12
80-3512036
Втулка
В узле: 1
13
80-3512039
Шайба
В узле: 1
14
80-3512034
Пружина
В узле: 1
15
80-3512033
Прокладка
В узле: 1
16
80-3512032
Шайба
В узле: 2
17
80-3512050
Диафрагма
В узле: 1
18
4598166045
Шайба 6Т
В узле: 9
19
М6-6Н.6.019
Гайка
В узле: 1
20
80-3512106
Корпус
В узле: 1
21
M6-6gx20.58.35.019
Болт
В узле: 8
22
80-3512104
Пружина
В узле: 1
23
80-3512109
Шайба
В узле: 1
24
80-3512105
Пружина
В узле: 1
25
80-3512109-01
Колпачок
В узле: 1
26
80-3512107
Крышка
В узле: 1
27
80-3512108
Колпак
В узле: 1
28
80-3512134
Винт
В узле: 1
29
80-3512115
Гайка
В узле: 1
31
80-3512129
Шайба
В узле: 1
32
80-3512130
Клапан
В узле: 1
33
80-3512103
Седло
В узле: 1
34
80-3512133
Прокладка
В узле: 1
35
80-3512040
Корпус
В узле: 1
36
80-3512127
Прокладка
В узле: 1
37
80-3512119
Фильтр
В узле: 1
38
80-3512122
Толкатель
В узле: 1
39
024-030-36-2-3
Кольцо
В узле: 1
40
006-010-25-1-4
Кольцо
В узле: 1
41
80-3512125
Прокладка
В узле: 1
42
80-3512123
Крышка
В узле: 1
43
105.069.05.006
Лента
В узле: 1
44
105.069.05.005
Гайка
В узле: 1
45
016-020-25-1-4
Кольцо
В узле: 1
46
80-3512028
Поршень
В узле: 1
47
80-3512027
Шайба
В узле: 1
48
80-3512026
Пружина
В узле: 1
49
80-3512022
Седло
В узле: 1
50
80-3512023
Втулка
В узле: 1
51
80-3512021
Шайба
В узле: 1
52
80-3512024
Стержень
В узле: 1
Содержащиеся в справочниках-каталогах запасные части и детали не предлагаются к продаже, а носят исключительно информационный характер

Ваша заявка была отправлена. В ближайшее время наши специалисты с Вами свяжутся по указанному Вами телефону.

Представьтесь
Поле обязательно для заполнения
Ваш телефон
Введите правильный номер телефона
E-mail
Введите правильный e-mail
Тема
Тема
применяемость финансирование доставка цена, наличие другое сервис и гарантия
Время для звонка
08:00
08:00 09:00 10:00 11:00 12:00 13:00 14:00 15:00 16:00 17:00 18:00 19:00
19:00
08:00 09:00 10:00 11:00 12:00 13:00 14:00 15:00 16:00 17:00 18:00 19:00

Мы постараемся перезвонить в указанное время

Если вы не хотите ждать, то звоните нашим вежливым консультантам:

8 800 100-2-700
Подтвердите, что вы не робот
Подтвердите, что вы не робот
Спасибо!

Ваше сообщение успешно отправлено!

ЗакрытьПовторить попытку