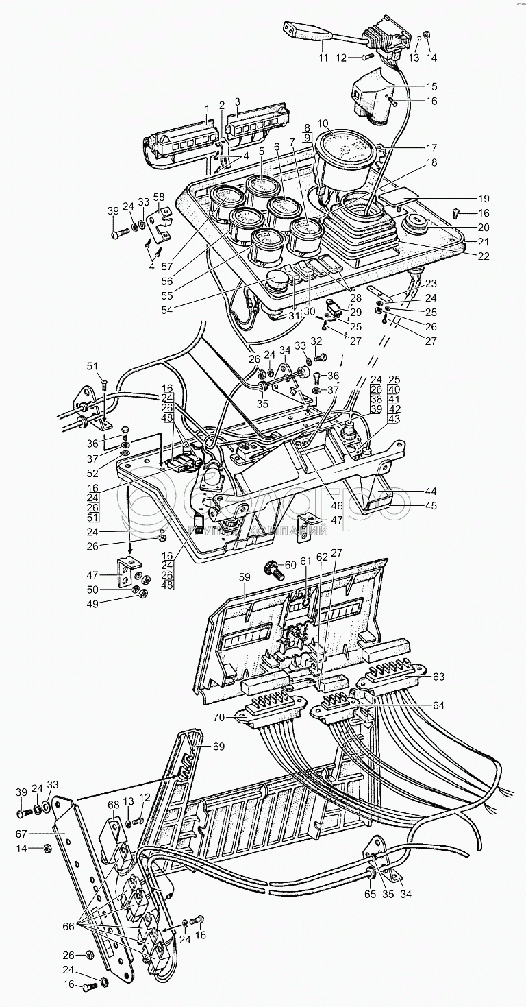
Каталог запасных частей к технике: МТЗ МЛПТ-344. Щиток приборов. Панели. Основание. Крышка
1
2
3
4
4
5
6
7
8
9
10
11
12
12
13
13
14
14
15
16
16
16
16
16
16
16
17
18
19
20
21
22
23
24
24
24
24
24
24
24
24
24
24
24
25
25
25
26
26
26
26
26
26
26
26
27
27
27
28
29
30
31
32
33
33
33
34
34
35
35
36
36
37
37
38
39
39
39
40
41
42
43
44
45
46
47
47
48
48
49
50
51
51
52
54
55
56
57
58
59
60
61
62
63
64
65
66
67
68
69
70
|
63
БП-1
Блок предохранителей
В узле: 1
|
|||||||||||||||||||||||||||||||||||||||||||||||||||||||||||||||||||||||||||||||||||||||
| БП-1 Блок МТЗ предохранительный, (А) |
|
>10 шт. | 215.33 р. | ||||||||||||||||||||||||||||||||||||||||||||||||||||||||||||||||||||||||||||||||||||
| БП-1 Блок МТЗ предохранительный, Беларусь |
|
Под заказ | 350.95 р. | ||||||||||||||||||||||||||||||||||||||||||||||||||||||||||||||||||||||||||||||||||||
|
64
БП-6
Блок предохранителей
В узле: 1
|
|||||||||||||||||||||||||||||||||||||||||||||||||||||||||||||||||||||||||||||||||||||||
| БП-6 Блок МТЗ предохранительный, (А) |
|
>10 шт. | 223.61 р. | ||||||||||||||||||||||||||||||||||||||||||||||||||||||||||||||||||||||||||||||||||||
| БП-6 Блок МТЗ предохранительный, Беларусь |
|
Под заказ | 268.66 р. | ||||||||||||||||||||||||||||||||||||||||||||||||||||||||||||||||||||||||||||||||||||
|
70
БП-2
Блок предохранителей
В узле: ---
|
|||||||||||||||||||||||||||||||||||||||||||||||||||||||||||||||||||||||||||||||||||||||
| БП-2 Блок МТЗ предохранительный, (А) |
|
>10 шт. | 215.33 р. | ||||||||||||||||||||||||||||||||||||||||||||||||||||||||||||||||||||||||||||||||||||
| БП-2 Блок МТЗ предохранительный, Беларусь |
|
Под заказ | 338.35 р. | ||||||||||||||||||||||||||||||||||||||||||||||||||||||||||||||||||||||||||||||||||||
|
8
А12-1
Лампа
В узле: 1
|
|||||||||||||||||||||||||||||||||||||||||||||||||||||||||||||||||||||||||||||||||||||||
| Лампа А12-1 (B9s/14) (1 конт) |
|
>10 шт. | 11.58 р. | ||||||||||||||||||||||||||||||||||||||||||||||||||||||||||||||||||||||||||||||||||||
|
15
80-3709023-В
Кожух
В узле: 1
|
|||||||||||||||||||||||||||||||||||||||||||||||||||||||||||||||||||||||||||||||||||||||
| 80-3709023-В Кожух МТЗ переключателя ПКП, Беларусь |
|
>10 шт. | 50.39 р. | ||||||||||||||||||||||||||||||||||||||||||||||||||||||||||||||||||||||||||||||||||||
|
11
ПКП-1
Переключатель подрулевой
В узле: 1
|
|||||||||||||||||||||||||||||||||||||||||||||||||||||||||||||||||||||||||||||||||||||||
| ПКП-1 переключатель поворота МТЗ (3912.3769-03) |
|
Под заказ | 1 602.21 р. | ||||||||||||||||||||||||||||||||||||||||||||||||||||||||||||||||||||||||||||||||||||
| ПКП-1 Переключатель поворота МТЗ, SPILE |
|
Под заказ | 342.37 р. | ||||||||||||||||||||||||||||||||||||||||||||||||||||||||||||||||||||||||||||||||||||
| ПКП-1 переключатель (3912.3769-01) н/о |
|
Под заказ | 1 602.21 р. | ||||||||||||||||||||||||||||||||||||||||||||||||||||||||||||||||||||||||||||||||||||
|
54
245.3710
Выключатель аварийный
В узле: 1
|
|||||||||||||||||||||||||||||||||||||||||||||||||||||||||||||||||||||||||||||||||||||||
| 245.3710 Выключатель МТЗ, аварийной сигнализации (кнопка аварийки), РФ |
|
Под заказ | 431.97 р. | ||||||||||||||||||||||||||||||||||||||||||||||||||||||||||||||||||||||||||||||||||||
|
51
738.3747-30
Реле стартера
В узле: 1
|
|||||||||||||||||||||||||||||||||||||||||||||||||||||||||||||||||||||||||||||||||||||||
| 738.3747-30 Реле стартера МТЗ, 12в (35.3787-30), РФ |
|
Под заказ | 176.47 р. | ||||||||||||||||||||||||||||||||||||||||||||||||||||||||||||||||||||||||||||||||||||
|
66
90.3747
Реле
В узле: 5
|
|||||||||||||||||||||||||||||||||||||||||||||||||||||||||||||||||||||||||||||||||||||||
| 90.3747 Реле МТЗ 12 В, (А) |
|
>10 шт. | 82.89 р. | ||||||||||||||||||||||||||||||||||||||||||||||||||||||||||||||||||||||||||||||||||||
| 90.3747 Реле МТЗ 12 В |
|
Под заказ | 126.45 р. | ||||||||||||||||||||||||||||||||||||||||||||||||||||||||||||||||||||||||||||||||||||
|
68
ЭРП-1
Прерыватель указателей поворота
В узле: 1
|
|||||||||||||||||||||||||||||||||||||||||||||||||||||||||||||||||||||||||||||||||||||||
| ЭРП-1 реле поворотов (8586.6/0031) |
|
Под заказ | 948.81 р. | ||||||||||||||||||||||||||||||||||||||||||||||||||||||||||||||||||||||||||||||||||||
|
30
П150М-14.10
Переключатель
В узле: 1
|
|||||||||||||||||||||||||||||||||||||||||||||||||||||||||||||||||||||||||||||||||||||||
| П150М-14.10 Переключатель клавишный стеклоомывателя ветрового стекла МТЗ, (А) |
|
Под заказ | 74.74 р. | ||||||||||||||||||||||||||||||||||||||||||||||||||||||||||||||||||||||||||||||||||||
|
28
80-3801327
Заглушка
В узле: 2
|
|||||||||||||||||||||||||||||||||||||||||||||||||||||||||||||||||||||||||||||||||||||||
| 80-3801327 Заглушка МТЗ |
|
<10 шт. | 84.80 р. | ||||||||||||||||||||||||||||||||||||||||||||||||||||||||||||||||||||||||||||||||||||
|
69
80-3805041
Стенка
В узле: 1
|
|||||||||||||||||||||||||||||||||||||||||||||||||||||||||||||||||||||||||||||||||||||||
| 80-3805041 Стенка МТЗ, Беларусь |
|
<10 шт. | 348.86 р. | ||||||||||||||||||||||||||||||||||||||||||||||||||||||||||||||||||||||||||||||||||||
|
21
80-3805021-01
Щиток
В узле: 1
|
|||||||||||||||||||||||||||||||||||||||||||||||||||||||||||||||||||||||||||||||||||||||
| 80-3805021-01 Щиток |
|
Под заказ | 590.10 р. | ||||||||||||||||||||||||||||||||||||||||||||||||||||||||||||||||||||||||||||||||||||
|
59
80-3805061
Крышка
В узле: 1
|
|||||||||||||||||||||||||||||||||||||||||||||||||||||||||||||||||||||||||||||||||||||||
| 80-3805061 Крышка МТЗ (стенка) |
|
Под заказ | 543.55 р. | ||||||||||||||||||||||||||||||||||||||||||||||||||||||||||||||||||||||||||||||||||||
|
22
80-3805012
Уплотнитель
В узле: 1
|
|||||||||||||||||||||||||||||||||||||||||||||||||||||||||||||||||||||||||||||||||||||||
| 80-3805012 Чехол рулевого колеса МТЗ, (У) |
|
Под заказ | 315.82 р. | ||||||||||||||||||||||||||||||||||||||||||||||||||||||||||||||||||||||||||||||||||||
|
29
733.3747
Реле
В узле: 1
|
|||||||||||||||||||||||||||||||||||||||||||||||||||||||||||||||||||||||||||||||||||||||
| 733.3747 Реле-сигнализатор (зуммер) (РС 508,473.3787) РФ |
|
<10 шт. | 252.67 р. | ||||||||||||||||||||||||||||||||||||||||||||||||||||||||||||||||||||||||||||||||||||
|
60
80-3805065
Винт
В узле: 1
|
|||||||||||||||||||||||||||||||||||||||||||||||||||||||||||||||||||||||||||||||||||||||
| 80-3805065 Винт МТЗ, Беларусь |
|
Под заказ | 24.19 р. | ||||||||||||||||||||||||||||||||||||||||||||||||||||||||||||||||||||||||||||||||||||
|
67
80-3805070
Панель
В узле: 1
|
|||||||||||||||||||||||||||||||||||||||||||||||||||||||||||||||||||||||||||||||||||||||
| 80-3805070 Панель МТЗ |
|
Под заказ | 302.18 р. | ||||||||||||||||||||||||||||||||||||||||||||||||||||||||||||||||||||||||||||||||||||
Содержащиеся в справочниках-каталогах запасные части и детали не предлагаются к продаже, а носят исключительно информационный характер