Каталог запасных частей к технике: МТЗ МЛПТ-354М. Электрооборудование

zoom-in zoom-out enlarge shrink circle-right circle-left file-text2 info cart arraw right arraw left zoom out zoom in arraw maximize arraw minimize
354М1-3700020
1
2
2
3
3
3
4
5
6
6
6
7
8
9
10
10
10
11
12
13
14
14
15
16
16
16
16
16
17
17
17
18
19
20
21
22
23
24
25
26
27
28
29
30
31
32
32
33
34
35
36
36
37
38
38
39
40
40
41
41
41
42
43
43
44
44
45
46
22
3703.3712
Фонарь передний
В узле: 2
3703.3712 фонарь передний многофункц (001) Под заказ 321.43 р.
3703.3712 Фонарь передний МТЗ, Беларусь >10 шт. 645.90 р.
4
85-3712045
Кожух правый
В узле: 1
85-3712045 Кожух правый МТЗ переднего фонаря Под заказ 458.85 р.
42
111.3714
Плафон
В узле: 2
111.3714 Плафон МТЗ освещения кабины 12В (2612.3714), Беларусь <10 шт. 579.26 р.
36
80-3801342
Щиток
В узле: 1
80-3801342 Щиток МТЗ, Беларусь Под заказ 174.48 р.
14
85-3712045-01
Кожух левый
В узле: 1
85-3712045-01 Кожух левый МТЗ переднего фонаря Под заказ 458.85 р.
35
80-3801327
Заглушка
В узле: 1
80-3801327 Заглушка МТЗ Под заказ 84.80 р.
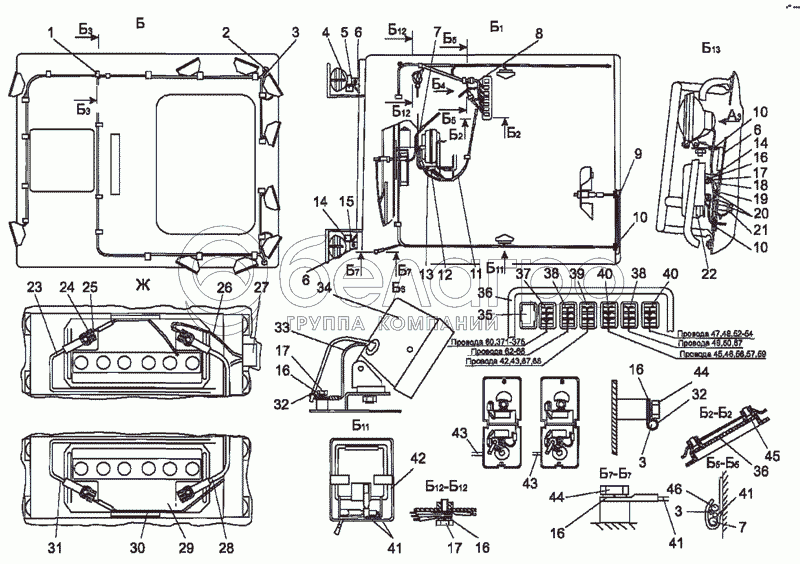
354М1-3700020
Электрооборудование
В узле: 1
1
МЛ131-3723061
Поясок крепления провода
В узле: 30
2
70-3723042-02
Втулка
В узле: 11
2
50-3723025
Втулка защитная
В узле: 11
3
МЛ131-3724095
Жгут
В узле: 1
5
85-3712041
Кронштейн правый
В узле: 1
6
Л82-3711011
Кронштейн
В узле: 2
7
МЛ131-3724065
Жгут 6
В узле: 1
8
МЛ131-3724210
Жгут 10
В узле: 1
9
МЛ131-3724380
Провод 380
В узле: 1
10
70-3723042-01
Втулка
В узле: 15
11
МЛ131-3724120
Жгут 12
В узле: 1
12
Сопротивление 11.3729
Сопротивление добавочное
В узле: 1
13
4x10.019
Шуруп
В узле: 1
15
85-3712041-01
Кронштейн левый
В узле: 1
16
4598166045
Шайба 6Т
В узле: 72
17
М6-6gх16.88.35.019
Болт
В узле: 42
18
М6-6Н.6.019
Гайка
В узле: 24
19
М8-6gх16.88.35.019
Болт
В узле: 6
20
4598166046
Шайба 8Т
В узле: 10
21
M8-6gx75.88.35.019
Болт
В узле: 2
23
354М-3724130
Провод 13
В узле: 1
24
M8-6gx30.88.35.019
Болт
В узле: 4
25
М8-6Н.6.019
Гайка
В узле: 23
26
354М-3724460
Провод 460
В узле: 1
27
354М-3724550
Провод 55
В узле: 1
28
354М-3724480
Провод 480
В узле: 1
29
354М-3703410
Фонари задние
В узле: 1
30
354М-3724475
Провод 475
В узле: 1
31
354М-3724140
Провод 14
В узле: 1
32
52.98710-03
Хомутик
В узле: 4
33
МЛ131-3724220
Провод 22
В узле: 10
34
8703.302/1-01
Фара
В узле: 1
37
П147М-09.09
Переключатель
В узле: 1
38
П147M-04.11
Переключатель
В узле: 1
39
650.00.00/R
Выключатель
В узле: 2
40
П147М-04.29
Переключатель
В узле: 2
41
МЛ131-3724185
Жгут 8
В узле: 1
43
354-3724005
Жгут 5
В узле: 1
44
М6-6gх12.88.35.019
Болт ГОСТ 7796-70
В узле: 30
45
B.M6-6gx12.58.019
Винт
В узле: 7
46
МЛ131-3724045
Жгут 4
В узле: 1
Содержащиеся в справочниках-каталогах запасные части и детали не предлагаются к продаже, а носят исключительно информационный характер

Ваша заявка была отправлена. В ближайшее время наши специалисты с Вами свяжутся по указанному Вами телефону.

Представьтесь
Поле обязательно для заполнения
Ваш телефон
Введите правильный номер телефона
E-mail
Введите правильный e-mail
Тема
Тема
применяемость финансирование доставка цена, наличие другое сервис и гарантия
Время для звонка
08:00
08:00 09:00 10:00 11:00 12:00 13:00 14:00 15:00 16:00 17:00 18:00 19:00
19:00
08:00 09:00 10:00 11:00 12:00 13:00 14:00 15:00 16:00 17:00 18:00 19:00

Мы постараемся перезвонить в указанное время

Если вы не хотите ждать, то звоните нашим вежливым консультантам:

8 800 100-2-700
Подтвердите, что вы не робот
Подтвердите, что вы не робот
Спасибо!

Ваше сообщение успешно отправлено!

ЗакрытьПовторить попытку