Каталог запасных частей к технике: МТЗ МЛПТ-354М. Гидропривод

zoom-in zoom-out enlarge shrink circle-right circle-left file-text2 info cart arraw right arraw left zoom out zoom in arraw maximize arraw minimize
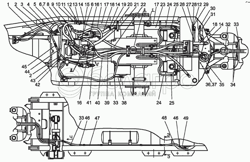
354М1-3400010
1
1
2
2
3
4
5
6
6
7
8
9
10
11
12
12
13
14
14
14
15
16
16
17
17
18
18
19
20
21
22
23
24
24
25
25
26
27
28
29
30
31
32
33
33
33
34
35
36
37
38
39
40
41
42
43
44
45
46
46
47
48
49
354М1-3400010
Гидропривод
В узле: 1
1
354-3400022
Рукав
В узле: 4
2
ПН.036.83.090
Рукав высокого давления
В узле: 2
3
4598166070
Шайба 16ОТ
В узле: 2
4
M16-6gx32.88.35.019
Болт
В узле: 2
5
МЛ131-3400470-01
Рукав высокого давления
В узле: 1
6
4598166067
Шайба 10ОТ
В узле: 21
7
M10-6gx20.88.35.019
Болт
В узле: 4
8
МЛ131-3400020-01
Рукав
В узле: 1
9
МЛ131-3400470-02
Рукав высокого давления
В узле: 3
10
25-40/9-C6W
Хомут NORMA TORRO
В узле: 6
11
МЛ131-3400350-Б
Колодка
В узле: 1
12
4598166046
Шайба 8Т
В узле: 28
13
M8-6gx50.88.35.019
Болт
В узле: 2
14
32-50/9-C6W
Хомут NORMA TORRO
В узле: 10
15
M10-6gx35.88.35.019
Болт
В узле: 8
16
МЛ127-3400018
Рукав
В узле: 2
17
МЛ131-3400034-04
Рукав
В узле: 2
18
МЛ131-3400034
Рукав
В узле: 2
19
354М1-3400060
Разветвитель
В узле: 1
20
МЛ131-3400034-03
Рукав
В узле: 1
21
50-70/9-C6W
Хомут NORMA TORRO
В узле: 4
22
МЛ131-3400470-05
Рукав высокого давления
В узле: 1
23
МЛ131-3400043-03
Рукав
В узле: 1
24
680-4607140-14
Рукав высокого давления
В узле: 2
25
354-3410059
Бирка маркировочная
В узле: 16
26
434-3400400-02
Рукав высокого давления
В узле: 1
27
354-3400044
Прокладка
В узле: 1
28
354М1-3400070
Крышка
В узле: 1
29
M8-6gx20.8.35.019
Болт
В узле: 20
30
Н.036.12.010
Заглушка
В узле: 2
31
394-3400095
Трубопровод
В узле: 1
32
SSK50
Оплетка
В узле: 1
33
354-3405011-01
Рукав
В узле: 2
34
ПН.036.83.110
Рукав высокого давления
В узле: 4
35
МЛ127С-3400026
Пластина
В узле: 2
36
M6-6gx16.88.35.019
Болт
В узле: 4
37
4598166045
Шайба 6Т
В узле: 6
38
МЛ127-3400445
Трубопровод
В узле: 1
39
МЛ131-3400020-01
Рукав
В узле: 2
40
354-3400022
Рукав
В узле: 4
41
394-3400090
Тройник
В узле: 1
42
16-25/9-C6W
Хомут «Норма»
В узле: 3
43
МЛ131-3400065
Тройник
В узле: 1
44
354-3500303Б-05
Шланг
В узле: 1
45
Н.036.02.002
Штуцер
В узле: 1
46
12-20/9-C6W
Хомут NORMA TORRO
В узле: 9
47
354М1-3400011
Труба
В узле: 1
48
354-3405011-02
Рукав
В узле: 1
49
354-3400345
Трубопровод
В узле: 1
Содержащиеся в справочниках-каталогах запасные части и детали не предлагаются к продаже, а носят исключительно информационный характер

Ваша заявка была отправлена. В ближайшее время наши специалисты с Вами свяжутся по указанному Вами телефону.

Представьтесь
Поле обязательно для заполнения
Ваш телефон
Введите правильный номер телефона
E-mail
Введите правильный e-mail
Тема
Тема
применяемость финансирование доставка цена, наличие другое сервис и гарантия
Время для звонка
08:00
08:00 09:00 10:00 11:00 12:00 13:00 14:00 15:00 16:00 17:00 18:00 19:00
19:00
08:00 09:00 10:00 11:00 12:00 13:00 14:00 15:00 16:00 17:00 18:00 19:00

Мы постараемся перезвонить в указанное время

Если вы не хотите ждать, то звоните нашим вежливым консультантам:

8 800 100-2-700
Подтвердите, что вы не робот
Подтвердите, что вы не робот
Спасибо!

Ваше сообщение успешно отправлено!

ЗакрытьПовторить попытку