Каталог запасных частей к технике: МТЗ МЛПТ-354М. Коробка переда

zoom-in zoom-out enlarge shrink circle-right circle-left file-text2 info cart arraw right arraw left zoom out zoom in arraw maximize arraw minimize
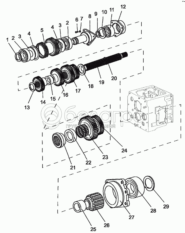
МЛ127-1700010
1
2
2
3
3
4
4
5
6
7
8
9
10
11
12
13
14
15
16
17
18
19
20
21
22
23
24
25
26
27
28
29
18
50-1701183
Шайба упорная
В узле: 1
50-1701183 Шайба МТЗ, (А) >10 шт. 149.85 р.
50-1701183 Шайба МТЗ Под заказ 373.83 р.
10
2С90
Кольцо
В узле: 1
2С90 Кольцо (915219) ГОСТ 13941-86, МТЗ >10 шт. 108.03 р.
3
70-1721318
Шайба маслоотражательная
В узле: 2
70-1721318 Шайба МТЗ КПП Под заказ 127.73 р.
20
50-1701187
Упор
В узле: 1
50-1701187 Упор МТЗ Под заказ 95.97 р.
5
50-1721041
Шестерня
В узле: 1
50-1721041 Шестерня МТЗ повышения редуктора , МЗШ <10 шт. 9 127.17 р.
МЛ127-1700010
Коробка передач
В узле: 1
1
2С60
Кольцо
В узле: 1
2
212АУШ1
Подшипник
В узле: 2
4
2С110
Кольцо
В узле: 2
6
M10-6gx35.88.35.019
Болт
В узле: 17
7
4598166067
Шайба 10ОТ
В узле: 35
8
МЛ127-1701175
Опора
В узле: 1
9
С40
Кольцо
В узле: 2
11
53608
Подшипник
В узле: 2
12
МЛ127-1701014
Гнездо
В узле: 1
13
МЛ127-1701022
Шайба упорная
В узле: 1
14
МЛ127-1701019
Шестерня
В узле: 1
15
МЛ127-1701013
Втулка
В узле: 1
16
МЛ127-1701216
Шестерня
В узле: 1
17
МЛ127-1701060-Б
Шестерня
В узле: 1
19
МЛ127-1701011
Вал промежуточный
В узле: 1
21
МЛ127-1701055-Б
Втулка
В узле: 1
22
МЛ127-170157
Втулка
В узле: 1
23
3КК72х82х45Е
Подшипник
В узле: 1
24
МЛ127-1701056-Б
Шестерня
В узле: 1
25
МЛ127-1701012
Втулка
В узле: 1
26
МЛ127-1701098
Шестерня
В узле: 1
27
МЛ127-1701316
Стакан
В узле: 1
28
53610Н
Подшипник
В узле: 1
29
2С50
Кольцо
В узле: 1
Содержащиеся в справочниках-каталогах запасные части и детали не предлагаются к продаже, а носят исключительно информационный характер

Ваша заявка была отправлена. В ближайшее время наши специалисты с Вами свяжутся по указанному Вами телефону.

Представьтесь
Поле обязательно для заполнения
Ваш телефон
Введите правильный номер телефона
E-mail
Введите правильный e-mail
Тема
Тема
применяемость финансирование доставка цена, наличие другое сервис и гарантия
Время для звонка
08:00
08:00 09:00 10:00 11:00 12:00 13:00 14:00 15:00 16:00 17:00 18:00 19:00
19:00
08:00 09:00 10:00 11:00 12:00 13:00 14:00 15:00 16:00 17:00 18:00 19:00

Мы постараемся перезвонить в указанное время

Если вы не хотите ждать, то звоните нашим вежливым консультантам:

8 800 100-2-700
Подтвердите, что вы не робот
Подтвердите, что вы не робот
Спасибо!

Ваше сообщение успешно отправлено!

ЗакрытьПовторить попытку