Каталог запасных частей к технике: МТЗ МЛПТ-354М. Облицовка

zoom-in zoom-out enlarge shrink circle-right circle-left file-text2 info cart arraw right arraw left zoom out zoom in arraw maximize arraw minimize
МЛ127-8400010
1
2
3
4
4
5
5
5
5
6
6
6
6
6
6
7
7
7
7
7
7
8
8
9
10
10
11
11
11
11
12
12
13
14
14
15
16
17
18
19
19
19
20
20
21
22
23
24
25
26
27
28
29
30
31
32
33
34
35
36
37
38
39
40
41
42
43
44
45
17
80-8402410
Замок
В узле: 1
80-8402410 Замок капота МТЗ, Беларусь >10 шт. 455.63 р.
34
90-8400070
Тяга
В узле: 1
90-8400070 Тяга Под заказ 563.87 р.
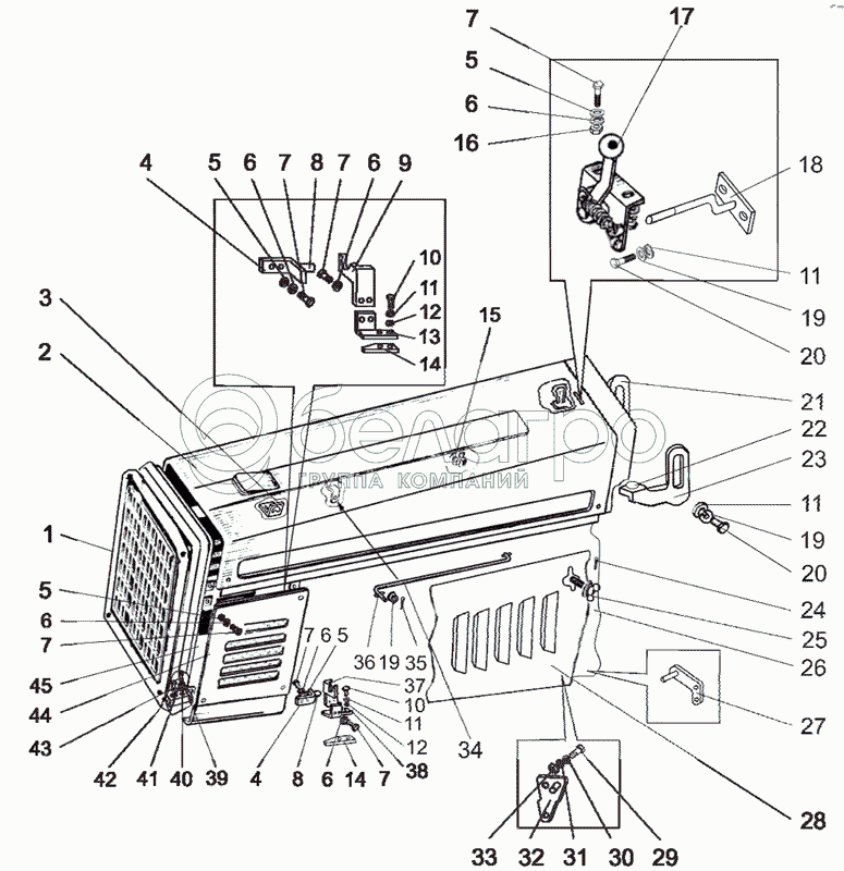
МЛ127-8400010
Облицовка
В узле: 1
1
МЛ131-8401005
Ограждение
В узле: 1
2
МЛ127-8402020
Капот
В узле: 1
3
90-8400012
Кронштейн
В узле: 1
4
90-8402075
Фиксатор
В узле: 2
5
С6.01.019
Шайба
В узле: 16
6
4598166045
Шайба 6Т
В узле: 16
9
90-8401050
Кронштейн правый
В узле: 1
8
90-8402056
Втулка
В узле: 2
10
M8-6gx25.88.35.019
Болт
В узле: 4
11
4598166046
Шайба 8Т
В узле: 4
12
354-8402102
Шайба
В узле: 4
13
90-8401031
Кронштейн левый
В узле: 1
14
МЛ127-8402102
Пластина
В узле: 2
15
70-3801029
Зажим
В узле: 1
16
М6-6Н.6.019
Гайка
В узле: 2
18
354-8402015
Кронштейн
В узле: 1
19
С8.01.019
Шайба
В узле: 7
20
М8-6gх16.88.35.019
Болт
В узле: 6
21
МЛ127-8400011-Б
Опора
В узле: 1
22
500А-8507096
Заглушка
В узле: 1
23
МЛ127-8400011-01
Опора
В узле: 1
24
2x16.019
Шплинт
В узле: 4
25
МЛ131-8402140
Зажим
В узле: 1
26
МЛ127-8402110-Б
Боковина
В узле: 1
27
90-8401065
Опора
В узле: 1
28
МЛ127-8402105-Б
Боковина
В узле: 1
29
M12-6gx65.88.35.019
Болт
В узле: 1
30
С12.01.019
Шайба
В узле: 1
31
4598166068
Шайба 12ОТ
В узле: 1
32
90-8401060
Опора
В узле: 1
33
М12-6Н.6.019
Гайка
В узле: 1
35
3,2x25.019
Шплинт
В узле: 1
36
549-1305044
Прокладка
В узле: 1
37
90-8401050-01
Кронштейн левый
В узле: 1
38
90-8401031-01
Кронштейн правый
В узле: 1
39
M10-6gx20.88.35.019
Болт
В узле: 4
40
С10.01.019
Шайба
В узле: 4
41
4598166067
Шайба 10ОТ
В узле: 4
42
МЛ127-8400012
Платик
В узле: 1
43
B.M8-6gx25.58.019
Винт
В узле: 4
44
МЛ127-8402025
Боковина
В узле: 1
45
МЛ127-8402025-01
Боковина
В узле: 1
Содержащиеся в справочниках-каталогах запасные части и детали не предлагаются к продаже, а носят исключительно информационный характер

Ваша заявка была отправлена. В ближайшее время наши специалисты с Вами свяжутся по указанному Вами телефону.

Представьтесь
Поле обязательно для заполнения
Ваш телефон
Введите правильный номер телефона
E-mail
Введите правильный e-mail
Тема
Тема
применяемость финансирование доставка цена, наличие другое сервис и гарантия
Время для звонка
08:00
08:00 09:00 10:00 11:00 12:00 13:00 14:00 15:00 16:00 17:00 18:00 19:00
19:00
08:00 09:00 10:00 11:00 12:00 13:00 14:00 15:00 16:00 17:00 18:00 19:00

Мы постараемся перезвонить в указанное время

Если вы не хотите ждать, то звоните нашим вежливым консультантам:

8 800 100-2-700
Подтвердите, что вы не робот
Подтвердите, что вы не робот
Спасибо!

Ваше сообщение успешно отправлено!

ЗакрытьПовторить попытку