Каталог запасных частей к технике: МТЗ МЛПТ-354М. Щиток приборов

zoom-in zoom-out enlarge shrink circle-right circle-left file-text2 info cart arraw right arraw left zoom out zoom in arraw maximize arraw minimize
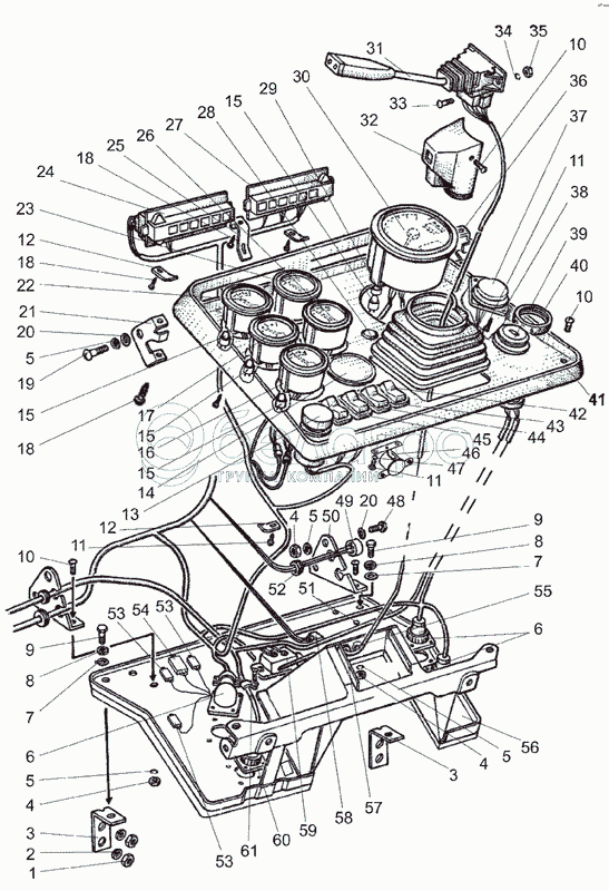
354М-3805645
1
2
3
3
4
4
4
5
5
5
5
6
6
7
7
8
8
9
9
10
10
10
11
11
11
12
12
13
14
15
15
15
15
16
17
18
18
18
19
20
20
21
22
23
24
25
26
27
28
29
30
31
32
33
34
35
36
37
38
39
40
41
42
42
43
44
45
46
47
48
49
50
51
52
53
53
53
54
55
56
57
58
59
60
61
31
ПКП-1
Переключатель подрулевой
В узле: 1
ПКП-1 переключатель поворота МТЗ (3912.3769-03) <10 шт. 1 556.27 р.
ПКП-1 Переключатель поворота МТЗ, SPILE Под заказ 341.23 р.
ПКП-1 переключатель (3912.3769-01) н/о <10 шт. 1 556.27 р.
13
245.3710
Выключатель аварийный
В узле: 1
245.3710 Выключатель МТЗ, аварийной сигнализации (кнопка аварийки), РФ <10 шт. 518.94 р.
53
90.3747
Реле
В узле: 1
90.3747 Реле МТЗ 12 В, (А) >10 шт. 82.61 р.
90.3747 Реле МТЗ 12 В >10 шт. 119.93 р.
54
732.3747
Реле стартера
В узле: 1
732.3747 Реле стартера (РС-523,47.3787), РФ >10 шт. 183.46 р.
44
П150М-14.10
Переключатель
В узле: 1
П150М-14.10 Переключатель клавишный стеклоомывателя ветрового стекла МТЗ, (А) Под заказ 75 р.
40
80-3805014
Гайка
В узле: 1
80-3805014 Гайка МТЗ Под заказ 8.46 р.
46
733.3747
Реле
В узле: 1
733.3747 Реле-сигнализатор (зуммер) (РС 508,473.3787) РФ Под заказ 242.62 р.
15
А12-4-1
Лампа
В узле: 7
Лампа А12-4-1 (1конт) Под заказ 13.08 р.
42
П147-01.17
Переключатель
В узле: 1
П147-01.17 Переключатель-клавиша без символа, РФ Под заказ 134.34 р.
354М-3805645
Щиток приборов
В узле: 1
1
М10-6Н.6.019
Гайка
В узле: 4
2
4598166067
Шайба 10ОТ
В узле: 4
3
80-3805030
Кронштейн
В узле: 2
4
ОСТ37.001.115-75
Шайба 8Т
В узле: 21
5
4598166045
Шайба 6Т
В узле: 24
6
С11136У15Г
Розетка
В узле: 3
7
С8.01.019
Шайба
В узле: 2
8
4598166046
Шайба 8Т
В узле: 2
9
M8-6gx16.88.35.019
Болт
В узле: 2
10
BM6-6gx12.58.019
Винт
В узле: 11
11
4x10.019
Шуруп
В узле: 6
12
80-3723026
Скоба
В узле: 4
14
80-3805028
Заглушка
В узле: 1
16
ЭИ8006-2
Указатель напряжения
В узле: 1
17
ЭИ8007-2
Указатель топлива
В узле: 1
18
4x16.01.019
Шуруп
В узле: 6
19
B.M6-6gx18.58.019
Винт
В узле: 5
20
С6.01.019
Шайба
В узле: 7
21
80-3805035-01
Кронштейн левый
В узле: 1
22
ЭИ8008-2
Указатель температуры
В узле: 1
23
ЭИ8009-8
Указатель давления масла
В узле: 1
24
БКЛ.3803
Блок ламп
В узле: 1
25
80-3805015
Кронштейн
В узле: 1
26
ЭИ8009-11
Указатель давления воздуха
В узле: 1
27
БКЛ.3803-01
Блок ламп
В узле: 1
28
80-3805064
Заглушка
В узле: 1
29
1111158
Патрон лампы
В узле: 1
30
ЭТСМ-41
Тахоспидометр
В узле: 1
32
80-3709023В
Кожух
В узле: 1
33
BM5-6gx12.58.019
Винт
В узле: 2
34
4598166044
Шайба 5Т
В узле: 3
35
М5-6Н.6.019
Гайка ГОСТ 5915-70
В узле: 3
36
80-3805035
Кронштейн правый
В узле: 1
37
ПД50В-Э
Элемент контрольный
В узле: 1
38
80-3805022
Кронштейн
В узле: 1
39
1202.3704-03
Выключатель стартера и приборов
В узле: 1
41
80-380502101
Щиток
В узле: 1
42
ВК343-01.17
Выключатель
В узле: 1
43
П150М-19.44
Переключатель
В узле: 1
45
П147М-04.29
Переключатель
В узле: 1
47
С4.01.019
Шайба
В узле: 1
48
M6-6gx16.88.35.019
Болт
В узле: 1
49
РС492
Реле-прерыватель контрольной лампы ручного тормоза
В узле: 1
50
80-3805043
Кронштейн
В узле: 1
51
354-3831220
Плата
В узле: 1
52
70-3723042-01
Втулка
В узле: 1
55
П14.3723
Панель
В узле: 1
56
МЛ131-3805540
Основание
В узле: 1
57
50-4607064
Втулка
В узле: 1
58
602606
Колодка гнездовая
В узле: 1
59
СДО.06
Сопротивление добавочное
В узле: 1
60
СШ28П4Г-4
Розетка
В узле: 1
61
80-3723036
Скоба
В узле: 1
Содержащиеся в справочниках-каталогах запасные части и детали не предлагаются к продаже, а носят исключительно информационный характер

Ваша заявка была отправлена. В ближайшее время наши специалисты с Вами свяжутся по указанному Вами телефону.

Представьтесь
Поле обязательно для заполнения
Ваш телефон
Введите правильный номер телефона
E-mail
Введите правильный e-mail
Тема
Тема
применяемость финансирование доставка цена, наличие другое сервис и гарантия
Время для звонка
08:00
08:00 09:00 10:00 11:00 12:00 13:00 14:00 15:00 16:00 17:00 18:00 19:00
19:00
08:00 09:00 10:00 11:00 12:00 13:00 14:00 15:00 16:00 17:00 18:00 19:00

Мы постараемся перезвонить в указанное время

Если вы не хотите ждать, то звоните нашим вежливым консультантам:

8 800 100-2-700
Подтвердите, что вы не робот
Подтвердите, что вы не робот
Спасибо!

Ваше сообщение успешно отправлено!

ЗакрытьПовторить попытку