Каталог запасных частей к технике: МТЗ МЛПТ-354М. Система отопления

zoom-in zoom-out enlarge shrink circle-right circle-left file-text2 info cart arraw right arraw left zoom out zoom in arraw maximize arraw minimize
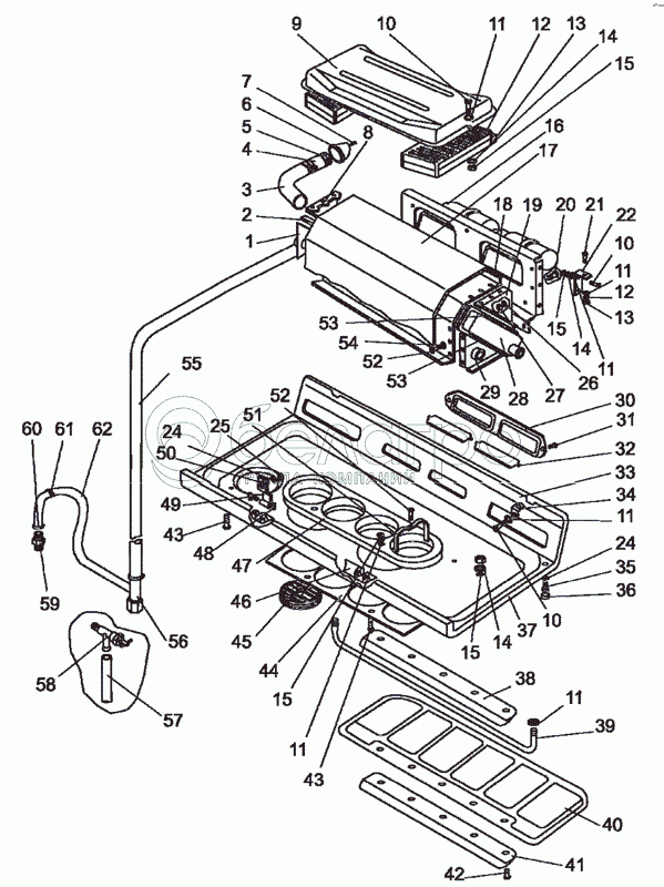
МЛ131-8101700
1
2
3
4
5
6
7
8
9
10
10
10
11
11
11
11
11
11
12
12
13
13
14
14
14
15
15
15
15
16
17
18
19
20
21
22
24
24
25
26
27
28
29
30
31
32
33
34
35
36
37
38
39
40
41
42
43
43
44
45
46
47
48
49
50
51
52
52
53
53
54
55
56
57
58
59
60
61
62
36
А30.04.017-01
Колпачок
В узле: 2
А30.04.017-01 Колпачок МТЗ, Беларусь >10 шт. 4.45 р.
12
80-8104070
Фильтр
В узле: 2
80-8104070 Фильтр воздушный МТЗ кабины Под заказ 541.32 р.
80-8104070 Фильтр воздушный МТЗ кабины/(4701М Difa) Под заказ 834.50 р.
32
80-8100012
Заслонка
В узле: 2
80-8100012 Заслонка МТЗ, Беларусь Под заказ 29.20 р.
56
80-8100050
Кран
В узле: 1
80-8100050 Кран МТЗ отопителя Под заказ 351.50 р.
59
80-8100023
Штуцер
В узле: 1
80-8100023 Штуцер системы охлаждения МТЗ, САЗ Под заказ 77.33 р.
40
70-8204011-А
Козырек
В узле: 1
70-8204011-А Козырек МТЗ солнцезащитный, Беларусь <10 шт. 230.74 р.
45
1522-8104100
Дефлектор
В узле: 4
1522-8104100 Дефлектор МТЗ Под заказ 438.62 р.
34
70-6702111
Угольник
В узле: 2
70-6702111 Уголок МТЗ пола кабины Под заказ 120.12 р.
9
80-8101760
Крышка
В узле: 1
80-8101760 Крышка отопителя МТЗ Под заказ 2 556.06 р.
МЛ131-8101700
Система отопления
В узле: 1
1
МЛ131-8101105-01
Стенка
В узле: 1
2
МЛ131-8101811-01
Уплотнитель
В узле: 2
4
1,02114E+11
Воздуховод
В узле: 2
5
50-70/9-C6W
Хомут NORMA TORRO
В узле: 8
6
2,01576E+11
Дефлектор
В узле: 2
7
4x10.019
Шуруп
В узле: 6
8
1522-8101101-01
Косынка
В узле: 1
10
M6-6gx16.88.35.019
Болт
В узле: 8
11
С6.01.019
Шайба
В узле: 14
13
80-8101714-04
Уплотнитель
В узле: 2
14
4598166045
Шайба 6Т
В узле: 8
15
М6-6Н.5.019
Гайка
В узле: 12
16
ЭВИ-12-1-02
Вентилятор
В узле: 1
17
1522-8101105
Обивка
В узле: 1
18
1522-8104104
Крышка
В узле: 1
19
1522-8101101
Косынка
В узле: 1
20
B.M5-6gx10.58.019
Винт
В узле: 6
21
M8-6gx16.88.35.019
Болт
В узле: 2
22
80-8101201
Кронштейн
В узле: 2
23
С8.01.019
Шайба
В узле: 6
24
4598166046
Шайба 8Т
В узле: 6
25
М8-6Н.6.019
Гайка
В узле: 4
26
4598166044
Шайба 5Т
В узле: 6
27
М5-6Н.6.019
Гайка ГОСТ 5915-70
В узле: 6
28
1522-8101060
Радиатор
В узле: 1
29
МЛ131-8101105
Стенка
В узле: 1
30
80-8100011-Б
Крышка
В узле: 1
31
B.M6-6gx16.58.019
Винт
В узле: 3
33
МЛ131-8100100
Панель
В узле: 1
35
M8-6gx20.88.35.019
Болт
В узле: 2
37
80-8101713
Обивка
В узле: 1
38
70-8204015
Держатель
В узле: 1
39
80П-8204011-01
Ось
В узле: 1
41
70-8204014
Держатель
В узле: 1
42
B.M4-6gx8.58.019
Винт
В узле: 5
43
B.M6-6gx20.58.019
Винт
В узле: 6
44
80-8101813
Рамка
В узле: 1
46
80-8100092
Уплотнитель
В узле: 2
47
МЛ127-8101811-02
Уплотнитель
В узле: 1
48
2x12.019
Шплинт
В узле: 2
49
50-8400031
Ось
В узле: 2
50
80-8100048
Петля
В узле: 1
51
1522-8104105
Скоба
В узле: 4
52
2-4x16.019
Шуруп
В узле: 16
53
МЛ131-8101811
Уплотнитель
В узле: 4
54
С5.01.019
Шайба
В узле: 12
55
МЛ127-8101702-02
Шланг
В узле: 2
57
МЛ127-8101702
Шланг
В узле: 1
58
ВС-11
Кран
В узле: 1
60
0-32/9-C6W
Хомут «Норма» TORRO 2
В узле: 8
61
МЛ127-8101702-01
Шланг
В узле: 1
62
80-3723045-01
Манжета
В узле: 1
Содержащиеся в справочниках-каталогах запасные части и детали не предлагаются к продаже, а носят исключительно информационный характер

Ваша заявка была отправлена. В ближайшее время наши специалисты с Вами свяжутся по указанному Вами телефону.

Представьтесь
Поле обязательно для заполнения
Ваш телефон
Введите правильный номер телефона
E-mail
Введите правильный e-mail
Тема
Тема
применяемость финансирование доставка цена, наличие другое сервис и гарантия
Время для звонка
08:00
08:00 09:00 10:00 11:00 12:00 13:00 14:00 15:00 16:00 17:00 18:00 19:00
19:00
08:00 09:00 10:00 11:00 12:00 13:00 14:00 15:00 16:00 17:00 18:00 19:00

Мы постараемся перезвонить в указанное время

Если вы не хотите ждать, то звоните нашим вежливым консультантам:

8 800 100-2-700
Подтвердите, что вы не робот
Подтвердите, что вы не робот
Спасибо!

Ваше сообщение успешно отправлено!

ЗакрытьПовторить попытку