Каталог запасных частей к технике: МТЗ МЛПТ-354М. Трансмиссия

zoom-in zoom-out enlarge shrink circle-right circle-left file-text2 info cart arraw right arraw left zoom out zoom in arraw maximize arraw minimize
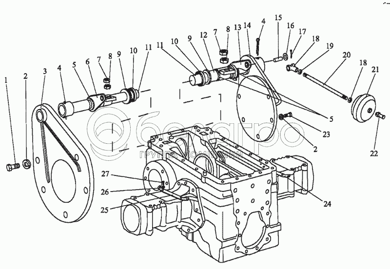
1
2
2
3
4
4
5
5
6
7
7
8
8
9
9
10
10
11
11
12
13
14
15
16
17
18
18
19
20
21
22
23
24
25
26
27
9
50-3503071
Шайба
В узле: 6
50-3503071 Шайба МТЗ тормозного валика Под заказ 38.20 р.
1
354-3500018-01
Болт
В узле: 5
2
4598166068
Шайба 12ОТ
В узле: 45
3
354-3500020
Опора левая
В узле: 1
4
5x50.019
Шплинт
В узле: 2
5
354-3500013
Шайба
В узле: 20
6
354-3500050-Б
Рычаг
В узле: 1
7
M12x1.25.04.019
Гайка
В узле: 2
19
М12х1,25-6Н.6.019
Гайка
В узле: 6
10
2.2-25x42-1
Манжета
В узле: 2
11
354-3500011-Б
Ось
В узле: 2
12
354-3500009
Втулка
В узле: 1
13
354-350050-Б-01
Рычаг
В узле: 1
14
354-3502010-Б
Тормоз
В узле: 2
15
МЛ127-3500006
Ось
В узле: 2
16
С12.01.019
Шайба
В узле: 2
17
3,2x18.019
Шплинт
В узле: 2
18
70-3514022
Вилка
В узле: 2
20
МЛ127-3500031
Тяга
В узле: 2
21
18.3519110-01
Камера тормозная
В узле: 2
22
МЛ127-3500330
Штуцер
В узле: 2
23
М12-6gх120.58.019
Болт
В узле: 5
24
МЛ127-1101011
Кронштейн
В узле: 1
25
МЛ127-1101011-01
Кронштейн
В узле: 1
26
4598166071
Шайба 180Т ОСТ 37.00.115-70
В узле: 6
27
M18-6gx55.88.35.019
Болт
В узле: 4
Содержащиеся в справочниках-каталогах запасные части и детали не предлагаются к продаже, а носят исключительно информационный характер

Ваша заявка была отправлена. В ближайшее время наши специалисты с Вами свяжутся по указанному Вами телефону.

Представьтесь
Поле обязательно для заполнения
Ваш телефон
Введите правильный номер телефона
E-mail
Введите правильный e-mail
Тема
Тема
применяемость финансирование доставка цена, наличие другое сервис и гарантия
Время для звонка
08:00
08:00 09:00 10:00 11:00 12:00 13:00 14:00 15:00 16:00 17:00 18:00 19:00
19:00
08:00 09:00 10:00 11:00 12:00 13:00 14:00 15:00 16:00 17:00 18:00 19:00

Мы постараемся перезвонить в указанное время

Если вы не хотите ждать, то звоните нашим вежливым консультантам:

8 800 100-2-700
Подтвердите, что вы не робот
Подтвердите, что вы не робот
Спасибо!

Ваше сообщение успешно отправлено!

ЗакрытьПовторить попытку