Каталог запасных частей к технике: МТЗ МПТ-461.1. ПЛ9-4200000 Электросистема

zoom-in zoom-out enlarge shrink circle-right circle-left file-text2 info cart arraw right arraw left zoom out zoom in arraw maximize arraw minimize
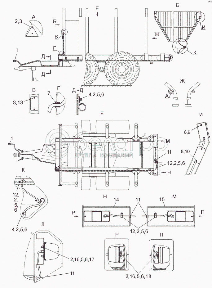
ПЛ9-4200000
1
1
2
2
2
2
2
2
2
2
3
3
4
4
5
5
5
5
5
5
5
6
6
6
6
6
6
6
7
8
8
8
9
10
11
11
11
12
12
12
13
14
15
16
16
17
18
18
7303.3716
Фонарь задний
В узле: 2
7303.3716 фонарь задний многофункц (12В)(002) >10 шт. 421.82 р.
7303.3716 Фонарь задний МТЗ с/х, Н/О, 12В , Беларусь Под заказ 767.30 р.
17
112.00.05-01
Фонарь освещения номерного знака
В узле: 1
112.00.05-01 Фонарь МТЗ освещения знака номерного полуприцепа 12V, Беларусь Под заказ 481.61 р.
10
3222.3731
Световозвращатель
В узле: 2
3222.3731 Световозвращатель прямоугольный (белый) (ОАО Руденск) Под заказ 172.07 р.
ПЛ9-4200000
Электросистема
В узле: 1
1
ПЛ9-4200100
Жгут 1
В узле: 1
2
Винт В.М6-6gx12.58.019
Винт В.М6-6gx12.58.019
В узле: 22
3
ФП401-Б
Световозвращатель задний ФП401-Б
В узле: 2
4
ПЛ9-4200025-02
Хомут
В узле: 7
5
С6.01.019
Шайба
В узле: 18
6
4598166045
Шайба 6Т
В узле: 18
7
14.83.078.00.001
Втулка
В узле: 1
8
Винт В.М5-6gx16.58.019
Винт В.М5-6gx16.58.019
В узле: 12
9
161.3712
Фонарь габаритный передний 161.3712
В узле: 2
11
354-3723011
Втулка резиновая
В узле: 4
12
ПЛ9-4200025
Хомут
В узле: 5
13
3212.3731
Световозвращатель боковой 3212.3731
В узле: 2
14
ПЛ9-1300000
Щиток
В узле: 1
15
ПЛ9-1300000-01
Щиток
В узле: 1
16
М6-6Н.6.019
Гайка
В узле: 6
Содержащиеся в справочниках-каталогах запасные части и детали не предлагаются к продаже, а носят исключительно информационный характер

Ваша заявка была отправлена. В ближайшее время наши специалисты с Вами свяжутся по указанному Вами телефону.

Представьтесь
Поле обязательно для заполнения
Ваш телефон
Введите правильный номер телефона
E-mail
Введите правильный e-mail
Тема
Тема
применяемость финансирование доставка цена, наличие другое сервис и гарантия
Время для звонка
08:00
08:00 09:00 10:00 11:00 12:00 13:00 14:00 15:00 16:00 17:00 18:00 19:00
19:00
08:00 09:00 10:00 11:00 12:00 13:00 14:00 15:00 16:00 17:00 18:00 19:00

Мы постараемся перезвонить в указанное время

Если вы не хотите ждать, то звоните нашим вежливым консультантам:

8 800 100-2-700
Подтвердите, что вы не робот
Подтвердите, что вы не робот
Спасибо!

Ваше сообщение успешно отправлено!

ЗакрытьПовторить попытку