Каталог запасных частей к технике: МТЗ МУП-351. Щетка с приводом

zoom-in zoom-out enlarge shrink circle-right circle-left file-text2 info cart arraw right arraw left zoom out zoom in arraw maximize arraw minimize
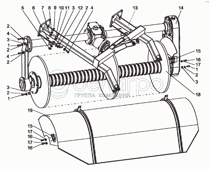
82.6-4714010
1
1
1
2
2
2
2
2
2
3
3
3
3
4
4
4
5
6
7
8
9
10
11
12
13
14
15
15
16
16
16
17
17
17
18
19
82.6-4714010
Щетка с приводом
В узле: 1
1
M12-6gx40.88.35.019
Болт
В узле: 12
2
4598166068
Шайба 12ОТ
В узле: 16
3
М12-6Н.6.019
Гайка
В узле: 16
4
M12-6gx25.88.35.019
Болт
В узле: 4
5
М16-6Н.6.019
Гайка
В узле: 6
6
4598166068
Шайба 12ОТ
В узле: 6
7
С10.01.019
Шайба
В узле: 4
8
4598166067
Шайба 10ОТ
В узле: 4
9
M10-6gx20.88.35.019
Болт
В узле: 4
10
С16.0Г019
Шайба
В узле: 6
11
M16-6gx40.88.35.019
Болт
В узле: 6
12
С12.0Г019
Шайба
В узле: 2
13
82.6-4714220-А
Рама
В узле: 1
14
82.6-4714600
Привод щетки
В узле: 1
15
82.6-4714011
Накладка
В узле: 2
16
M8-6gx20.88.35.019
Болт
В узле: 4
17
4598166046
Шайба 8Т
В узле: 4
18
82.6-4714070
Щетка дисковая
В узле: 1
19
82.6-4714040
Кожух
В узле: 1
Содержащиеся в справочниках-каталогах запасные части и детали не предлагаются к продаже, а носят исключительно информационный характер

Ваша заявка была отправлена. В ближайшее время наши специалисты с Вами свяжутся по указанному Вами телефону.

Представьтесь
Поле обязательно для заполнения
Ваш телефон
Введите правильный номер телефона
E-mail
Введите правильный e-mail
Тема
Тема
применяемость финансирование доставка цена, наличие другое сервис и гарантия
Время для звонка
08:00
08:00 09:00 10:00 11:00 12:00 13:00 14:00 15:00 16:00 17:00 18:00 19:00
19:00
08:00 09:00 10:00 11:00 12:00 13:00 14:00 15:00 16:00 17:00 18:00 19:00

Мы постараемся перезвонить в указанное время

Если вы не хотите ждать, то звоните нашим вежливым консультантам:

8 800 100-2-700
Подтвердите, что вы не робот
Подтвердите, что вы не робот
Спасибо!

Ваше сообщение успешно отправлено!

ЗакрытьПовторить попытку