Каталог запасных частей к технике: МТЗ Ш-353М. Арматура пожарная 403М-8504010

zoom-in zoom-out enlarge shrink circle-right circle-left file-text2 info cart arraw right arraw left zoom out zoom in arraw maximize arraw minimize
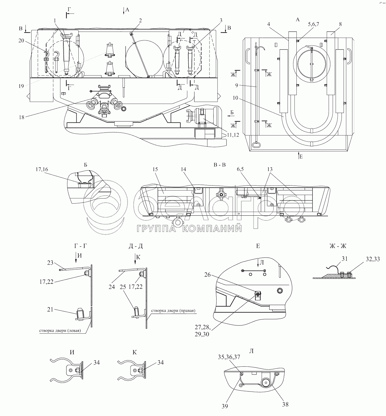
1
2
3
4
5
5
6
6
7
8
9
10
11
12
13
14
15
16
17
17
17
18
19
20
21
22
22
23
24
25
26
27
28
29
30
31
32
33
34
34
35
36
37
38
39
1
РС-70
Ствол ручной пожарный
В узле: 1
2
403М-8504070
Тяга
В узле: 1
3
РС-50
Ствол ручной пожарный
В узле: 2
4
373М-8504040-03
Пенал
В узле: 2
5
ШайбаС8.01.08.019
Шайба
В узле: 17
6
Шплинт2x20.019
Шплинт 2x20.019
В узле: 2
7
БолтМ8-6gх14.88.35.019
Болт
В узле: 16
8
373М-8504040-02
Пенал
В узле: 2
9
403М-8504050
Багор
В узле: 1
10
Рукав
Рукав всасывающий армированный
В узле: 2
11
373М-8504080
Замок баллона
В узле: 1
12
СВ-80У
Сетка всасывающая
В узле: 1
13
Рукав
Рукав всасывающий армированный
В узле: 3
14
Зажим50-80У1
Зажим 50-80У1
В узле: 2
15
Рукав
Рукав всасывающий армированный
В узле: 2
16
БолтМ8-6gх20.88.35.019
Болт
В узле: 4
17
4598166046
Шайба 8Т
В узле: 23
18
ГП70x50
Головка напорная ГП70x50
В узле: 2
19
РТ70
Разветвление рукавное РТ70
В узле: 1
20
К50-80
Ключ
В узле: 2
21
373М-8504005-01
Оболочка
В узле: 1
22
ГайкаМ8-6H.6.019
Гайка М8-6H.6.019
В узле: 3
23
373М-8504007
Зажим
В узле: 1
24
403М-8504006
Зажим
В узле: 2
25
373М-8504005
Оболочка
В узле: 2
26
403М-8504016
Конус
В узле: 1
27
БолтМ10-6gх30.88.35.019
Болт
В узле: 1
28
ГайкаМ10-6H.6.019
Гайка М10-6H.6.019
В узле: 1
29
ШайбаС10.01.08.019
Шайба С 10.01.08.019
В узле: 1
30
4598166047
Шайба 10.ОТ
В узле: 1
31
403М-8504003
Клипс
В узле: 2
32
БолтМ6-6gх12.88.35.019
Болт
В узле: 4
33
4598166045
Шайба 6Т
В узле: 4
34
373М-8504008
Прижим
В узле: 3
35
ШайбаС6.01.08.019
Шайба С6.01.08.019
В узле: 2
36
Ось6-6h11x28.35.Ц9…15хр
Ось 6-6h11x28.35.Ц9…15хр
В узле: 2
37
Шплинт1,6x12.019
Шплинт
В узле: 2
38
403М-8504017
Замок
В узле: 1
39
403М-8504018
Петля
В узле: 1
Содержащиеся в справочниках-каталогах запасные части и детали не предлагаются к продаже, а носят исключительно информационный характер

Ваша заявка была отправлена. В ближайшее время наши специалисты с Вами свяжутся по указанному Вами телефону.

Представьтесь
Поле обязательно для заполнения
Ваш телефон
Введите правильный номер телефона
E-mail
Введите правильный e-mail
Тема
Тема
применяемость финансирование доставка цена, наличие другое сервис и гарантия
Время для звонка
08:00
08:00 09:00 10:00 11:00 12:00 13:00 14:00 15:00 16:00 17:00 18:00 19:00
19:00
08:00 09:00 10:00 11:00 12:00 13:00 14:00 15:00 16:00 17:00 18:00 19:00

Мы постараемся перезвонить в указанное время

Если вы не хотите ждать, то звоните нашим вежливым консультантам:

8 800 100-2-700
Подтвердите, что вы не робот
Подтвердите, что вы не робот
Спасибо!

Ваше сообщение успешно отправлено!

ЗакрытьПовторить попытку