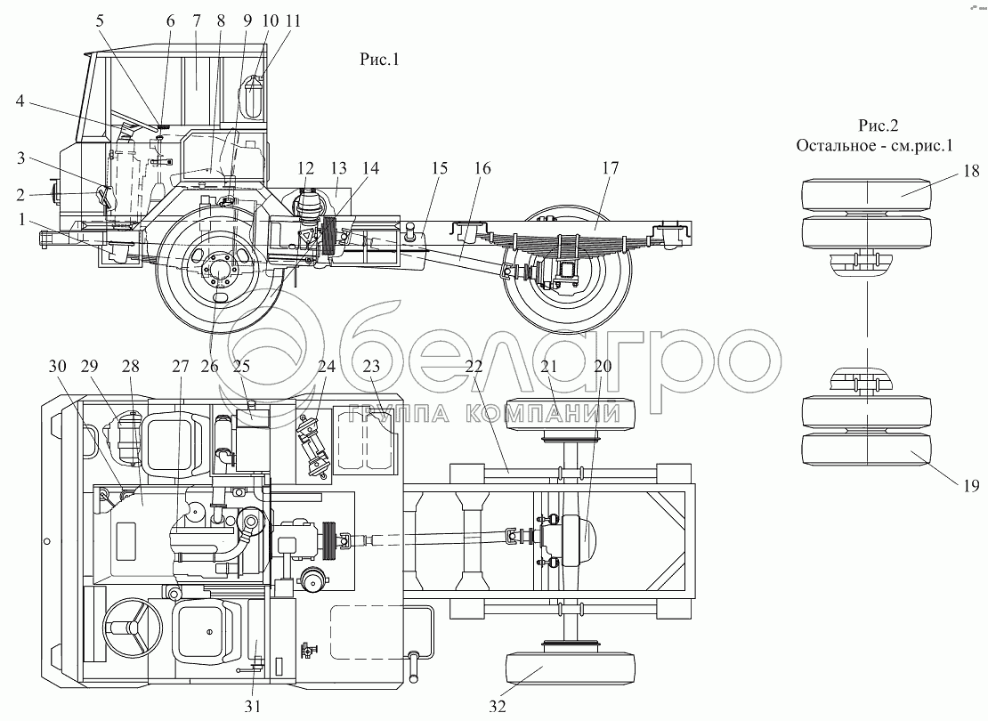
Каталог запасных частей к технике: МТЗ Ш-353М. Схема деления шасси на составные части Ш353М-0000010

zoom-in zoom-out enlarge shrink circle-right circle-left file-text2 info cart arraw right arraw left zoom out zoom in arraw maximize arraw minimize
1
2
3
4
5
6
7
8
9
10
11
12
13
14
15
16
17
18
19
20
21
22
23
24
25
26
27
28
29
30
31
32
1
Ш353М-2901010
Подвеска передняя
В узле: 1
2
Ш353М-1108010
Управление подачей топлива
В узле: 1
3
Ш353М-1602010
Привод управления сцеплением
В узле: 1
4
Ш353М-3401200
Колонка рулевая
В узле: 1
5
Ш353М-8402100
Установка термошумоизоляции
В узле: 1
6
Ш353М-1703010
Привод переключения передач
В узле: 1
7
Ш353М-2801000
Установка верхних строений
В узле: 1
8
Ш353М-6800010
Установка сидений
В узле: 1
9
80-3708010
Установка стартера
В узле: 1
10
Ш353М-3910010-Б
Установка огнетушителей
В узле: 1
11
Ш353М-3700020
Электрооборудование кабины
В узле: 1
12
Ш353М-8404005
Установка брызговиков
В узле: 1
13
Ш353М-8402050
Установка полика
В узле: 1
14
Ш353М-3101010
Установка передних колес
В узле: 1
15
Ш353М-1101010
Система топливная
В узле: 1
16
Ш353М-2200010
Передача карданная
В узле: 1
17
Ш353М-2800005
Рама с бампером в сборе
В узле: 1
18
Ш353М-3101025
Установка задних колес
В узле: ---
19
Ш353М-3101025-01
Установка задних колес
В узле: ---
20
53-2400012-11
Мост задний с тормозами и ступицами в сборе
В узле: 1
21
Ш353М-3101070-Б
Установка задних колес
В узле: 1
22
Ш353М-2910010
Подвеска задняя
В узле: 1
23
Ш353М-3700010
Электрооборудование платформы
В узле: 1
24
Ш353М-3501000
Гидропривод тормозов
В узле: 1
25
Ш353М-1200000-Б
Система газоочистки
В узле: 1
26
Ш353М-3000010-А
Ось передняя с тормозами
В узле: 1
27
Ш353М-1001010
Установка силовая
В узле: 1
28
Ш353М-8402010
Установка капота
В узле: 1
29
Ш353М-3500010
Система управления тормозами
В узле: 1
30
Ш353М-3407010-Б
Гидросистема рулевого управления
В узле: 1
31
Ш353М-3901020
Установка инструментального ящика
В узле: 1
32
Ш353М-3101070-Б-01
Установка задних колес
В узле: 1
Содержащиеся в справочниках-каталогах запасные части и детали не предлагаются к продаже, а носят исключительно информационный характер

Ваша заявка была отправлена. В ближайшее время наши специалисты с Вами свяжутся по указанному Вами телефону.

Представьтесь
Поле обязательно для заполнения
Ваш телефон
Введите правильный номер телефона
E-mail
Введите правильный e-mail
Тема
Тема
применяемость финансирование доставка цена, наличие другое сервис и гарантия
Время для звонка
08:00
08:00 09:00 10:00 11:00 12:00 13:00 14:00 15:00 16:00 17:00 18:00 19:00
19:00
08:00 09:00 10:00 11:00 12:00 13:00 14:00 15:00 16:00 17:00 18:00 19:00

Мы постараемся перезвонить в указанное время

Если вы не хотите ждать, то звоните нашим вежливым консультантам:

8 800 100-2-700
Подтвердите, что вы не робот
Подтвердите, что вы не робот
Спасибо!

Ваше сообщение успешно отправлено!

ЗакрытьПовторить попытку