Каталог запасных частей к технике: МЗКТ-69234. Привод тормозного крана

zoom-in zoom-out enlarge shrink circle-right circle-left file-text2 info cart arraw right arraw left zoom out zoom in arraw maximize arraw minimize
1
1
2
2
3
3
4
5
6
7
8
9
10
11
11
12
12
13
14
15
15
16
17
18
18
19
20
20
21
21
22
23
24
25
26
27
1
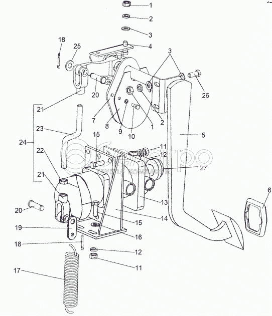
250510
Гайка М8х1-6Н
В узле: 4
2
252135
Шайба 8Т
В узле: 4
3
252005
Шайба 8
В узле: 6
4
201458
Болт М8-6gх25
В узле: 2
5
79191-3504100
Педаль тормоза
В узле: 1
6
5336-1602029
Подушка педали
В узле: 1
7
79092-3504148
Прокладка
В узле: 1
8
79092-3504154
Фланец
В узле: 1
9
252134
Шайба 6Т
В узле: 2
10
201420
Болт М6-6gх20
В узле: 2
11
250512
Гайка М10-6Н
В узле: 7
12
252136
Шайба 10 ОТ
В узле: 7
13
64221 -3514008-40
Кран тормозной
В узле: 1
14
74131-3514150
Кронштейн
В узле: 1
15
370906
Болт М10-6gх30
В узле: 7
16
252006
Шайба 10
В узле: 3
17
200-1602094
Пружина оттяжная
В узле: 1
18
258053
Шплинт 4х25
В узле: 2
19
8006-3504040
Планка
В узле: 1
20
260089
Палец 12х40
В узле: 2
21
200-3504055-Б
Вилка
В узле: 2
22
250515
Гайка М12х1,25-6Н
В узле: 1
23
692375-3504192
Тяга
В узле: 1
24
692375-3504190
Тяга
В узле: 1
25
252007
Шайба 12
В узле: 1
26
201460
Болт М8-6gх30
В узле: 2
27
0000-3518010
Глушитель 8088.00.00.000
В узле: 1
Содержащиеся в справочниках-каталогах запасные части и детали не предлагаются к продаже, а носят исключительно информационный характер

Ваша заявка была отправлена. В ближайшее время наши специалисты с Вами свяжутся по указанному Вами телефону.

Представьтесь
Поле обязательно для заполнения
Ваш телефон
Введите правильный номер телефона
E-mail
Введите правильный e-mail
Тема
Тема
применяемость финансирование доставка цена, наличие другое сервис и гарантия
Время для звонка
08:00
08:00 09:00 10:00 11:00 12:00 13:00 14:00 15:00 16:00 17:00 18:00 19:00
19:00
08:00 09:00 10:00 11:00 12:00 13:00 14:00 15:00 16:00 17:00 18:00 19:00

Мы постараемся перезвонить в указанное время

Если вы не хотите ждать, то звоните нашим вежливым консультантам:

8 800 100-2-700
Подтвердите, что вы не робот
Подтвердите, что вы не робот
Спасибо!

Ваше сообщение успешно отправлено!

ЗакрытьПовторить попытку