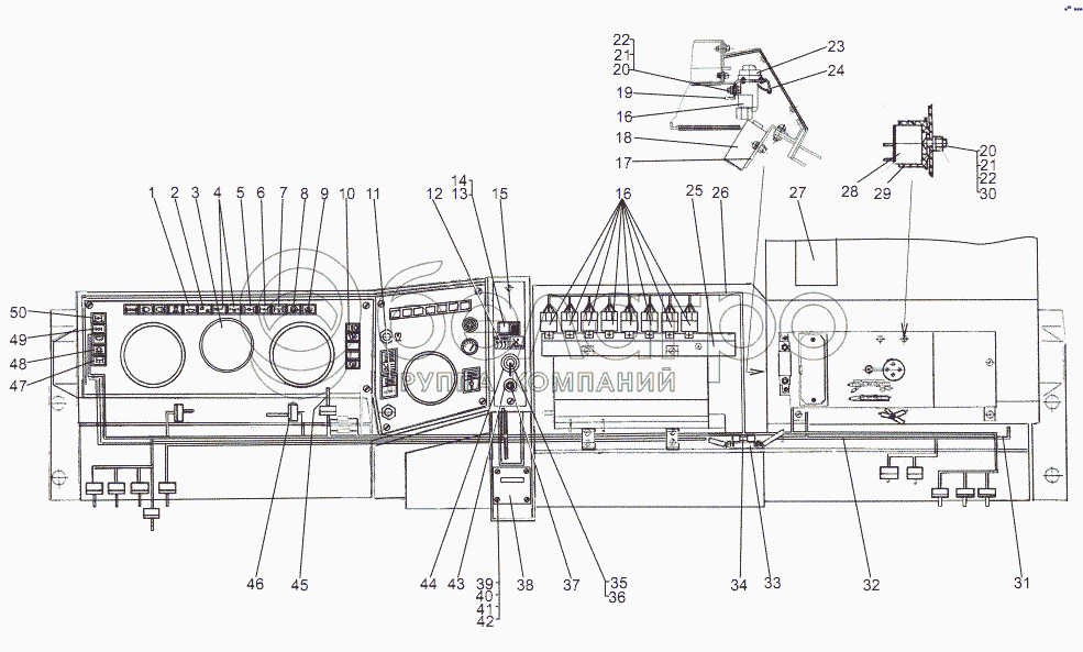
Каталог запасных частей к технике: МЗКТ-69234. Установка электрооборудования в кабине

zoom-in zoom-out enlarge shrink circle-right circle-left file-text2 info cart arraw right arraw left zoom out zoom in arraw maximize arraw minimize
1
2
3
4
5
6
7
8
9
10
11
12
13
14
15
16
16
17
18
19
20
20
21
21
22
22
23
24
25
26
27
28
29
30
31
32
33
34
35
36
37
38
39
40
41
42
43
44
45
46
47
48
49
50
1
8021-3803052
Лампа контрольная
В узле: 1
2
2212-3803010-35
Лампа контрольная включения понижающей передачи 2212.3803-35
В узле: 1
3
2531-3813010
Тахометр
В узле: 1
4
2212-3803010-13
Лампа контрольная 2212.3803-13
В узле: 2
5
2212-3803010-14
Лампа контрольная 2212.3803-14
В узле: 1
6
7930-3803065
Лампа контрольная
В узле: 1
7
2212-3803010-15
Лампа контрольная
В узле: 1
8
69237-3803051
Лампа контрольная
В узле: 1
9
69237-3803050
Лампа контрольная
В узле: 1
10
6923-3710051
Выключатель
В узле: 1
11
6923-3710081
Выключатель
В узле: 1
12
7930-3803051
Лампа контрольная
В узле: 1
13
8021-3709050
Переключатель
В узле: 1
14
5336-3710015
Рамка переключателя
В узле: 2
15
65271-3805015
Щиток переключателей
В узле: 1
16
903-3747000
Реле 903.3747
В узле: 10
17
69237-3747014
Кронштейн
В узле: 1
18
6312-3747010
Реле блокировки 63 12.37 47
В узле: 1
19
79092-3761004
Кронштейн
В узле: 1
20
220105
Винт М6-6gх16
В узле: 13
21
250508
Гайка М6-6Н
В узле: 9
22
252154
Шайба 6Л
В узле: 11
23
КТ127-3750.000
Контактор КТ127
В узле: 1
24
6923-3724151
Жгут проводов
В узле: 2
25
79092-3747016
Кронштейн
В узле: 1
26
69234-3724008-11
Жгут проводов в кабине
В узле: 1
27
69234-3903060
Табличка
В узле: 1
28
РС493-3803.010-У-ХЛ
Прерыватель контрольной лампы РС493-У-ХЛ
В узле: 1
29
64221-3747015
Кронштейн-реле
В узле: 1
30
252004
Шайба 6
В узле: 8
31
69234-3724280
Жгут проводов
В узле: 1
32
65151-3724262
Жгут проводов ПЖД в кабине
В узле: 1
33
0000-3722404
Блок защиты Б3-30
В узле: 1
34
0000-3722630
Предохранитель ПВ-50
В узле: 1
35
ВК354-3704000
Переключатель управления ПЖД ВК354
В узле: 1
36
5336-3708096
Гайка переключателей
В узле: 1
37
11-3704000-01
Выключатель кнопочный 11.3704-01
В узле: 1
38
0000-3818663
Счетчик времени наработки электронный СВН-1
В узле: 1
39
221512
Винт М3-6gх28
В узле: 4
40
250458
Гайка М3-6Н
В узле: 4
41
252000
Шайба 3
В узле: 4
42
252130
Шайба 3Т
В узле: 4
43
741331-3903137
Табличка подогрева топлива
В узле: 1
44
79092-3903137-01
Табличка
В узле: 1
45
69234-3724025
Жгут проводов
В узле: 1
46
0000-3723904
Колодка гнездовая 02-6,3-02
В узле: 1
47
79091-3710059
Выключатель
В узле: 1
48
6923-3710050
Выключатель
В узле: 1
49
3812-3710000-08
Выключатель 3812.3710-02.28
В узле: 1
50
3812-3710000-09
Выключатель 3812.3710-02.29
В узле: 1
Содержащиеся в справочниках-каталогах запасные части и детали не предлагаются к продаже, а носят исключительно информационный характер

Ваша заявка была отправлена. В ближайшее время наши специалисты с Вами свяжутся по указанному Вами телефону.

Представьтесь
Поле обязательно для заполнения
Ваш телефон
Введите правильный номер телефона
E-mail
Введите правильный e-mail
Тема
Тема
применяемость финансирование доставка цена, наличие другое сервис и гарантия
Время для звонка
08:00
08:00 09:00 10:00 11:00 12:00 13:00 14:00 15:00 16:00 17:00 18:00 19:00
19:00
08:00 09:00 10:00 11:00 12:00 13:00 14:00 15:00 16:00 17:00 18:00 19:00

Мы постараемся перезвонить в указанное время

Если вы не хотите ждать, то звоните нашим вежливым консультантам:

8 800 100-2-700
Подтвердите, что вы не робот
Подтвердите, что вы не робот
Спасибо!

Ваше сообщение успешно отправлено!

ЗакрытьПовторить попытку