Каталог запасных частей к технике: МЗКТ-69234. Установка воздушного баллона потребителей

zoom-in zoom-out enlarge shrink circle-right circle-left file-text2 info cart arraw right arraw left zoom out zoom in arraw maximize arraw minimize
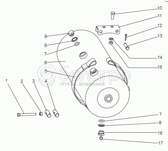
1
2
3
4
5
6
7
7
8
8
9
10
11
12
13
14
15
16
17
1
370867
Болт М10-6gх90
В узле: 2
2
500-5001083
Втулка распорная
В узле: 2
3
5434-3513060
Ось
В узле: 2
4
5434-3513062
Ось
В узле: 2
5
7930-3513039
Хомут
В узле: 4
6
5336-3513015
Ресивер А20-220
В узле: 1
7
0000-3515733
Кольцо 020-025-30-2-2
В узле: 4
8
376145
Шайба 22
В узле: 4
9
378609
Пробка М22х1,5-6h
В узле: 3
10
201540
Болт М12-6gх30
В узле: 4
11
7930-3513078
Кронштейн
В узле: 2
12
258053
Шплинт 4х25
В узле: 4
13
260092
Палец 12х48
В узле: 4
14
252137
Шайба 12 ОТ
В узле: 2
15
250514
Гайка М12-6Н
В узле: 4
16
5336-3513110
Клапан слива конденсата
В узле: 1
17
5247Г-3921441
Кольцо
В узле: 1
Содержащиеся в справочниках-каталогах запасные части и детали не предлагаются к продаже, а носят исключительно информационный характер

Ваша заявка была отправлена. В ближайшее время наши специалисты с Вами свяжутся по указанному Вами телефону.

Представьтесь
Поле обязательно для заполнения
Ваш телефон
Введите правильный номер телефона
E-mail
Введите правильный e-mail
Тема
Тема
применяемость финансирование доставка цена, наличие другое сервис и гарантия
Время для звонка
08:00
08:00 09:00 10:00 11:00 12:00 13:00 14:00 15:00 16:00 17:00 18:00 19:00
19:00
08:00 09:00 10:00 11:00 12:00 13:00 14:00 15:00 16:00 17:00 18:00 19:00

Мы постараемся перезвонить в указанное время

Если вы не хотите ждать, то звоните нашим вежливым консультантам:

8 800 100-2-700
Подтвердите, что вы не робот
Подтвердите, что вы не робот
Спасибо!

Ваше сообщение успешно отправлено!

ЗакрытьПовторить попытку