Каталог запасных частей к технике: МЗКТ-8006. Картер и детали раздаточной коробки

zoom-in zoom-out enlarge shrink circle-right circle-left file-text2 info cart arraw right arraw left zoom out zoom in arraw maximize arraw minimize
1
2
3
4
4
5
5
5
5
6
6
6
6
7
8
9
10
11
12
13
13
14
15
16
17
18
18
19
20
20
21
21
22
23
24
25
26
27
28
29
29
29
29
30
30
30
30
30
31
31
31
31
31
31
32
33
34
35
36
37
38
39
40
41
42
43
44
44
45
46
47
51
51
52
52
53
53
54
54
55
55
56
57
58
59
60
61
62
63
64
65
66
67
68
69
70
71
72
73
74
75
76
77
78
79
80
81
82
83
84
85
86
87
88
89
90
91
92
93
94
95
96
97
98
99
100
101
102
103
6923-1808028
Муфта угловая
В узле: 2
0000-1716728
Кольцо 018-022-25-2-2
В узле: 2
201460
Болт М8-6gх30
В узле: 4
252135
Шайба 8Т
В узле: 4
0000-1808011
Насос шестеренный НШ 10у-3
В узле: 1
535А-1803136
Болт стопорный
В узле: 1
206536
Болт 3М10-6gх25
В узле: 4
371775
Болт 3М14х1,5-6gх35
В узле: 2
379072
Угольник
В узле: 1
379254
Муфта 10
В узле: 1
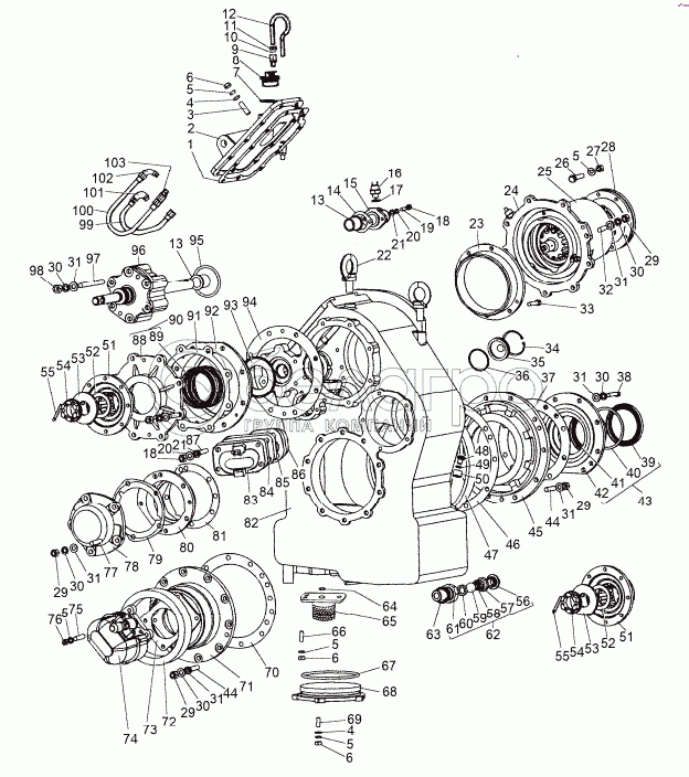
1
7911-1805148
Прокладка
В узле: 1
2
7911-1802540
Крышка
В узле: 1
3
216555
Шпилька М10х30
В узле: 11
4
252006
Шайба 10
В узле: 19
5
252136
Шайба 10 ОТ
В узле: 34
6
250513
Гайка М10х1-6Н
В узле: 26
7
543-1116056
Прокладка
В узле: 1
8
378653
Пробка М45х2-6g
В узле: 1
9
314612
Ниппель
В узле: 1
10
0000-3506717
Кольцо 008-011-19-2-2
В узле: 1
11
405641
Гайка накидная 10
В узле: 1
12
7909-1802376
Воздухопровод
В узле: 1
13
7410-1803066
Втулка
В узле: 2
14
7410-1805144
Прокладка заглушки
В узле: 1
15
6923-1803156
Заглушка
В узле: 1
16
0000-3710465
Выключатель ВК12-3А
В узле: 1
17
375992
Шайба 16
В узле: 1
18
250511
Гайка М8х1-6Н
В узле: 6
19
373236
Шпилька М8х20
В узле: 2
20
252135
Шайба 8Т
В узле: 6
21
252005
Шайба 8
В узле: 6
22
535А-1503280
Рым-болт М20
В узле: 2
23
7911-1802068
Стакан задний
В узле: 1
24
7911-1805140
Прокладка крышки
В узле: 1
25
6923-1810010
Механизм отключения карданного вала
В узле: 1
26
201682-10
Болт М10х1,25-6gх40
В узле: 8
27
251646
Гайка М10х1,25-6Н
В узле: 8
28
6923-1810032
Переходник
В узле: 1
29
250515
Гайка М12х1,25-6Н
В узле: 46
30
252137
Шайба 12 ОТ
В узле: 54
31
25200^
Шайба 12
В узле: 54
32
373513
Шпилька М12х32
В узле: 9
33
206533
Болт 3М10-6hх18
В узле: 6
34
400422
Кольцо Б68
В узле: 1
35
7911-1802098
Крышка
В узле: 1
36
0000-1018847
Кольцо У-65х60-2
В узле: 1
37
543-1731027
Прокладка
В узле: 1
38
201542
Болт М12-6gх35
В узле: 8
39
543-1731104-01
Манжета
В узле: 1
40
543-1731069
Кольцо упорное
В узле: 1
41
543-1731036-01
Манжета 1.2-92х120-3
В узле: 1
42
543-1731031-Б
Крышка
В узле: 1
43
543-1731030-Б
Крышка
В узле: 1
44
216284
Шпилька М12х40 66.016
В узле: 28
45
8006-1802194
Крышка
В узле: 1
46
8006-1802214
Прокладка
В узле: 1
47
7911-1801030
Подушка
В узле: 1
48
543-3509148
Пробка поддона
В узле: 1
49
543-3506013
Прокладка 12М3
В узле: 1
50
7911-1802022
Переходник
В узле: 1
51
7930-1810028
Фланец
В узле: 2
52
547А-1731043
Кольцо
В узле: 2
53
535А-1802229
Шайба
В узле: 2
54
375152
Гайка М39х2-5Н6Н
В узле: 2
55
258085
Шплинт 6,3х50
В узле: 2
56
535А-1018542-Б
Пробка клапана
В узле: 1
57
535А-1018544-Б
Прокладка пробки
В узле: 1
58
543-1718366
Пружина сливного клапана
В узле: 1
59
0000-3410201
Шарик 26,988-100
В узле: 1
60
543-1718370
Седло сливного клапана
В узле: 1
61
543-1718364
Корпус сливного клапана
В узле: 1
62
543-1718360
Клапан сливной
В узле: 1
63
543-1018552
Прокладка
В узле: 1
64
0000-1716728
Кольцо 018-022-25-2-2
В узле: 1
65
6923-1808050
Фильтр
В узле: 1
66
373271
Шпилька М10х25
В узле: 6
67
547А-2907261
Кольцо уплотнительное
В узле: 1
68
7911-1802434
Крышка
В узле: 1
69
216554-10
Шпилька М10х28.88
В узле: 5
70
7911-1805150
Прокладка
В узле: 1
71
6923-1802240
Крышка
В узле: 1
72
7911-1801072
Подушка
В узле: 1
73
543-3406013-01
Прокладка
В узле: 2
74
8006-3431010-10
Насос
В узле: 1
75
216555
Шпилька М10х30
В узле: 4
76
374243
Гайка М10х1-5Н6Н
В узле: 4
77
216592
Шпилька М12х45
В узле: 5
78
6923-1802218
Крышка
В узле: 1
79
7911-1805164
Прокладка
В узле: 1
80
6923-1802103
Стакан
В узле: 1
81
7911-1805162
Прокладка
В узле: 1
82
8006-1802010-10
Картер
В узле: 1
83
6923-1808010
Насос
В узле: 1
84
6923-1802109
Прокладка
В узле: 1
85
6923-1802108
Крышка
В узле: 1
86
7911-1805142
Прокладка крышки
В узле: 1
87
216528
Шпилька М8х28
В узле: 4
88
6923-1802066
Крышка
В узле: 1
89
543-1731104-01
Манжета
В узле: 2
90
6923-1802065
Крышка
В узле: 1
91
7911-1805136
Прокладка крышки
В узле: 1
92
7911-1802069
Стакан передний
В узле: 1
93
6923-1802054
Шайба
В узле: 1
94
7911-1805138
Прокладка стакана
В узле: 1
95
0000-1308788
Кольцо 075-085-58-2-2
В узле: 1
96
8006-1803100
Пневмопереключатель
В узле: 1
97
373367
Шпилька М12х105
В узле: 4
98
251014
Гайка М18х1,5-6Н
В узле: 1
99
6923-1808060
Шланг
В узле: 1
100
547А-1712429
Шланг
В узле: 1
101
379741
Угольник
В узле: 1
102
379762
Угольник
В узле: 1
103
401596
Ниппель
В узле: 1
Содержащиеся в справочниках-каталогах запасные части и детали не предлагаются к продаже, а носят исключительно информационный характер

Ваша заявка была отправлена. В ближайшее время наши специалисты с Вами свяжутся по указанному Вами телефону.

Представьтесь
Поле обязательно для заполнения
Ваш телефон
Введите правильный номер телефона
E-mail
Введите правильный e-mail
Тема
Тема
применяемость финансирование доставка цена, наличие другое сервис и гарантия
Время для звонка
08:00
08:00 09:00 10:00 11:00 12:00 13:00 14:00 15:00 16:00 17:00 18:00 19:00
19:00
08:00 09:00 10:00 11:00 12:00 13:00 14:00 15:00 16:00 17:00 18:00 19:00

Мы постараемся перезвонить в указанное время

Если вы не хотите ждать, то звоните нашим вежливым консультантам:

8 800 100-2-700
Подтвердите, что вы не робот
Подтвердите, что вы не робот
Спасибо!

Ваше сообщение успешно отправлено!

ЗакрытьПовторить попытку