Каталог запасных частей к технике: МЗКТ-8006. Механизм подьема стекла

zoom-in zoom-out enlarge shrink circle-right circle-left file-text2 info cart arraw right arraw left zoom out zoom in arraw maximize arraw minimize
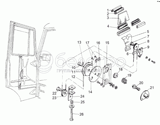
1
2
3
3
4
5
5
6
7
8
9
10
11
11
12
13
14
15
16
17
18
19
20
21
22
23
24
25
26
1
5336-6103274
Окантовка
В узле: 2
2
5336-6103268
Уплотнитель
В узле: 2
3
5336-6103210
Стекло правое
В узле: 1
3
5336-6103211
Стекло левое
В узле: 1
4
5336-6103218
Прокладка
В узле: 1
5
5336-6103220
Обойма правая
В узле: 1
5
5336-6103221
Обойма левая
В узле: 1
6
5336-6104138
Планка троса
В узле: 1
7
5336-6104134
Ось ролика
В узле: 1
8
6422-6104128
Ролик
В узле: 1
9
5336-6104132
Кронштейн
В узле: 1
10
5336-6104039
Ось
В узле: 1
11
5336-6104033-01
Барабан
В узле: 1
11
5336-6104032-01
Барабан
В узле: 1
12
5336-6104038
Трос
В узле: 1
13
5336-6104037
Муфта троса
В узле: 1
14
5336-6104036
Шестерня
В узле: 1
15
5336-6104014
Корпус
В узле: 1
16
5336-6104060
Ограничитель
В узле: 1
17
376457
Заклепка 2,8х7
В узле: 2
18
5336-6104058
Шестерня
В узле: 1
19
5336-6104054
Пружина
В узле: 1
20
5336-6104040
Валик приводной
В узле: 1
21
5336-6104056
Корпус
В узле: 1
22
6422-6104135
Ось нижняя
В узле: 1
23
6422-6104129
Ролик
В узле: 1
24
6422-6104077
Кронштейн
В узле: 1
25
205-4202201-Е
Пружина
В узле: 1
26
5336-6104082
Ось натяжная
В узле: 1
Содержащиеся в справочниках-каталогах запасные части и детали не предлагаются к продаже, а носят исключительно информационный характер

Ваша заявка была отправлена. В ближайшее время наши специалисты с Вами свяжутся по указанному Вами телефону.

Представьтесь
Поле обязательно для заполнения
Ваш телефон
Введите правильный номер телефона
E-mail
Введите правильный e-mail
Тема
Тема
применяемость финансирование доставка цена, наличие другое сервис и гарантия
Время для звонка
08:00
08:00 09:00 10:00 11:00 12:00 13:00 14:00 15:00 16:00 17:00 18:00 19:00
19:00
08:00 09:00 10:00 11:00 12:00 13:00 14:00 15:00 16:00 17:00 18:00 19:00

Мы постараемся перезвонить в указанное время

Если вы не хотите ждать, то звоните нашим вежливым консультантам:

8 800 100-2-700
Подтвердите, что вы не робот
Подтвердите, что вы не робот
Спасибо!

Ваше сообщение успешно отправлено!

ЗакрытьПовторить попытку