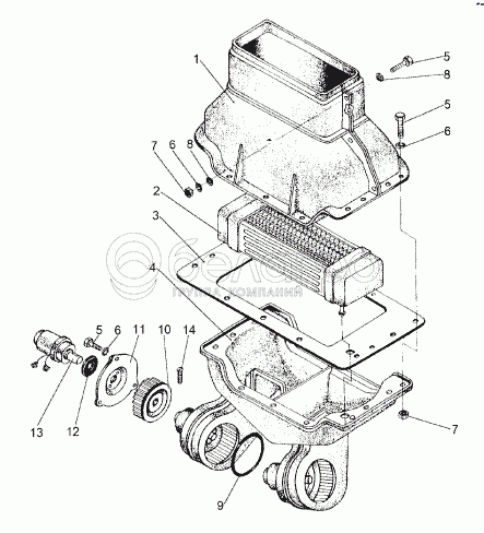
Каталог запасных частей к технике: МЗКТ-8006. Отопитель кабины

zoom-in zoom-out enlarge shrink circle-right circle-left file-text2 info cart arraw right arraw left zoom out zoom in arraw maximize arraw minimize
1
2
3
4
5
5
5
6
6
6
7
7
8
8
9
10
11
12
13
14
1
64229-8101064
Стенка отопителя
В узле: 2
2
504В-8101060-01
Радиатор
В узле: 1
3
5336-8101131
Уплотнитель нижний
В узле: 1
4
5336-8101210
Основание короба
В узле: 1
5
201418
Болт М6-6gх16
В узле: 20
6
252134
Шайба 6Т
В узле: 22
7
250508
Гайка М6-6Н
В узле: 16
8
252004
Шайба 6
В узле: 22
9
5336-8101229
Уплотнитель воздухозаборника
В узле: 2
10
64229-8102014
Ротор вентилятора
В узле: 2
11
504В-8102248
Держатель электродвигателя
В узле: 2
12
509П-3716039-А
Прокладка
В узле: 2
13
16.3730000
Электродвигатель
В узле: 2
14
220077
Винт М5-6gх10
В узле: 2
Содержащиеся в справочниках-каталогах запасные части и детали не предлагаются к продаже, а носят исключительно информационный характер

Ваша заявка была отправлена. В ближайшее время наши специалисты с Вами свяжутся по указанному Вами телефону.

Представьтесь
Поле обязательно для заполнения
Ваш телефон
Введите правильный номер телефона
E-mail
Введите правильный e-mail
Тема
Тема
применяемость финансирование доставка цена, наличие другое сервис и гарантия
Время для звонка
08:00
08:00 09:00 10:00 11:00 12:00 13:00 14:00 15:00 16:00 17:00 18:00 19:00
19:00
08:00 09:00 10:00 11:00 12:00 13:00 14:00 15:00 16:00 17:00 18:00 19:00

Мы постараемся перезвонить в указанное время

Если вы не хотите ждать, то звоните нашим вежливым консультантам:

8 800 100-2-700
Подтвердите, что вы не робот
Подтвердите, что вы не робот
Спасибо!

Ваше сообщение успешно отправлено!

ЗакрытьПовторить попытку