Каталог запасных частей к технике: МЗКТ-8006. Привод управления блокировкой межоcевых дифференциалов

zoom-in zoom-out enlarge shrink circle-right circle-left file-text2 info cart arraw right arraw left zoom out zoom in arraw maximize arraw minimize
6923-2511005
1
2
2
3
3
4
4
4
4
5
5
6
6
7
8
9
10
11
11
12
13
14
14
14
15
15
15
16
17
18
19
6923-2511005
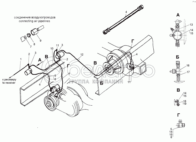
Привод управления блокировкой межосевых дифференциалов
В узле: 1
1
6923-2511022
Воздухопровод
В узле: 1
2
379053
Угольник
В узле: 2
3
401461
Тройник
В узле: 2
4
543-4225080-10
Шланг
В узле: 3
5
543-3506222
Прокладка резиновая
В узле: 3
6
379198
Кляммер
В узле: 3
7
0000-3506717
Кольцо 008-011-19-2-2
В узле: 6
8
379254
Муфта 10
В узле: 6
9
405641
Гайка накидная 10
В узле: 6
10
6923-2511024
Воздухопровод
В узле: 1
11
379650
Угольник
В узле: 4
12
6923-2511026
Воздухопровод
В узле: 1
13
7917-1723010
Клапан электромагнитный
В узле: 2
14
201416
Болт М6-6gх12
В узле: 8
15
252134
Шайба 6Т
В узле: 8
16
379839
Угольник
В узле: 1
17
250612
Гайка М10-6Н
В узле: 1
18
547А-3724870
Втулка
В узле: 2
19
315403
Кляммер
В узле: 2
Содержащиеся в справочниках-каталогах запасные части и детали не предлагаются к продаже, а носят исключительно информационный характер

Ваша заявка была отправлена. В ближайшее время наши специалисты с Вами свяжутся по указанному Вами телефону.

Представьтесь
Поле обязательно для заполнения
Ваш телефон
Введите правильный номер телефона
E-mail
Введите правильный e-mail
Тема
Тема
применяемость финансирование доставка цена, наличие другое сервис и гарантия
Время для звонка
08:00
08:00 09:00 10:00 11:00 12:00 13:00 14:00 15:00 16:00 17:00 18:00 19:00
19:00
08:00 09:00 10:00 11:00 12:00 13:00 14:00 15:00 16:00 17:00 18:00 19:00

Мы постараемся перезвонить в указанное время

Если вы не хотите ждать, то звоните нашим вежливым консультантам:

8 800 100-2-700
Подтвердите, что вы не робот
Подтвердите, что вы не робот
Спасибо!

Ваше сообщение успешно отправлено!

ЗакрытьПовторить попытку