Каталог запасных частей к технике: МЗКТ-8006. Редуктор среднего моста. Механизм блокировки.

zoom-in zoom-out enlarge shrink circle-right circle-left file-text2 info cart arraw right arraw left zoom out zoom in arraw maximize arraw minimize
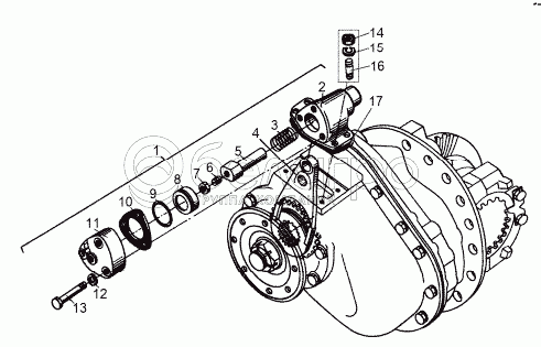
1
2
3
4
5
6
7
8
9
10
11
12
13
14
15
16
17
1
6923-2509010
Механизм блокировки
В узле: 1
2
6923-2509025
Картер
В узле: 1
3
6923-2509048
Пружина
В узле: 1
4
6923-2509032
Вилка
В узле: 1
5
6923-2509027
Ось вилки
В узле: 1
6
242577
Винт М12х1,25-6gх30
В узле: 1
7
250615
Гайка М12х1,25-6Н
В узле: 1
8
6923-2509042
Поршень
В узле: 1
9
0000-2409772
Кольцо 050-060-58-2-2
В узле: 1
10
6923-2409017
Прокладка
В узле: 1
11
6923-2409012
Цилиндр
В узле: 1
12
252135
Шайба 8Т
В узле: 3
13
200272
Болт М8-6gх65
В узле: 3
14
250513
Гайка М10х1-6Н
В узле: 4
15
252136
Шайба 10 ОТ
В узле: 4
16
373267
Шпилька М10х30
В узле: 4
17
6923-2509044
Прокладка
В узле: 1
Содержащиеся в справочниках-каталогах запасные части и детали не предлагаются к продаже, а носят исключительно информационный характер

Ваша заявка была отправлена. В ближайшее время наши специалисты с Вами свяжутся по указанному Вами телефону.

Представьтесь
Поле обязательно для заполнения
Ваш телефон
Введите правильный номер телефона
E-mail
Введите правильный e-mail
Тема
Тема
применяемость финансирование доставка цена, наличие другое сервис и гарантия
Время для звонка
08:00
08:00 09:00 10:00 11:00 12:00 13:00 14:00 15:00 16:00 17:00 18:00 19:00
19:00
08:00 09:00 10:00 11:00 12:00 13:00 14:00 15:00 16:00 17:00 18:00 19:00

Мы постараемся перезвонить в указанное время

Если вы не хотите ждать, то звоните нашим вежливым консультантам:

8 800 100-2-700
Подтвердите, что вы не робот
Подтвердите, что вы не робот
Спасибо!

Ваше сообщение успешно отправлено!

ЗакрытьПовторить попытку