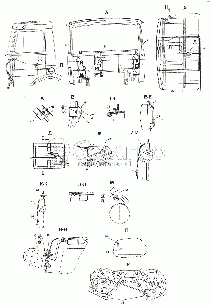
Каталог запасных частей к технике: МЗКТ-8006. Установка электрооборудования на кабине

zoom-in zoom-out enlarge shrink circle-right circle-left file-text2 info cart arraw right arraw left zoom out zoom in arraw maximize arraw minimize
8006-3700076
1
2
4
5
6
7
8
9
10
11
12
13
14
15
16
17
18
23
24
25
26
26
26
26
26
27
28
29
30
30
31
31
32
32
32
33
34
35
36
37
38
8006-3700076
Установка электрооборудования на кабине
В узле: ---
1
6923-3724222
Жгут проводов контурных огней правых в кабине
В узле: 1
2
6923-3724220
Жгут проводов контурных огней левых в кабине
В узле: 1
4
64221-3724404
Кронштейн левый
В узле: 1
5
64221-3724408
Кронштейн правый
В узле: 1
6
500-1104540
Втулка
В узле: 1
7
6422-3714021
Держатель плафона
В узле: 2
8
535А-3724015
Втулка резиновая
В узле: 1
9
64221-3724047
Уплотнитель правый
В узле: 1
10
64221-3724049
Уплотнитель левый
В узле: 1
11
64221-3724200
Держатель жгута
В узле: 8
12
64221-3724406
Хомут правый
В узле: 2
13
64221-3724407
Хомут левый
В узле: 2
14
64221-3724415
Прокладка
В узле: 1
15
64221-3724416
Прокладка
В узле: 1
16
64221-3731043
Прокладка габаритного фонаря
В узле: 2
17
200-3802038
Втулка
В узле: 1
18
6923-3726012
Пластина
В узле: 2
23
220077
Винт М5-6gх10
В узле: 2
24
220080
Винт М5-6gх16
В узле: 4
25
220084
Винт М5-6gх25
В узле: 4
26
220104
Винт М6-6gх14
В узле: 19
27
250464
Гайка М5-6Н
В узле: 12
28
250508
Гайка М6-6Н
В узле: 8
29
252003
Шайба 5
В узле: 4
30
252004
Шайба 6
В узле: 4
31
252133
Шайба 5Т
В узле: 14
32
252134
Шайба 6Т
В узле: 14
33
315407
Кляммер
В узле: 1
34
11.3714010
Плафон освещения кабины 11.3714
В узле: 1
35
ПК201-3714010-А
Плафон ПК201-А
В узле: 1
36
2507-3731010
Фонарь габаритный
В узле: 2
37
0000-3803452
Лампа А24-21-3
В узле: 1
38
0000-372144Ш
Комплект сигналов С-306Г/С-307Г
В узле: 1
Содержащиеся в справочниках-каталогах запасные части и детали не предлагаются к продаже, а носят исключительно информационный характер

Ваша заявка была отправлена. В ближайшее время наши специалисты с Вами свяжутся по указанному Вами телефону.

Представьтесь
Поле обязательно для заполнения
Ваш телефон
Введите правильный номер телефона
E-mail
Введите правильный e-mail
Тема
Тема
применяемость финансирование доставка цена, наличие другое сервис и гарантия
Время для звонка
08:00
08:00 09:00 10:00 11:00 12:00 13:00 14:00 15:00 16:00 17:00 18:00 19:00
19:00
08:00 09:00 10:00 11:00 12:00 13:00 14:00 15:00 16:00 17:00 18:00 19:00

Мы постараемся перезвонить в указанное время

Если вы не хотите ждать, то звоните нашим вежливым консультантам:

8 800 100-2-700
Подтвердите, что вы не робот
Подтвердите, что вы не робот
Спасибо!

Ваше сообщение успешно отправлено!

ЗакрытьПовторить попытку