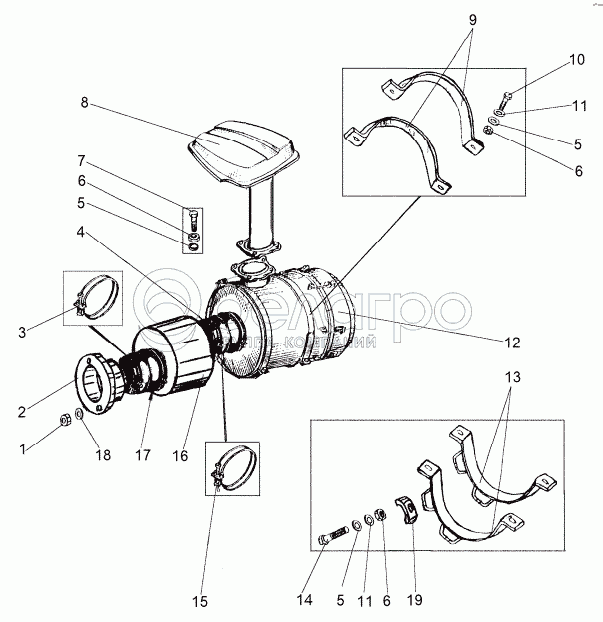
Каталог запасных частей к технике: МЗКТ-8006. Установка воздухоочистителя (238Б-1ТКР11)

zoom-in zoom-out enlarge shrink circle-right circle-left file-text2 info cart arraw right arraw left zoom out zoom in arraw maximize arraw minimize
1
2
3
4
5
5
5
6
6
6
7
8
9
10
11
11
12
13
14
15
16
17
18
19
1
250510
Гайка М8х1-6Н
В узле: 2
2
6923-1158046
Патрубок
В узле: 1
3
64229-1109460
Хомут
В узле: 4
4
6422-1109144-01
Переходник
В узле: 1
5
252136
Шайба 10 ОТ
В узле: 12
6
250512
Гайка М10-6Н
В узле: 12
7
201497
Болт М10-6gх25
В узле: 4
8
79092-1158210
Воздухозаборник
В узле: 1
9
6422-1109118
Хомут
В узле: 2
10
200315
Болт М10-6gх40
В узле: 4
11
252039
Шайба 10
В узле: 12
12
238Н-1109010-20
Фильтр воздушный
В узле: 1
13
7929-1158051
Опора
В узле: 1
14
201509
Болт М10-6gх60
В узле: 4
15
64229-1109468
Хомут
В узле: 4
16
6923-1158010-10
Труба
В узле: 1
17
7909-1158045
Патрубок
В узле: 1
18
252135
Шайба 8Т
В узле: 2
19
543-8408248-А
Прокладка
В узле: 4
Содержащиеся в справочниках-каталогах запасные части и детали не предлагаются к продаже, а носят исключительно информационный характер

Ваша заявка была отправлена. В ближайшее время наши специалисты с Вами свяжутся по указанному Вами телефону.

Представьтесь
Поле обязательно для заполнения
Ваш телефон
Введите правильный номер телефона
E-mail
Введите правильный e-mail
Тема
Тема
применяемость финансирование доставка цена, наличие другое сервис и гарантия
Время для звонка
08:00
08:00 09:00 10:00 11:00 12:00 13:00 14:00 15:00 16:00 17:00 18:00 19:00
19:00
08:00 09:00 10:00 11:00 12:00 13:00 14:00 15:00 16:00 17:00 18:00 19:00

Мы постараемся перезвонить в указанное время

Если вы не хотите ждать, то звоните нашим вежливым консультантам:

8 800 100-2-700
Подтвердите, что вы не робот
Подтвердите, что вы не робот
Спасибо!

Ваше сообщение успешно отправлено!

ЗакрытьПовторить попытку