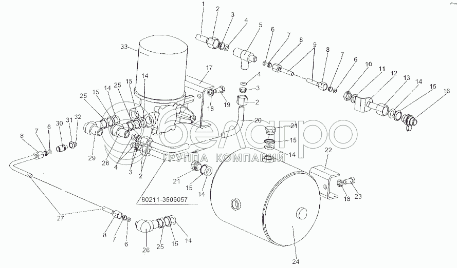
Каталог запасных частей к технике: МЗКТ-80211. Установка аппаратов системы обезвоживания

zoom-in zoom-out enlarge shrink circle-right circle-left file-text2 info cart arraw right arraw left zoom out zoom in arraw maximize arraw minimize
80211-3506057
1
2
2
2
3
3
3
4
4
4
5
6
6
6
6
7
7
7
7
8
8
8
8
9
10
11
12
13
14
14
14
14
14
14
15
15
15
15
15
15
16
17
18
18
19
20
21
21
22
23
24
25
25
25
26
27
28
29
30
31
32
33
80211-3506057
Трубопровод
В узле: ---
1
80211-3506063
Трубопровод
В узле: 1
2
405674
Гайка накидная 1-15
В узле: 4
3
379256
Муфта 15
В узле: 4
4
0000-1602722
Кольцо 012-016-25-2-2
В узле: 4
5
403039
Тройник
В узле: 1
6
0000-3506717
Кольцо 008-011-19-2-2
В узле: 4
7
379254
Муфта 10
В узле: 4
8
405641
Гайка накидная 10
В узле: 4
9
80211-3506203
Трубопровод L=800 мм
В узле: 1
10
250636
Гайка М16х1,5-6Н
В узле: 1
11
252159
Шайба 16Л
В узле: 1
12
79081-3125048
Кронштейн
В узле: 1
13
404308
Штуцер
В узле: 1
14
0000-3515733
Кольцо 020-025-30-2-2
В узле: 6
15
376145
Шайба 22
В узле: 6
16
13-3515310
Клапан контрольного вывода
В узле: 1
17
79081-3536108
Кронштейн
В узле: 1
18
252137
Шайба 12 ОТ
В узле: 5
19
371777
Болт М12x1,5-6gx30
В узле: 3
20
80211-3506059
Трубопровод
В узле: 1
21
378609
Пробка М22х1,5-6h
В узле: 2
22
8021-3513080
Кронштейн
В узле: 1
23
201538
Болт М12-6gх25
В узле: 2
24
742952-3513015
Ресивер А10-220
В узле: 1
25
374939
Гайка М22х1,5-6Н
В узле: 3
26
402741
Угольник
В узле: 1
27
80211-3506062
Трубопровод
В узле: 1
28
402776
Угольник
В узле: 1
29
379755-10
Угольник
В узле: 1
30
404209-01
Штуцер
В узле: 1
31
375818
Шайба 12
В узле: 1
32
0000-1310719
Кольцо 010-014-25-2-2
В узле: 1
33
0001-3536004
Осушитель воздуха 432 410 104 0
В узле: 1
Содержащиеся в справочниках-каталогах запасные части и детали не предлагаются к продаже, а носят исключительно информационный характер

Ваша заявка была отправлена. В ближайшее время наши специалисты с Вами свяжутся по указанному Вами телефону.

Представьтесь
Поле обязательно для заполнения
Ваш телефон
Введите правильный номер телефона
E-mail
Введите правильный e-mail
Тема
Тема
применяемость финансирование доставка цена, наличие другое сервис и гарантия
Время для звонка
08:00
08:00 09:00 10:00 11:00 12:00 13:00 14:00 15:00 16:00 17:00 18:00 19:00
19:00
08:00 09:00 10:00 11:00 12:00 13:00 14:00 15:00 16:00 17:00 18:00 19:00

Мы постараемся перезвонить в указанное время

Если вы не хотите ждать, то звоните нашим вежливым консультантам:

8 800 100-2-700
Подтвердите, что вы не робот
Подтвердите, что вы не робот
Спасибо!

Ваше сообщение успешно отправлено!

ЗакрытьПовторить попытку