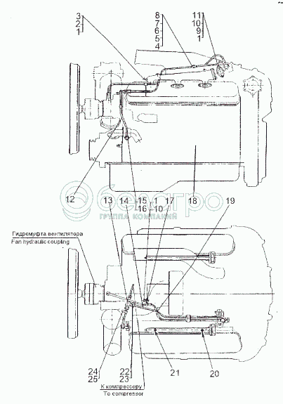
Каталог запасных частей к технике: МЗКТ-80211. Установка коллектора и маслянных труб

zoom-in zoom-out enlarge shrink circle-right circle-left file-text2 info cart arraw right arraw left zoom out zoom in arraw maximize arraw minimize
1
1
1
2
3
4
5
6
7
8
9
10
10
11
12
13
14
15
16
17
18
19
20
21
22
23
24
25
1
252135
Шайба 8Т
В узле: 13
2
250511
Гайка М8х1-6Н
В узле: 12
3
8021-1303117
Прокладка
В узле: 6
4
201422
Болт М6-6gх25
В узле: 1
5
252134
Шайба 6Т
В узле: 1
6
240-1104458
Скоба верхняя
В узле: 1
7
240-1104442
Прокладка
В узле: 1
8
240-1104459
Скоба нижняя
В узле: 1
9
200271
Болт М8-6gх60
В узле: 1
10
201460
Болт М8-6gх30
В узле: 1
11
8021-1303179
Прокладка
В узле: 1
12
8021-1018180
Труба
В узле: 1
13
403030
Тройник
В узле: 1
14
8021-1018168-10
Труба
В узле: 1
15
371016
Болт 1-1-10
В узле: ---
16
7413-1303106
Прокладка М14х1,5
В узле: ---
17
379678
Кляммер
В узле: 1
18
75117-1000175-09
Двигатель ЯМЗ 75117.10-09
В узле: 1
19
8021-1018200-10
Труба
В узле: 1
20
262542
Пробка КГ 1/4"
В узле: 1
21
262543
Пробка КГ 3/8"
В узле: 1
22
314802
Муфта конусная 10
В узле: 3
23
405641
Гайка накидная 10
В узле: 3
24
401860
Кляммер
В узле: 2
25
500-1104540
Втулка
В узле: 2
Содержащиеся в справочниках-каталогах запасные части и детали не предлагаются к продаже, а носят исключительно информационный характер

Ваша заявка была отправлена. В ближайшее время наши специалисты с Вами свяжутся по указанному Вами телефону.

Представьтесь
Поле обязательно для заполнения
Ваш телефон
Введите правильный номер телефона
E-mail
Введите правильный e-mail
Тема
Тема
применяемость финансирование доставка цена, наличие другое сервис и гарантия
Время для звонка
08:00
08:00 09:00 10:00 11:00 12:00 13:00 14:00 15:00 16:00 17:00 18:00 19:00
19:00
08:00 09:00 10:00 11:00 12:00 13:00 14:00 15:00 16:00 17:00 18:00 19:00

Мы постараемся перезвонить в указанное время

Если вы не хотите ждать, то звоните нашим вежливым консультантам:

8 800 100-2-700
Подтвердите, что вы не робот
Подтвердите, что вы не робот
Спасибо!

Ваше сообщение успешно отправлено!

ЗакрытьПовторить попытку