Каталог запасных частей к технике: МЗКТ-80211. Установка стеклоподъёмников

zoom-in zoom-out enlarge shrink circle-right circle-left file-text2 info cart arraw right arraw left zoom out zoom in arraw maximize arraw minimize
1
1
2
2
3
4
4
5
6
7
8
9
9
10
10
11
11
12
13
14
15
16
17
18
19
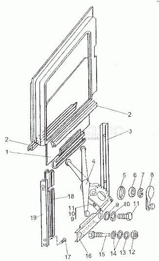
1
742953-6103210
Стекло опускное правое
В узле: 1
1
742953-6103211
Стекло опускное левое
В узле: 1
2
742953-6103268
Уплотнитель
В узле: 4
3
742953-6104156
Направляющая опускного стекла
В узле: 2
4
6430-6104011-001
Стеклоподъёмник левый
В узле: 1
4
6430-6104010-001
Стеклоподъёмник правый
В узле: 1
5
6430-6104050
Накладка
В узле: 2
6
5336-6105184-10
Розетка ручки
В узле: 2
7
5336-6104069
Облицовка стеклоподъемника
В узле: 2
8
64221-6104064
Ручка стеклоподъемника
В узле: 2
9
252037
Шайба 6
В узле: 16
10
252154
Шайба 6Л
В узле: 16
11
201416
Болт М6-6gх12
В узле: 16
12
250512
Гайка М10-6Н
В узле: 2
13
252136
Шайба 10 ОТ
В узле: 2
14
252006
Шайба 10
В узле: 4
15
742953-6104144
Ограничитель
В узле: 2
16
742953-6104112
Кулиса нижняя
В узле: 2
17
220051
Винт М4-6gх10
В узле: 6
18
742953-6103261
Уплотнитель
В узле: 2
19
742953-6104157
Направляющая опускного стекла
В узле: 2
Содержащиеся в справочниках-каталогах запасные части и детали не предлагаются к продаже, а носят исключительно информационный характер

Ваша заявка была отправлена. В ближайшее время наши специалисты с Вами свяжутся по указанному Вами телефону.

Представьтесь
Поле обязательно для заполнения
Ваш телефон
Введите правильный номер телефона
E-mail
Введите правильный e-mail
Тема
Тема
применяемость финансирование доставка цена, наличие другое сервис и гарантия
Время для звонка
08:00
08:00 09:00 10:00 11:00 12:00 13:00 14:00 15:00 16:00 17:00 18:00 19:00
19:00
08:00 09:00 10:00 11:00 12:00 13:00 14:00 15:00 16:00 17:00 18:00 19:00

Мы постараемся перезвонить в указанное время

Если вы не хотите ждать, то звоните нашим вежливым консультантам:

8 800 100-2-700
Подтвердите, что вы не робот
Подтвердите, что вы не робот
Спасибо!

Ваше сообщение успешно отправлено!

ЗакрытьПовторить попытку