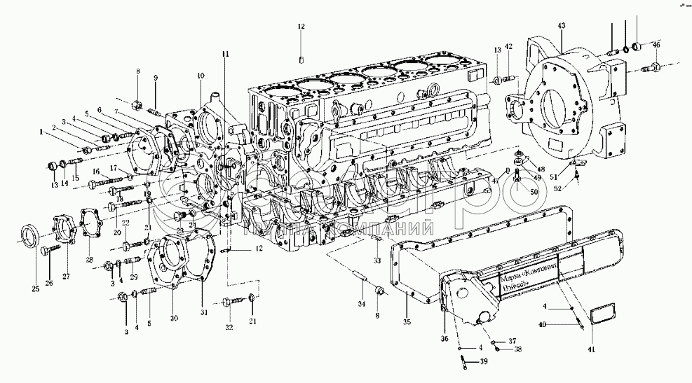
Каталог запасных частей к технике: Weichai WD615G0165, WD10G0004. Корпус цилиндра, часть 2

zoom-in zoom-out enlarge shrink circle-right circle-left file-text2 info cart arraw right arraw left zoom out zoom in arraw maximize arraw minimize
1
2
3
3
3
4
4
4
4
4
4
5
5
6
7
8
8
9
10
11
12
12
13
13
14
15
16
17
18
19
20
21
21
22
23
24
24
25
26
27
28
29
30
31
32
33
34
35
36
37
38
39
39
40
41
42
44
45
46
46
47
48
49
50
51
52
1
90003888451
Гайка
В узле: 2
2
90003813470
Шпилька двусторонняя
В узле: 3
3
90003871352
Гайка
В узле: 16
4
90003902023
Шайба пружинная
В узле: 41
5
90003813429
Шпилька двусторонняя
В узле: 12
6
615G00010175
Крышка шестерни воздушного компрессора
В узле: 1
7
614010040
Прокладка крышки
В узле: 1
8
90003888453
Гайка заклёпная
В узле: 8
9
90003813638
Шпилька двусторонняя
В узле: 2
10
612600010553
Камера распределительной шестерни
В узле: 1
11
90003802523
Болт
В узле: 3
12
90003901507
Вкладыш
В узле: 4
13
90003888452
Гайка
В узле: 5
14
90003930012
Шайба
В узле: 1
15
90003811531
Шпилька двусторонняя
В узле: 1
16
90003802576
Болт
В узле: 1
17
90003932024
Шайба пружинная
В узле: 1
18
90003802561
Болт
В узле: 6
19
90003931122
Шайба
В узле: 21
20
90003800571
Болт
В узле: 1
21
90003932025
Шайба пружинная
В узле: 2
22
90003862524
Винт (под угольник)
В узле: 1
23
90003962051
Болт
В узле: 1
24
90003098086
Кольцо уплотнительное
В узле: ---
24
90003098086
Кольцо уплотнительное
В узле: 1
25
61500010037
Установочное кольцо переднего сальника
В узле: 1
26
90003862327
Винт (под угольник)
В узле: 6
27
612600010928
Кассета переднего сальника
В узле: 1
28
612600010934
Прокладка
В узле: 1
29
90003813443
Шпилька двусторонняя
В узле: 1
30
61500010008A
Сбор крышки шестерен кулачкового вала
В узле: 1
31
614010070
Прокладка под крышку
В узле: 1
32
90003862532
Винт (под угольник)
В узле: 1
33
90003909626
Вкладыш
В узле: 6
34
90003813628
Шпилька двусторонняя
В узле: 6
35
614010084B
Прокладка под кожух
В узле: 1
36
614010083B
Кожух охладителя блока
В узле: 1
37
90003098014
Шайба уплотнительная
В узле: 1
38
90003962020
Болт
В узле: 1
39
90003800467
Болт
В узле: 5
39
90003800465
Болт
В узле: 1
40
90003802424
Болт
В узле: 19
41
612630010306
Знак
В узле: 1
42
90003813527
Шпилька двусторонняя
В узле: 3
44
90003813537
Шпилька двусторонняя
В узле: 12
45
90003871305
Гайка
В узле: 12
46
61500010101
Болт
В узле: 7
46
61500010062
Болт
В узле: 6
47
90003909603
Вкладыш
В узле: 6
48
90003098015
Шайба уплотнительная
В узле: 6
49
61560010047
Блок форсунки
В узле: 6
50
90003962621
Болт
В узле: 6
51
1800210011
Крышка
В узле: 1
52
90003802511
Болт
В узле: 2
Содержащиеся в справочниках-каталогах запасные части и детали не предлагаются к продаже, а носят исключительно информационный характер

Ваша заявка была отправлена. В ближайшее время наши специалисты с Вами свяжутся по указанному Вами телефону.

Представьтесь
Поле обязательно для заполнения
Ваш телефон
Введите правильный номер телефона
E-mail
Введите правильный e-mail
Тема
Тема
применяемость финансирование доставка цена, наличие другое сервис и гарантия
Время для звонка
08:00
08:00 09:00 10:00 11:00 12:00 13:00 14:00 15:00 16:00 17:00 18:00 19:00
19:00
08:00 09:00 10:00 11:00 12:00 13:00 14:00 15:00 16:00 17:00 18:00 19:00

Мы постараемся перезвонить в указанное время

Если вы не хотите ждать, то звоните нашим вежливым консультантам:

8 800 100-2-700
Подтвердите, что вы не робот
Подтвердите, что вы не робот
Спасибо!

Ваше сообщение успешно отправлено!

ЗакрытьПовторить попытку