Каталог запасных частей к технике: ЯМЗ-650.10 (Евро 3). Топливные трубопроводы высокого давления

zoom-in zoom-out enlarge shrink circle-right circle-left file-text2 info cart arraw right arraw left zoom out zoom in arraw maximize arraw minimize
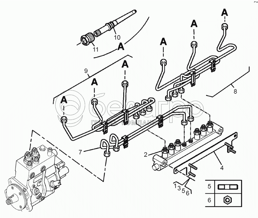
1
2
3
4
5
5
6
6
7
8
9
10
11
1
650.1112545
Шпилька М8х1,25-65 8.8
В узле: 2
2
650.1112552
Рампа с датчиком давления и перепускным клапаном в сборе
В узле: 1
3
650.1112550
Втулка рампы
В узле: 2
4
650.1112556
Кронштейн трубок низкого давления в сборе
В узле: 1
5
650.1112554
Втулка
В узле: 2
6
311421
Гайка с подголовником М8х1,25
В узле: 2
7
650.1111673
Трубки высокого давления рампы подводящие в сборе
В узле: 1
8
650.1112463
Трубки высокого давления задние в сборе
В узле: 1
9
650.1112433
Трубки высокого давления передние в сборе
В узле: 1
10
650.1112154
Штуцер подвода топлива к форсунке
В узле: 6
11
311442
Гайка штуцера форсунки
В узле: 6
Содержащиеся в справочниках-каталогах запасные части и детали не предлагаются к продаже, а носят исключительно информационный характер

Ваша заявка была отправлена. В ближайшее время наши специалисты с Вами свяжутся по указанному Вами телефону.

Представьтесь
Поле обязательно для заполнения
Ваш телефон
Введите правильный номер телефона
E-mail
Введите правильный e-mail
Тема
Тема
применяемость финансирование доставка цена, наличие другое сервис и гарантия
Время для звонка
08:00
08:00 09:00 10:00 11:00 12:00 13:00 14:00 15:00 16:00 17:00 18:00 19:00
19:00
08:00 09:00 10:00 11:00 12:00 13:00 14:00 15:00 16:00 17:00 18:00 19:00

Мы постараемся перезвонить в указанное время

Если вы не хотите ждать, то звоните нашим вежливым консультантам:

8 800 100-2-700
Подтвердите, что вы не робот
Подтвердите, что вы не робот
Спасибо!

Ваше сообщение успешно отправлено!

ЗакрытьПовторить попытку