Каталог запасных частей к технике: ЯМЗ-7511 (2005). Корректор подачи топлива по наддуву

zoom-in zoom-out enlarge shrink circle-right circle-left file-text2 info cart arraw right arraw left zoom out zoom in arraw maximize arraw minimize
423.1110860-П
1
2
3
4
5
6
7
8
9
10
11
12
13
14
15
16
17
18
19
20
21
22
23
24
25
25
26
26
26
27
27
28
29
30
31
32
33
34
35
36
37
38
39
40
41
42
43
44
45
46
47
48
49
50
51
52
53
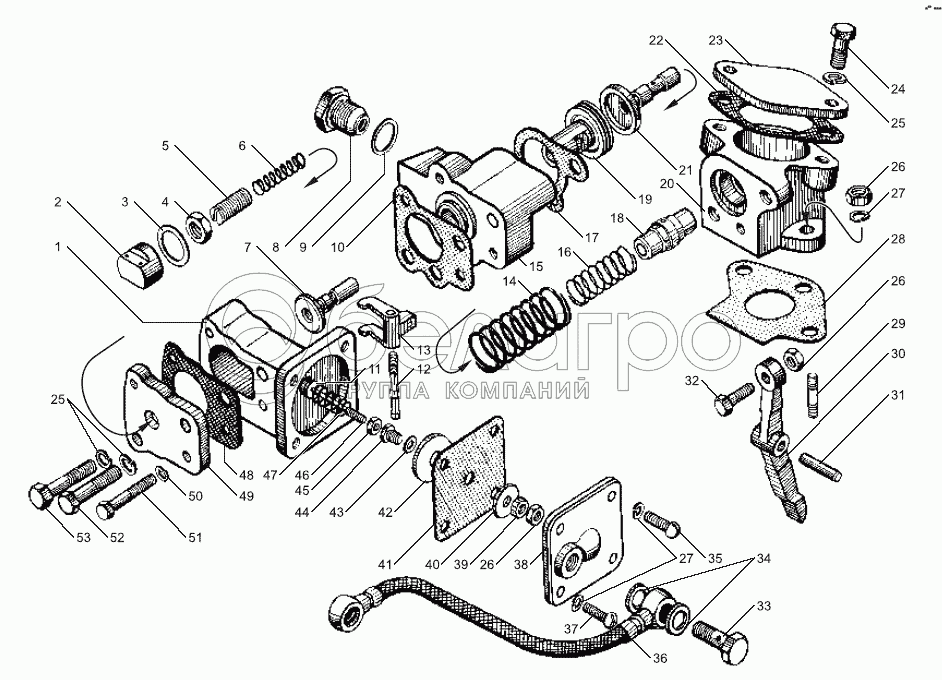
423.1110860-П
Корректор подачи топлива по наддуву в сборе
В узле: 1
1
423.1110880-10
Корпус мембраны
В узле: 1
2
421.1110830
Колпачок корпуса пружины
В узле: 1
3
312327-П
Шайба
В узле: 1
4
311448-П15
Гайка
В узле: 1
5
421.1110828-11
Корпус пружины
В узле: 1
6
421.1110826-20
Пружина корректора
В узле: 1
7
421.1110786-10
Золотник корректора
В узле: 1
8
42.1111902
Ввертыш в сборе
В узле: 1
9
852212
Шайба
В узле: 1
10
421.1110881
Прокладка корпуса мембраны
В узле: 1
11
318-85418
Шайба
В узле: 4
12
421.1110901
Ось рычага
В узле: 1
13
421.1110899
Рычаг корректора
В узле: 1
14
421.1110802
Пружина поршня
В узле: 1
15
423.1110866
Корпус корректора
В узле: 1
16
423.1110932
Пружина гильзы
В узле: 1
17
421.1110869
Прокладка корпуса корректора
В узле: 1
18
423.1110930
Гильза упора
В узле: 1
19
421.1110800
Поршень корректора
В узле: 1
20
423.1110923
Проставка корректора
В узле: 1
21
423.1110925-10
Упор
В узле: 1
22
423.1110378
Прокладка фланца
В узле: 1
23
423.1110921
Фланец
В узле: 1
24
852010-П29
Болт
В узле: 2
25
252135-П2
Шайба пружинная
В узле: 4
26
250508-П29
Гайка М6
В узле: 4
27
252154-П29
Шайба пружинная
В узле: 6
28
423.1110924
Прокладка
В узле: 1
29
45 9536 1005
Шпилька
В узле: 2
30
423.1110927-11
Рычаг корректора
В узле: 1
31
852753-П
Штифт
В узле: 1
32
318-85205
Болт
В узле: 1
33
310122-П2
Болт М10х1х22
В узле: 2
34
312482-П34
Шайба
В узле: 4
35
310611-П29
Винт
В узле: 1
36
840.1022826
Трубка подвода воздуха к корректору
В узле: 1
37
852378
Винт
В узле: 3
38
421.1110894
Крышка мембраны
В узле: 1
39
312370-П15
Шайба
В узле: 1
40
312325-П15
Шайба
В узле: 1
41
421.1110878-01
Мембрана
В узле: 1
42
421.1110882
Фланец
В узле: 1
43
852921
Шайба
В узле: 1
44
421.1110898
Втулка штока
В узле: 1
45
318-85283
Гайка
В узле: 1
46
421.1110897
Шток мембраны
В узле: 1
47
421.1110905-10
Пружина мембраны
В узле: 1
48
421.1110895
Прокладка крышки корректора
В узле: 1
49
423.1110893
Крышка корректора
В узле: 1
50
252134-П29
Шайба пружинная
В узле: 2
51
852011-П29
Болт
В узле: 2
52
310048-П29
Болт
В узле: 1
53
852017
Болт
В узле: 1
Содержащиеся в справочниках-каталогах запасные части и детали не предлагаются к продаже, а носят исключительно информационный характер

Ваша заявка была отправлена. В ближайшее время наши специалисты с Вами свяжутся по указанному Вами телефону.

Представьтесь
Поле обязательно для заполнения
Ваш телефон
Введите правильный номер телефона
E-mail
Введите правильный e-mail
Тема
Тема
применяемость финансирование доставка цена, наличие другое сервис и гарантия
Время для звонка
08:00
08:00 09:00 10:00 11:00 12:00 13:00 14:00 15:00 16:00 17:00 18:00 19:00
19:00
08:00 09:00 10:00 11:00 12:00 13:00 14:00 15:00 16:00 17:00 18:00 19:00

Мы постараемся перезвонить в указанное время

Если вы не хотите ждать, то звоните нашим вежливым консультантам:

8 800 100-2-700
Подтвердите, что вы не робот
Подтвердите, что вы не робот
Спасибо!

Ваше сообщение успешно отправлено!

ЗакрытьПовторить попытку