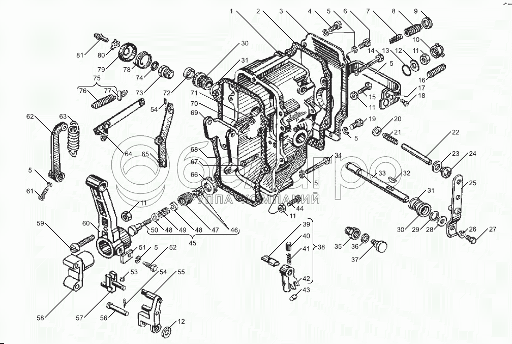
Каталог запасных частей к технике: ЯМЗ-7511 (2005). Регулятора частоты вращения

zoom-in zoom-out enlarge shrink circle-right circle-left file-text2 info cart arraw right arraw left zoom out zoom in arraw maximize arraw minimize
1
2
3
4
5
5
5
5
5
5
6
7
8
9
10
11
11
11
11
12
12
13
14
15
16
17
18
19
20
21
22
23
24
25
26
27
28
29
30
30
31
31
32
33
34
35
36
37
38
39
40
41
42
43
44
45
46
47
48
48
49
50
51
52
53
54
54
55
56
57
58
59
60
61
62
63
64
65
66
67
68
69
70
71
72
73
74
75
76
77
78
79
80
81
1
60.1110129
Крышка регулятора
В узле: 1
2
236-1110499-АЗ
Прокладка крышки смотрового люка
В узле: 1
3
60.1110498-01
Крышка смотрового люка
В узле: 1
4
852380-П15
Винт
В узле: 3
5
252154-П29
Шайба пружинная
В узле: 13
6
310600-П15
Винт
В узле: 1
7
236-1110490
Пружина буферная
В узле: 1
8
8077.1110492
Корпус буферной пружины
В узле: 1
9
311511-П29
Гайка
В узле: 1
10
852920
Гайка колпачковая
В узле: 1
11
250508-П29
Гайка М6
В узле: 4
12
312370-П29
Шайба
В узле: 2
13
25 3111 2013
Кольцо 005-008-19-2-1
В узле: 1
14
310612-П15
Винт
В узле: 1
15
852003-П29
Болт
В узле: 1
16
175.1110200
Винт регулировочный
В узле: 1
17
6007.1110380-01
Скоба кулисы в сборе
В узле: 1
18
852006-П29
Болт
В узле: 1
19
310611-П15
Винт
В узле: 1
20
312700-П15
Шайба
В узле: 1
21
236-1110089
Пружина компенсационная
В узле: 1
22
236-1110088
Ось рычагов
В узле: 1
23
852205
Шайба
В узле: 2
24
852369-П15
Винт-заглушка
В узле: 2
25
236Т-1110151
Рычаг управления регулятором
В узле: 1
26
252134-П29
Шайба пружинная
В узле: 1
27
201418-П29
Болт М6х16
В узле: 1
28
312347-П15
Шайба
В узле: 1
29
25 3111 0243
Кольцо уплотнительное
В узле: 1
30
236Т-1110476-Б
Втулка вала
В узле: 2
31
25 3111 0241
Кольцо 016-020-25-2-2
В узле: 2
32
314003-П
Шпонка сегментная
В узле: 1
33
175.1110467
Вал рычага пружины
В узле: 1
34
852381-П15
Винт
В узле: 5
35
236Т-1110392
Ввертыш оси скобы
В узле: 1
36
852204
Шайба
В узле: 1
37
236T-1110390
Ось скобы
В узле: 1
38
175.1110130
Кулиса в сборе
В узле: 1
39
236-1110136-Б
Ось кулисы
В узле: 1
40
236-1110372-Б
Фиксатор кулисы
В узле: 1
41
175.1110227
Пружина фиксатора
В узле: 1
42
60.1110132
Кулиса
В узле: 1
43
60.1110220-02
Ползун кулисы
В узле: 1
44
852020-П29
Болт
В узле: 1
45
175.1110070-10
Корректор в сборе
В узле: 1
46
852510
Гайка
В узле: 2
47
240Б-1110416
Корпус пружины корректора
В узле: 1
48
175.1110072
Кольцо проставочное
В узле: 2
49
175.1110414
Пружина корректора
В узле: 1
50
175.1110412
Корректор
В узле: 1
51
175.1110433-10
Накладка ограничительная
В узле: 1
52
852021-П15
Болт стопорный
В узле: 1
53
60.1110418
Кольцо пружинное
В узле: 1
54
258012-П15
Шплинт
В узле: 3
55
60.1110266
Рычаг корректора со штифтом в сборе
В узле: 1
56
852780
Палец
В узле: 1
57
60.1110223-02
Кулиса корректора
В узле: 1
58
175.1110263-10
Втулка корректора
В узле: 1
59
852350-П15
Винт
В узле: 1
60
175.1110406-10
Рычаг регулятора
В узле: 1
61
201418-П15
Болт
В узле: 1
62
60.1110466
Рычаг пружины
В узле: 1
63
90.1110462-10
Пружина регулятора
В узле: 1
64
423.1110454-01
Тяга рейки в сборе
В узле: 1
65
60.1110441-01
Рычаг рейки
В узле: 1
66
318-85302
Гайка
В узле: 1
67
852372
Винт
В узле: 1
68
236-1110154-A
Прокладка крышки регулятора
В узле: 1
69
60.1110080
Рычаг двуплечий
В узле: 1
70
852364-П15
Винт
В узле: 1
71
250511-П15
Гайка
В узле: 1
72
313955-П15
Заглушка
В узле: 1
73
236Т-1110134-Б
Ввертыш оси кулисы
В узле: 1
74
25 3111 0239
Кольцо уплотнительное оси кулисы
В узле: 1
75
60.1110438
Пружина рычага рейки с зацепом в сборе
В узле: 1
76
60.1110448
Пружина рычага рейки
В узле: 1
77
60.1110449
Зацеп пружины с планкой и щитком
В узле: 1
78
236Т-1110396
Пружина скобы кулисы возвратная
В узле: 1
79
236T-1110398
Крышка возвратной пружины
В узле: 1
80
236-1110262
Шайба скобы кулисы
В узле: 1
81
236-1110376
Ось рычага останова
В узле: 1
Содержащиеся в справочниках-каталогах запасные части и детали не предлагаются к продаже, а носят исключительно информационный характер

Ваша заявка была отправлена. В ближайшее время наши специалисты с Вами свяжутся по указанному Вами телефону.

Представьтесь
Поле обязательно для заполнения
Ваш телефон
Введите правильный номер телефона
E-mail
Введите правильный e-mail
Тема
Тема
применяемость финансирование доставка цена, наличие другое сервис и гарантия
Время для звонка
08:00
08:00 09:00 10:00 11:00 12:00 13:00 14:00 15:00 16:00 17:00 18:00 19:00
19:00
08:00 09:00 10:00 11:00 12:00 13:00 14:00 15:00 16:00 17:00 18:00 19:00

Мы постараемся перезвонить в указанное время

Если вы не хотите ждать, то звоните нашим вежливым консультантам:

8 800 100-2-700
Подтвердите, что вы не робот
Подтвердите, что вы не робот
Спасибо!

Ваше сообщение успешно отправлено!

ЗакрытьПовторить попытку