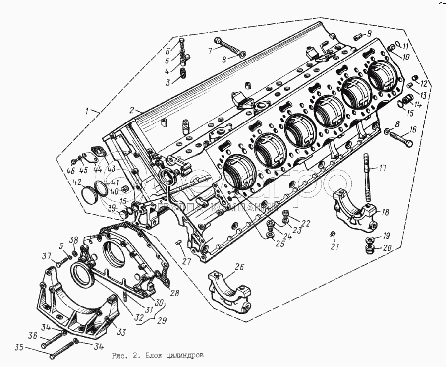
Каталог запасных частей к технике: ЯМЗ-8401.10. Блок цилиндров

zoom-in zoom-out enlarge shrink circle-right circle-left file-text2 info cart arraw right arraw left zoom out zoom in arraw maximize arraw minimize
1
2
3
4
5
5
6
7
8
8
9
10
12
13
14
16
17
18
19
20
21
22
23
24
25
26
27
28
29
30
31
32
33
34
34
37
38
39
42
43
44
45
46
1
840.1002012-10
Блок цилиндров в сборе
В узле: 1
2
840.1002015-10
Блок цилиндров
В узле: 1
3
840.1002437
Прокладка тройника
В узле: 1
4
840.1002432
Тройник
В узле: 1
5
252135-П2
Шайба пружинная
В узле: 6
6
201466-П29
Болт М8х45
В узле: 2
7
840.1005186
Болт стяжной длинный
В узле: 7
8
312399-П2
Шайба
В узле: 14
9
840.1002075
Штифт установочный
В узле: 1
10
840.1003037
Втулка
В узле: 12
12
840.1003442
Втулка установочная
В узле: 24
13
313410-П2
Штифт
В узле: 1
14
840.1002173
Втулка
В узле: 1
16
840.1005187
Болт стяжной короткий
В узле: 7
17
840.1005167
Шпилька крепления крышки подшипника
В узле: 14
18
840.1005152-10
Крышка заднего подшипника
В узле: 1
19
312692-П
Шайба
В узле: 14
20
311906-П
Гайка
В узле: 14
21
840.1005169
Штифт крышки
В узле: 2
22
316106-П29
Пробка
В узле: 11
23
312326-П
Шайба 14
В узле: 11
24
316185-П2
Пробка
В узле: 1
25
312768-П
Шайба
В узле: 1
26
840.1005140
Крышка переднего подшипника
В узле: 6
27
258670-П2
Штифт крышки блока
В узле: 2
28
840.1002265
Прокладка крышки
В узле: 1
29
840.1002260
Крышка блока передняя в сборе
В узле: 1
30
840.1002264
Крышка блока передняя
В узле: 1
31
840.1005034
Манжета передняя в сборе
В узле: 1
32
216526-П29
Шпилька
В узле: 4
33
840.1001017
Кронштейн передней опоры двигателя
В узле: 1
34
252016-П29
Шайба
В узле: 6
37
201462-П29
Болт М8х35
В узле: 4
38
252005-П29
Шайба плоская
В узле: 4
39
840.1002025
Заглушка масляного канала
В узле: 1
42
840.1002524
Заглушка отверстия распределительного вала
В узле: 1
43
840.1002406
Прокладка
В узле: 1
44
840.1002404
Заглушка водяной полости
В узле: 1
45
252136-П2
Шайба 10 пружинная
В узле: 2
46
201676-П29
Болт
В узле: 2
Содержащиеся в справочниках-каталогах запасные части и детали не предлагаются к продаже, а носят исключительно информационный характер

Ваша заявка была отправлена. В ближайшее время наши специалисты с Вами свяжутся по указанному Вами телефону.

Представьтесь
Поле обязательно для заполнения
Ваш телефон
Введите правильный номер телефона
E-mail
Введите правильный e-mail
Тема
Тема
применяемость финансирование доставка цена, наличие другое сервис и гарантия
Время для звонка
08:00
08:00 09:00 10:00 11:00 12:00 13:00 14:00 15:00 16:00 17:00 18:00 19:00
19:00
08:00 09:00 10:00 11:00 12:00 13:00 14:00 15:00 16:00 17:00 18:00 19:00

Мы постараемся перезвонить в указанное время

Если вы не хотите ждать, то звоните нашим вежливым консультантам:

8 800 100-2-700
Подтвердите, что вы не робот
Подтвердите, что вы не робот
Спасибо!

Ваше сообщение успешно отправлено!

ЗакрытьПовторить попытку