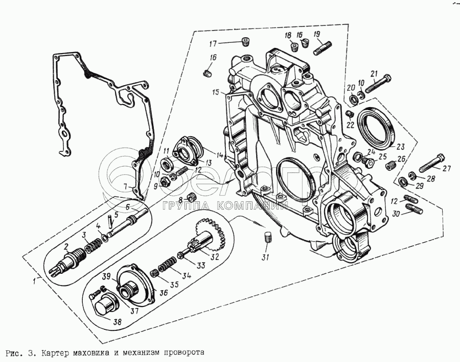
Каталог запасных частей к технике: ЯМЗ-8401.10. Картер маховика и механизм поворота

zoom-in zoom-out enlarge shrink circle-right circle-left file-text2 info cart arraw right arraw left zoom out zoom in arraw maximize arraw minimize
1
2
3
4
5
6
7
8
9
10
10
11
12
12
13
14
15
19
20
21
22
23
24
25
26
27
28
29
30
31
32
33
34
36
37
38
39
840.1002312-10
Картер маховика
В узле: 1
3166П-П29
Ввертыш трубки подвода масла турбокомпрессора
В узле: 2
8401.1002310-10
Картер маховика в сборе
В узле: 1
1
8401.1002310-30
Картер маховика в сборе
В узле: 1
2
840.1005444
Корпус фиксатора
В узле: 1
3
840.1005446
Пружина фиксатора
В узле: 1
4
238Н-1722063
Кольцо уплотнительное
В узле: 1
5
313412-П29
Штифт
В узле: 1
6
840.1005442
Фиксатор маховика
В узле: 1
7
840.1002314
Прокладка картера
В узле: 1
8
840.1002339
Вставка картера
В узле: 1
9
250517-П29
Гайка
В узле: 3
10
252136-П2
Шайба 10 пружинная
В узле: 10
11
840.1029438
Манжета в сборе
В узле: 1
12
216459-П29
Шпилька
В узле: 7
13
840.1029172
Корпус переднего подшипника
В узле: 1
14
251112193
Кольцо 082-088-36-2-1
В узле: 1
15
840.1002312-30
Картер маховика
В узле: 1
19
216564-П29
Шпилька
В узле: 2
20
252006-П29
Шайба плоская
В узле: 7
21
200466-П29
Болт
В узле: 7
22
316601-П29
Ввертыш
В узле: 6
23
840.1005160
Манжета задняя в сборе
В узле: 1
24
312768-П
Шайба
В узле: 2
25
316615-П29
Ввертыш
В узле: 2
26
316610-П29
Ввертыш
В узле: 2
27
200404-П29
Болт
В узле: 6
28
252137-П2
Шайба пружинная
В узле: 6
29
252007-П29
Шайба плоская
В узле: 6
30
216626-П29
Шпилька
В узле: 8
31
316600-П29
Ввертыш
В узле: 4
32
240-1005678
Шестерня механизма проворота
В узле: 1
33
240-1005683
Упор
В узле: 1
34
240-1005671
Пружина
В узле: 1
36
840.1005676
Корпус
В узле: 1
37
252134-П2
Шайба пружинная
В узле: 3
38
201420-П29
Болт М6х20
В узле: 3
39
840.1005688
Колпачок
В узле: 1
Содержащиеся в справочниках-каталогах запасные части и детали не предлагаются к продаже, а носят исключительно информационный характер

Ваша заявка была отправлена. В ближайшее время наши специалисты с Вами свяжутся по указанному Вами телефону.

Представьтесь
Поле обязательно для заполнения
Ваш телефон
Введите правильный номер телефона
E-mail
Введите правильный e-mail
Тема
Тема
применяемость финансирование доставка цена, наличие другое сервис и гарантия
Время для звонка
08:00
08:00 09:00 10:00 11:00 12:00 13:00 14:00 15:00 16:00 17:00 18:00 19:00
19:00
08:00 09:00 10:00 11:00 12:00 13:00 14:00 15:00 16:00 17:00 18:00 19:00

Мы постараемся перезвонить в указанное время

Если вы не хотите ждать, то звоните нашим вежливым консультантам:

8 800 100-2-700
Подтвердите, что вы не робот
Подтвердите, что вы не робот
Спасибо!

Ваше сообщение успешно отправлено!

ЗакрытьПовторить попытку