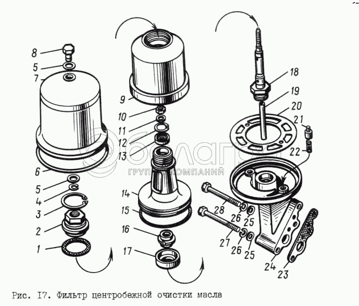
Каталог запасных частей к технике: ЯМЗ-8401.10. Фильтр центробежной очистки масла

zoom-in zoom-out enlarge shrink circle-right circle-left file-text2 info cart arraw right arraw left zoom out zoom in arraw maximize arraw minimize
1
2
3
4
5
5
7
8
9
10
11
12
13
14
15
16
17
18
19
20
21
22
23
24
25
25
26
26
27
28
840.1028010
Фильтр центробежной очистки масла в сборе
В узле: 1
840.1028035
Корпус ротора в сборе
В узле: 1
1
840.1028064
Прокладка
В узле: 1
2
840.1028046
Гайка
В узле: 1
3
840.1028062
Кольцо
В узле: 1
4
840.1028087
Кольцо пружинное
В узле: 1
5
312333-П
Шайба
В узле: 2
7
840.1028082
Крышка фильтра
В узле: 1
8
840.1028089
Гайка
В узле: 1
9
840.1028052
Крышка ротора
В узле: 1
10
250615-П2
Гайка
В узле: 1
11
840.1028061
Кольцо упорное
В узле: 1
12
840.1028088
Кольцо
В узле: 1
13
202
Подшипник шариковый радиальный однорядный
В узле: 1
14
840.1028036
Корпус ротора
В узле: 1
15
236-1028246
Кольцо уплотнительное
В узле: 1
16
840.1028044
Форсунка
В узле: 1
17
840.1028047
Втулка
В узле: 1
18
840.1028042
Ось ротора
В узле: 1
19
840.1028056
Трубка
В узле: 1
20
840.1028066
Пластина стопора
В узле: 1
21
840.1028068
Палец стопора
В узле: 2
22
840.1028070
Пружина стопора
В узле: 2
23
840.1028025
Прокладка
В узле: 1
24
840.1028020
Корпус фильтра
В узле: 1
25
252006-П29
Шайба плоская
В узле: 3
26
252131-П2
Шайба
В узле: 3
27
200468-П29
Болт
В узле: 2
28
200460-П29
Болт
В узле: 1
Содержащиеся в справочниках-каталогах запасные части и детали не предлагаются к продаже, а носят исключительно информационный характер

Ваша заявка была отправлена. В ближайшее время наши специалисты с Вами свяжутся по указанному Вами телефону.

Представьтесь
Поле обязательно для заполнения
Ваш телефон
Введите правильный номер телефона
E-mail
Введите правильный e-mail
Тема
Тема
применяемость финансирование доставка цена, наличие другое сервис и гарантия
Время для звонка
08:00
08:00 09:00 10:00 11:00 12:00 13:00 14:00 15:00 16:00 17:00 18:00 19:00
19:00
08:00 09:00 10:00 11:00 12:00 13:00 14:00 15:00 16:00 17:00 18:00 19:00

Мы постараемся перезвонить в указанное время

Если вы не хотите ждать, то звоните нашим вежливым консультантам:

8 800 100-2-700
Подтвердите, что вы не робот
Подтвердите, что вы не робот
Спасибо!

Ваше сообщение успешно отправлено!

ЗакрытьПовторить попытку