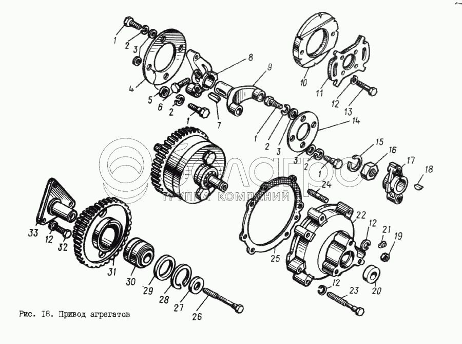
Каталог запасных частей к технике: ЯМЗ-8401.10. Привод агрегатов

zoom-in zoom-out enlarge shrink circle-right circle-left file-text2 info cart arraw right arraw left zoom out zoom in arraw maximize arraw minimize
1
1
1
1
2
2
2
2
3
3
3
4
5
7
8
9
10
11
12
12
12
12
13
14
15
16
17
18
19
20
22
23
24
25
26
27
28
29
30
31
33
1
310070-П29
Болт
В узле: 6
2
252137-П2
Шайба пружинная
В узле: 6
3
252007-П29
Шайба плоская
В узле: 4
4
840.1029274-10
Пластина передняя
В узле: 6
5
312316-П29
Шайба
В узле: 4
7
314132-П2
Шпонка
В узле: 1
8
840.1029264-10
Фланец ведущей полумуфты передний
В узле: 1
9
840.1029268-10
Фланец ведомой полумуфты
В узле: 1
10
840.1029286-10
Полумуфта ведомая
В узле: 1
11
840.1029288-10
Фланец ведомой полумуфты
В узле: 1
12
252136-П2
Шайба 10 пружинная
В узле: 12
13
201676-П29
Болт
В узле: 4
14
840.1029272-10
Пластина задняя
В узле: 6
15
252161-П2
Шайба
В узле: 1
16
250565-П29
Гайка
В узле: 1
17
840.1029270-10
Фланец ведущей полумуфты задний
В узле: 1
18
314042-П2
Шпонка сегментная
В узле: 1
19
250517-П29
Гайка
В узле: 2
20
240-1307090
Манжета первичного вала в сборе
В узле: 1
22
840.1029176-10
Корпус заднего подшипника
В узле: 1
23
200471-П29
Болт
В узле: 3
24
216564-П29
Шпилька
В узле: 2
25
840.1029178-10
Прокладка корпуса
В узле: 1
26
310035-П29
Болт
В узле: 1
27
840.1029140
Шайба упорная
В узле: 1
28
236-1307081
Кольцо запорное
В узле: 1
29
840.1029034
Кольцо упорное
В узле: 1
30
97506
Подшипник роликовый
В узле: 1
31
840.1029115
Шестерня ведущая привода распределительного вала в сборе
В узле: 1
33
840.1029128
Ось ведущей шестерни
В узле: 1
Содержащиеся в справочниках-каталогах запасные части и детали не предлагаются к продаже, а носят исключительно информационный характер

Ваша заявка была отправлена. В ближайшее время наши специалисты с Вами свяжутся по указанному Вами телефону.

Представьтесь
Поле обязательно для заполнения
Ваш телефон
Введите правильный номер телефона
E-mail
Введите правильный e-mail
Тема
Тема
применяемость финансирование доставка цена, наличие другое сервис и гарантия
Время для звонка
08:00
08:00 09:00 10:00 11:00 12:00 13:00 14:00 15:00 16:00 17:00 18:00 19:00
19:00
08:00 09:00 10:00 11:00 12:00 13:00 14:00 15:00 16:00 17:00 18:00 19:00

Мы постараемся перезвонить в указанное время

Если вы не хотите ждать, то звоните нашим вежливым консультантам:

8 800 100-2-700
Подтвердите, что вы не робот
Подтвердите, что вы не робот
Спасибо!

Ваше сообщение успешно отправлено!

ЗакрытьПовторить попытку