Каталог запасных частей к технике: ЯМЗ-8401.10. Головка цилиндров

zoom-in zoom-out enlarge shrink circle-right circle-left file-text2 info cart arraw right arraw left zoom out zoom in arraw maximize arraw minimize
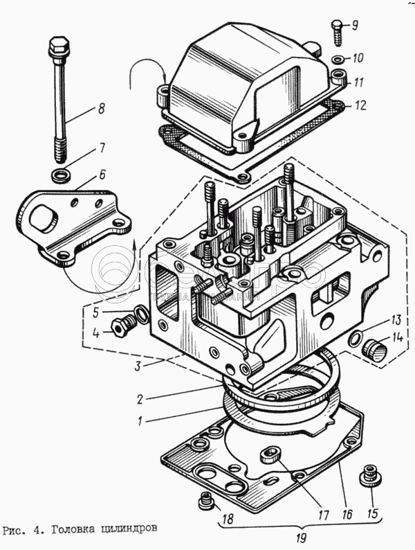
1
2
3
4
5
6
6
7
8
9
10
11
12
14
15
16
17
18
19
840.1003213
Прокладка
В узле: 12
1
840.1003212-30
Прокладка головки
В узле: 12
2
840.1003466
Кольцо уплотнительное газового стыка
В узле: 12
3
840.1003013-10
Головка цилиндра в сборе
В узле: 12
4
316603-П29
Ввертыш
В узле: 12
5
201.1015624
Прокладка ввертыша
В узле: 12
6
840.1002350
Рым
В узле: 2
6
841.1002350
Рым
В узле: 2
7
312693-П29
Шайба
В узле: 72
8
840.1003016
Болт крепления головки
В узле: 72
9
201464-П29
Болт М8х40
В узле: 48
10
252005-П29
Шайба плоская
В узле: 48
11
840.1003264
Крышка головки
В узле: 12
12
840.1003270
Прокладка крышки
В узле: 12
14
840.1003436
Заглушка
В узле: 48
15
840.1003510
Вставка уплотнительная
В узле: 24
16
840.1003505
Прокладка уплотнительная
В узле: 12
17
840.1004506
Вставка
В узле: 12
18
840.1003508
Вставка уплотнительная
В узле: 12
19
840.1003514
Прокладка уплотнительная и вставки на одну головку (комплект для запасных частей)
В узле: 12
Содержащиеся в справочниках-каталогах запасные части и детали не предлагаются к продаже, а носят исключительно информационный характер

Ваша заявка была отправлена. В ближайшее время наши специалисты с Вами свяжутся по указанному Вами телефону.

Представьтесь
Поле обязательно для заполнения
Ваш телефон
Введите правильный номер телефона
E-mail
Введите правильный e-mail
Тема
Тема
применяемость финансирование доставка цена, наличие другое сервис и гарантия
Время для звонка
08:00
08:00 09:00 10:00 11:00 12:00 13:00 14:00 15:00 16:00 17:00 18:00 19:00
19:00
08:00 09:00 10:00 11:00 12:00 13:00 14:00 15:00 16:00 17:00 18:00 19:00

Мы постараемся перезвонить в указанное время

Если вы не хотите ждать, то звоните нашим вежливым консультантам:

8 800 100-2-700
Подтвердите, что вы не робот
Подтвердите, что вы не робот
Спасибо!

Ваше сообщение успешно отправлено!

ЗакрытьПовторить попытку