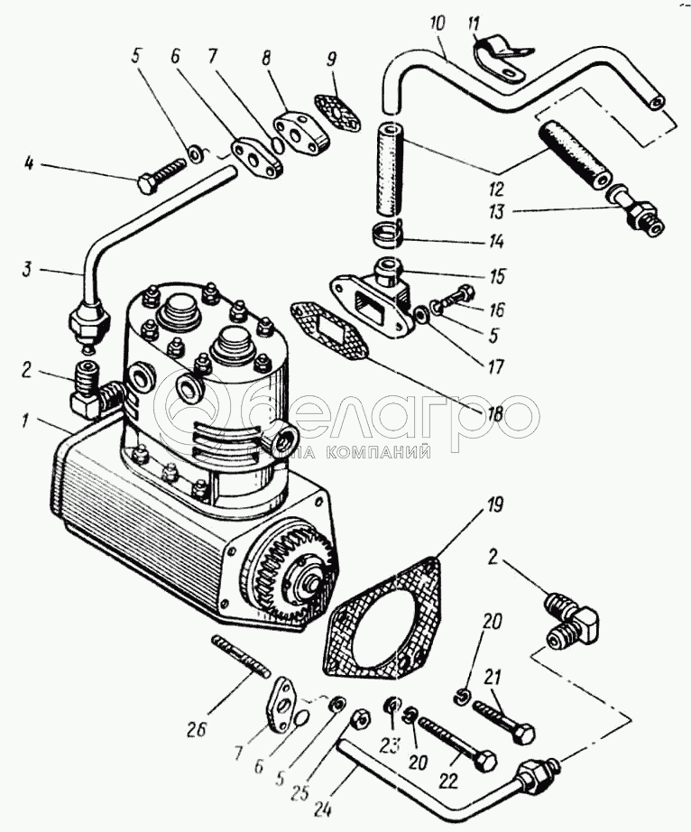
Каталог запасных частей к технике: ЯМЗ-8423. Установка компрессора пневмотормозов

zoom-in zoom-out enlarge shrink circle-right circle-left file-text2 info cart arraw right arraw left zoom out zoom in arraw maximize arraw minimize
1
2
2
3
4
5
5
5
6
6
7
7
8
9
10
11
12
13
14
15
16
17
18
19
20
20
21
22
23
24
25
26
1
13.3509012-20
Компрессор в сборе
В узле: ---
2
314510-П
Угольник
В узле: ---
3
8423.3509280
Трубка слива воды
В узле: ---
4
201468-П29
Болт
В узле: ---
5
252135-П2
Шайба пружинная
В узле: ---
6
840.3509294
Фланец трубки
В узле: ---
7
238Н-1722063
Кольцо уплотнительное
В узле: ---
8
8401.3509432-10
Фланец трубки
В узле: ---
9
8401.3509436
Прокладка фланца
В узле: ---
10
8423.3509242
Трубка подвода воздуха
В узле: ---
11
315356-П29
Кляммер
В узле: ---
12
8423.3509257
Рукав соединительный
В узле: ---
13
314601-П
Штуцер
В узле: ---
14
316215-П
Хомут в сборе
В узле: ---
15
842.3509252
Патрубок подвода
В узле: ---
16
201458-П29
Болт М8х25
В узле: ---
17
252005-П29
Шайба плоская
В узле: ---
18
842.3509413
Прокладка патрубка
В узле: ---
19
840.3509403-10
Прокладка картера компрессора
В узле: ---
20
252136-П2
Шайба 10 пружинная
В узле: ---
21
200466-П29
Болт
В узле: ---
22
200471-П29
Болт
В узле: ---
23
252006-П2
Шайба
В узле: ---
24
842.3509278-10
Трубка подвода воды
В узле: ---
25
250511-П29
Гайка
В узле: ---
26
216523-П29
Шпилька
В узле: ---
Содержащиеся в справочниках-каталогах запасные части и детали не предлагаются к продаже, а носят исключительно информационный характер

Ваша заявка была отправлена. В ближайшее время наши специалисты с Вами свяжутся по указанному Вами телефону.

Представьтесь
Поле обязательно для заполнения
Ваш телефон
Введите правильный номер телефона
E-mail
Введите правильный e-mail
Тема
Тема
применяемость финансирование доставка цена, наличие другое сервис и гарантия
Время для звонка
08:00
08:00 09:00 10:00 11:00 12:00 13:00 14:00 15:00 16:00 17:00 18:00 19:00
19:00
08:00 09:00 10:00 11:00 12:00 13:00 14:00 15:00 16:00 17:00 18:00 19:00

Мы постараемся перезвонить в указанное время

Если вы не хотите ждать, то звоните нашим вежливым консультантам:

8 800 100-2-700
Подтвердите, что вы не робот
Подтвердите, что вы не робот
Спасибо!

Ваше сообщение успешно отправлено!

ЗакрытьПовторить попытку