Каталог запасных частей к технике: ЯМЗ-8423. Включатель гидромуфты

zoom-in zoom-out enlarge shrink circle-right circle-left file-text2 info cart arraw right arraw left zoom out zoom in arraw maximize arraw minimize
1
2
3
4
5
6
7
8
9
10
11
12
13
14
15
16
17
18
19
20
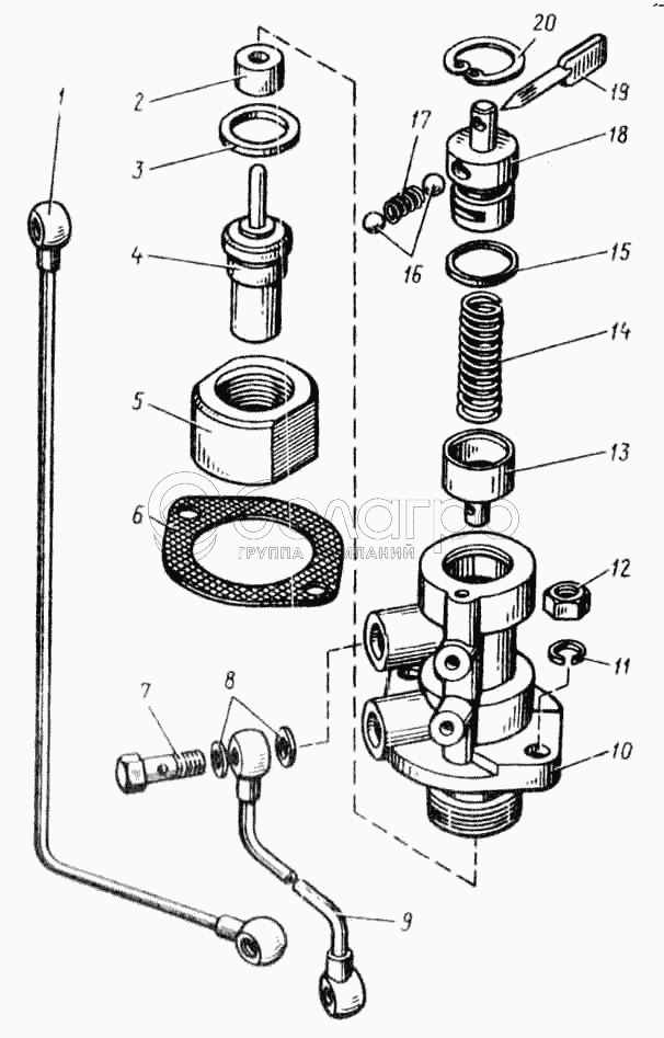
8423.1319010-10
Включатель гидромуфты в сборе
В узле: ---
1
842.1319140
Трубка отводящая
В узле: ---
2
8423.1319036
Прокладка уплотнительная
В узле: ---
3
312798-П
Прокладка регулировочная
В узле: ---
4
ТС108-1306090-20
Элемент термосиловой
В узле: ---
5
8423.1319030
Гайка
В узле: ---
6
842.1319062
Прокладка корпуса
В узле: ---
7
310122-П29
Болт М10х1х22
В узле: ---
8
312482-П34
Шайба
В узле: ---
9
842.1319120
Трубка подводящая
В узле: ---
10
842.1319020
Корпус включателя
В узле: ---
11
252135-П2
Шайба пружинная
В узле: ---
12
250511-П29
Гайка
В узле: ---
13
842.1319034
Золотник включателя
В узле: ---
14
842.1319038
Пружина возвратная
В узле: ---
15
25 3111 2661
Кольцо 014-020-36-1-1
В узле: ---
16
201-1015466
Шарик фиксатора
В узле: ---
17
842.1319053
Пружина
В узле: ---
18
842.1319042
Пробка переключения режимов
В узле: ---
19
841.1319046
Рычаг переключающий
В узле: ---
20
240Н-1118034
Кольцо пружинное упорное
В узле: ---
Содержащиеся в справочниках-каталогах запасные части и детали не предлагаются к продаже, а носят исключительно информационный характер

Ваша заявка была отправлена. В ближайшее время наши специалисты с Вами свяжутся по указанному Вами телефону.

Представьтесь
Поле обязательно для заполнения
Ваш телефон
Введите правильный номер телефона
E-mail
Введите правильный e-mail
Тема
Тема
применяемость финансирование доставка цена, наличие другое сервис и гарантия
Время для звонка
08:00
08:00 09:00 10:00 11:00 12:00 13:00 14:00 15:00 16:00 17:00 18:00 19:00
19:00
08:00 09:00 10:00 11:00 12:00 13:00 14:00 15:00 16:00 17:00 18:00 19:00

Мы постараемся перезвонить в указанное время

Если вы не хотите ждать, то звоните нашим вежливым консультантам:

8 800 100-2-700
Подтвердите, что вы не робот
Подтвердите, что вы не робот
Спасибо!

Ваше сообщение успешно отправлено!

ЗакрытьПовторить попытку