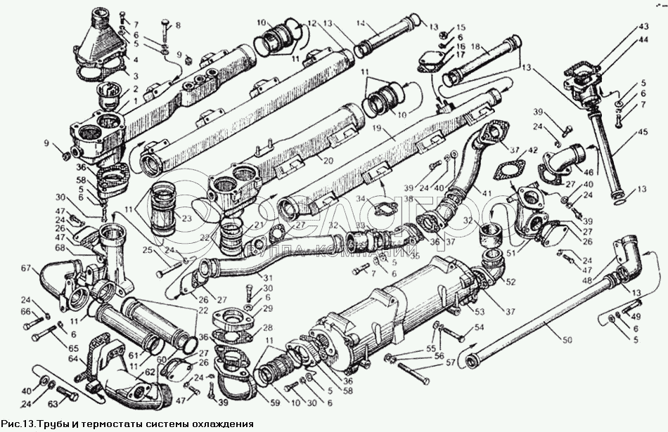
Каталог запасных частей к технике: ЯМЗ-850. Трубы и термостаты системы охлаждения

zoom-in zoom-out enlarge shrink circle-right circle-left file-text2 info cart arraw right arraw left zoom out zoom in arraw maximize arraw minimize
1
3
4
5
5
5
5
5
5
6
6
6
6
6
6
6
6
6
7
7
7
8
9
9
10
10
10
12
14
15
16
17
18
19
20
21
23
24
24
24
24
24
24
24
24
24
25
26
26
26
26
27
27
27
27
27
28
29
30
30
30
31
32
32
33
34
35
36
36
36
36
37
37
37
38
39
39
39
39
40
40
40
41
42
43
44
45
46
47
47
47
47
48
49
50
51
52
53
54
55
56
57
58
58
59
60
61
62
63
64
65
66
67
68
316608-П29
Ввертыш
В узле: 12
316601-П29
Ввертыш
В узле: 6
850.1303100
Труба водяная передняя правая в сборе
В узле: 1
850.1303101
Труба водяная передняя левая в сборе
В узле: 1
8501.1303112
Труба водяная задняя правая
В узле: 1
8501.1303319
Патрубок подводящий левого блока в сборе
В узле: 1
8501.1303114
Труба водяная задняя левая
В узле: 1
850.4303319
Патрубок подводящий левого блока в сборе
В узле: 1
1
850.1303104
Труба водяная передняя правая
В узле: 1
3
840.1303214
Прокладка
В узле: 2
4
850.1303130
Патрубок
В узле: 2
5
252005-П29
Шайба плоская
В узле: 48
6
252135-П2
Шайба пружинная
В узле: 53
7
201460-П29
Болт М8х30
В узле: 16
8
200270-П29
Болт
В узле: 24
9
316169-П2
Пробка К3/8"
В узле: 5
10
840.1303082
Муфта соединительная
В узле: 3
12
8401.1303112-10
Труба водяная задняя правая
В узле: 1
14
8401.1303296-11
Труба отводящая охладителя правая
В узле: 1
15
250511-П29
Гайка
В узле: 2
16
850.1303122
Заглушка
В узле: 1
17
850.1303123
Прокладка
В узле: 1
18
8401.1303300-11
Труба отводящая охладителя левая
В узле: 1
19
8401.1303114-10
Труба водяная задняя левая
В узле: 1
20
950.1303105
Труба водяная передняя левая
В узле: 1
21
850.1303046
Муфта соединительная
В узле: 1
23
840.1303084
Муфта соединительная
В узле: 1
24
252136-П2
Шайба 10 пружинная
В узле: 22
25
200463-П29
Болт
В узле: 2
26
840.1303404
Заглушка
В узле: 4
27
840.1002406
Прокладка
В узле: 6
28
850.1303188
Прокладка
В узле: 1
29
850.1303098
Фланец перепускной
В узле: 1
30
201462-П29
Болт М8х35
В узле: 6
31
850.1303044
Патрубок переходной
В узле: 1
32
238Б-1013740
Рукав соединительный
В узле: 4
33
316205-П
Хомут в сборе
В узле: 8
34
840.1303268
Прокладка водяной трубы
В узле: 12
35
850.1303174
Патрубок подводящий водомасляного радиатора
В узле: 1
36
850.1303324
Прокладка
В узле: 4
37
840.1303024
Прокладка патрубка
В узле: 3
38
8401.1303186
Патрубок отводящий водомасляного радиатора
В узле: 1
39
201680-П29
Болт
В узле: 8
40
252006-П29
Шайба плоская
В узле: 8
41
840.1303168-10
Патрубок подводящий правого блока
В узле: 1
42
840.1303324
Прокладка
В узле: 1
43
8401.1303312
Прокладка
В узле: 1
44
8401.1303292-10
Патрубок подводящий охладителя
В узле: 1
45
8401.1303284-01
Труба подводящая охладителя верхняя
В узле: 1
46
850.1303321
Патрубок отводящий
В узле: 1
47
20167-П29
Болт
В узле: 6
48
8401.1303278-20
Патрубок подводящий охладителя нижний
В узле: 1
49
201464-П29
Болт М8х40
В узле: 2
50
8401.1303280-01
Труба подводящая охладителя нижняя
В узле: 1
51
850.1303322
Патрубок подводящий левого блока
В узле: 1
52
850.1303186
Патрубок отводящий радиатора гидротрансмиссии
В узле: 1
53
850.1714600
Радиатор водомасляный гидротрансмиссии в сборе
В узле: 1
54
200407-П29
Болт
В узле: 2
55
252007-П29
Шайба плоская
В узле: 4
56
252137-П29
Шайба
В узле: 4
57
200412-П29
Болт
В узле: 2
58
850.1303052
Фланец подводящий
В узле: 2
59
850.1303162
Патрубок отводящий
В узле: 1
60
850.1303088
Труба перепускная правая
В узле: 1
61
850.1303156
Труба отводящая
В узле: 1
62
850.1303208
Патрубок подводящий водяного насоса
В узле: 1
63
200455-П29
Болт
В узле: 4
64
850.1303121
Прокладка патрубка
В узле: 1
65
200274-П29
Болт М8х75
В узле: 3
66
200460-П29
Болт
В узле: 2
67
850.1303016
Патрубок отводящий
В узле: 1
68
850.1303096
Патрубок перепускной
В узле: 1
Содержащиеся в справочниках-каталогах запасные части и детали не предлагаются к продаже, а носят исключительно информационный характер

Ваша заявка была отправлена. В ближайшее время наши специалисты с Вами свяжутся по указанному Вами телефону.

Представьтесь
Поле обязательно для заполнения
Ваш телефон
Введите правильный номер телефона
E-mail
Введите правильный e-mail
Тема
Тема
применяемость финансирование доставка цена, наличие другое сервис и гарантия
Время для звонка
08:00
08:00 09:00 10:00 11:00 12:00 13:00 14:00 15:00 16:00 17:00 18:00 19:00
19:00
08:00 09:00 10:00 11:00 12:00 13:00 14:00 15:00 16:00 17:00 18:00 19:00

Мы постараемся перезвонить в указанное время

Если вы не хотите ждать, то звоните нашим вежливым консультантам:

8 800 100-2-700
Подтвердите, что вы не робот
Подтвердите, что вы не робот
Спасибо!

Ваше сообщение успешно отправлено!

ЗакрытьПовторить попытку