Каталог запасных частей к технике: ЯМЗ-850. Водяной насос

zoom-in zoom-out enlarge shrink circle-right circle-left file-text2 info cart arraw right arraw left zoom out zoom in arraw maximize arraw minimize
1
2
3
4
6
7
8
9
10
12
14
15
16
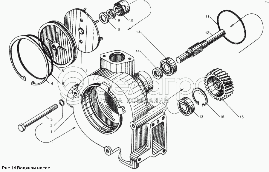
850.1307010
Насос водяной в сборе
В узле: 1
1
850.1307015
Корпус
В узле: 1
2
252137-П2
Шайба пружинная
В узле: 3
3
200411-П29
Болт
В узле: 3
4
850.1307033
Кольцо стопорное
В узле: 1
6
840.1307045-01
Крышка
В узле: 1
7
850.1307030
Крыльчатка в сборе
В узле: 1
8
850.1307039
Втулка
В узле: 1
9
850.1307062
Манжета
В узле: 1
10
850.1307031
Уплотнение торцовое в сборе
В узле: 1
12
850.1307023
Валик насоса
В узле: 1
14
850.1307090
Манжета в сборе
В узле: 1
15
850.1307070
Шестерня
В узле: 1
16
8401.1307136
Кольцо стопорное
В узле: 1
Содержащиеся в справочниках-каталогах запасные части и детали не предлагаются к продаже, а носят исключительно информационный характер

Ваша заявка была отправлена. В ближайшее время наши специалисты с Вами свяжутся по указанному Вами телефону.

Представьтесь
Поле обязательно для заполнения
Ваш телефон
Введите правильный номер телефона
E-mail
Введите правильный e-mail
Тема
Тема
применяемость финансирование доставка цена, наличие другое сервис и гарантия
Время для звонка
08:00
08:00 09:00 10:00 11:00 12:00 13:00 14:00 15:00 16:00 17:00 18:00 19:00
19:00
08:00 09:00 10:00 11:00 12:00 13:00 14:00 15:00 16:00 17:00 18:00 19:00

Мы постараемся перезвонить в указанное время

Если вы не хотите ждать, то звоните нашим вежливым консультантам:

8 800 100-2-700
Подтвердите, что вы не робот
Подтвердите, что вы не робот
Спасибо!

Ваше сообщение успешно отправлено!

ЗакрытьПовторить попытку