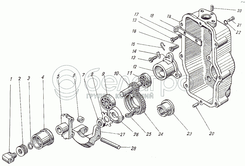
Каталог запасных частей к технике: ЯЗДА ТНВД-135, 175, 185. Корпус регулятора частоты вращения

zoom-in zoom-out enlarge shrink circle-right circle-left file-text2 info cart arraw right arraw left zoom out zoom in arraw maximize arraw minimize
1
2
3
4
5
6
7
8
9
10
11
12
13
13
14
15
16
17
18
19
20
20
21
22
23
24
25
26
27
28
236-1110512
Демпфер в сборе
В узле: 1
175.1110300
Державка грузов в сборе
В узле: 1
60.1110060-02
Муфта грузов в сборе
В узле: 1
1
60.1110065
Пята упорная
В узле: 1
2
46 1611 0211
Подшипник
В узле: 1
3
236-1110067
Кольцо пружинное
В узле: 1
4
60.1110062-02
Муфта грузов
В узле: 1
5
175.1110304
Державка грузов
В узле: 1
6
236-1110532
Ролик груза
В узле: 2
7
250634-П15
Гайка
В узле: 1
8
312556
Шайба стопорная
В узле: 1
9
46 1212 1092
Подшипник
В узле: 1
10
236-1110051-В
Валик державки
В узле: 1
11
46 1212 0838
Подшипник
В узле: 1
12
236-1110558-В
Стакан подшипников валика державки
В узле: 1
13
310140-П15
Болт
В узле: 5
14
312529-П15
Шайба стопорная
В узле: 3
15
236-1110042
Стопор пружинный
В узле: 1
16
311200-П29
Винт
В узле: 3
17
252155-П29
Шайба
В узле: 2
18
175.1110464
Упор рычага пружины
В узле: 1
19
84.1110022
Корпус регулятора
В узле: 1
20
258639-П15
Штифт
В узле: 3
21
260003-П15
Палец пружины рычага рейки
В узле: 1
22
25 3111 2013
Кольцо
В узле: 1
23
236-1110518-Б
Втулка шестерни
В узле: 1
24
236-1110516-Б3
Шестерня регулятора ведущая
В узле: 1
25
236-1110517-Б2
Сухарь шестерни
В узле: 4
26
236-1110521
Фланец втулки
В узле: 1
27
175.1110320
Груз регулятора в сборе
В узле: 2
28
236-1110049
Ось грузов
В узле: 2
Содержащиеся в справочниках-каталогах запасные части и детали не предлагаются к продаже, а носят исключительно информационный характер

Ваша заявка была отправлена. В ближайшее время наши специалисты с Вами свяжутся по указанному Вами телефону.

Представьтесь
Поле обязательно для заполнения
Ваш телефон
Введите правильный номер телефона
E-mail
Введите правильный e-mail
Тема
Тема
применяемость финансирование доставка цена, наличие другое сервис и гарантия
Время для звонка
08:00
08:00 09:00 10:00 11:00 12:00 13:00 14:00 15:00 16:00 17:00 18:00 19:00
19:00
08:00 09:00 10:00 11:00 12:00 13:00 14:00 15:00 16:00 17:00 18:00 19:00

Мы постараемся перезвонить в указанное время

Если вы не хотите ждать, то звоните нашим вежливым консультантам:

8 800 100-2-700
Подтвердите, что вы не робот
Подтвердите, что вы не робот
Спасибо!

Ваше сообщение успешно отправлено!

ЗакрытьПовторить попытку